电脑桌面
添加小米粒文库到电脑桌面
安装后可以在桌面快捷访问

2010年度厦门市区各类建筑安装工程造价综合指标说明VIP免费

2010年度厦门市区各类建筑安装工程造价综合指标说明_第1页
1/10
2010年度厦门市区各类建筑安装工程造价综合指标说明_第2页
2/10
2010年度厦门市区各类建筑安装工程造价综合指标说明_第3页
3/10
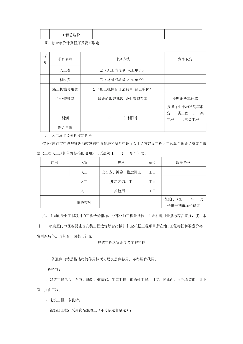
2010 年度厦门市区各类建筑安装工程造价综合指标 ( 发稿时间:2011-5-11 阅读次数:977) 说 明 一、《2010年度厦门市区各类建筑安装工程造价综合指标》的编制依据 1、《建设工程工程量清单计价规范》(GB50500-2003) 2、《福建省建设工程综合单价计价方法》(闽建法〔2004〕3号) 3、《福建省建筑工程消耗量定额》(FJYD-101-2005)、《福建省建筑装饰装修工程消耗量定额》(FJYD-201-2005)、《福建省市政工程消耗量定额》(FJYD-401-2005)和《全国统一安装工程预算定额福建省综合单价表》(2002版)及其补充调整。 4、《福建省建筑安装工程费用定额》(2003版)及其补充调整。 5、《福建省建设厅关于调整建设工程人工预算单位的通知》(闽建筑〔2003〕54号)。 二、《2010年度厦门市区各类建筑安装工程造价综合指标》的组成 本《2010年度厦门市区各类建筑安装工程造价综合指标》分为十四个类别,分别是:普通住宅楼、商住楼、公寓楼、宿舍楼、别墅、教学楼、办公楼、写字楼、综合楼、酒店、宾馆、商场、厂房、独立的地下建筑。 《2010年度厦门市区各类建筑安装工程造价综合指标》依据 2009年-2010年度厦门市在建工程、已完工程的典型工程造价资料进行整理、分类,归纳、分析而编制的,反映类似工程项目的造价水平,是一个粗放型的指标,该综合指标不能作为签订施工合同、工程竣工结算的依据。 三、工程造价费用组成及费率取定 序号 项目名称 计算方法 费率取定 1 分部分项工程费 ∑(分部分项工程量 ×综合单价) 2 施工项目费 ∑(各项施工项目费) 3 其他项目费 ∑(各项其他项目费) 4 规费 ∑(各项规费) 5 税金 (1+2+3+4)×税率 按照市区费率3 .445% 6 工程总造价 1+2+3+4+5 四、综合单价计算程序及费率取定 序号 项目名称 计算方法 费率取定 1 人工费 ∑(人工消耗量 人工单价) 2 材料费 ∑(材料消耗量 材料单价) 3 施工机械使用费 ∑(施工机械台班消耗量 台班单价) 4 企业管理费 规定的取费基数 企业管理费率 按照定费率计算 5 利润 (1+2+3+4)利润率 按照行业平均利润率取定,一类工程3%,二类工程2.5%,三类工程2% 6 综合单价 1+2+3+4+5 五、人工及主要材料取定价格 依据《厦门市建设与管理局转发福建省住房和城乡建设厅关于调整建设工程人工预算单价并调整厦门市建设工程人工预算单价标准的通知》(厦建筑【2011】10号)计取。 序号 名...

1、当您付费下载文档后,您只拥有了使用权限,并不意味着购买了版权,文档只能用于自身使用,不得用于其他商业用途(如 [转卖]进行直接盈利或[编辑后售卖]进行间接盈利)。
2、本站所有内容均由合作方或网友上传,本站不对文档的完整性、权威性及其观点立场正确性做任何保证或承诺!文档内容仅供研究参考,付费前请自行鉴别。
3、如文档内容存在违规,或者侵犯商业秘密、侵犯著作权等,请点击“违规举报”。

碎片内容

2010年度厦门市区各类建筑安装工程造价综合指标说明

您可能关注的文档

确认删除?
VIP
微信客服
  • 扫码咨询
会员Q群
  • 会员专属群点击这里加入QQ群
客服邮箱
回到顶部