电脑桌面
添加小米粒文库到电脑桌面
安装后可以在桌面快捷访问

2011预算员考试复习题VIP免费

2011预算员考试复习题_第1页
1/17
2011预算员考试复习题_第2页
2/17
2011预算员考试复习题_第3页
3/17
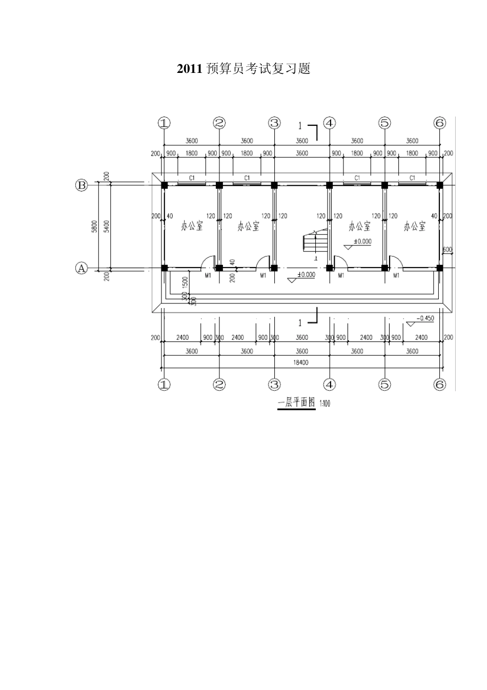
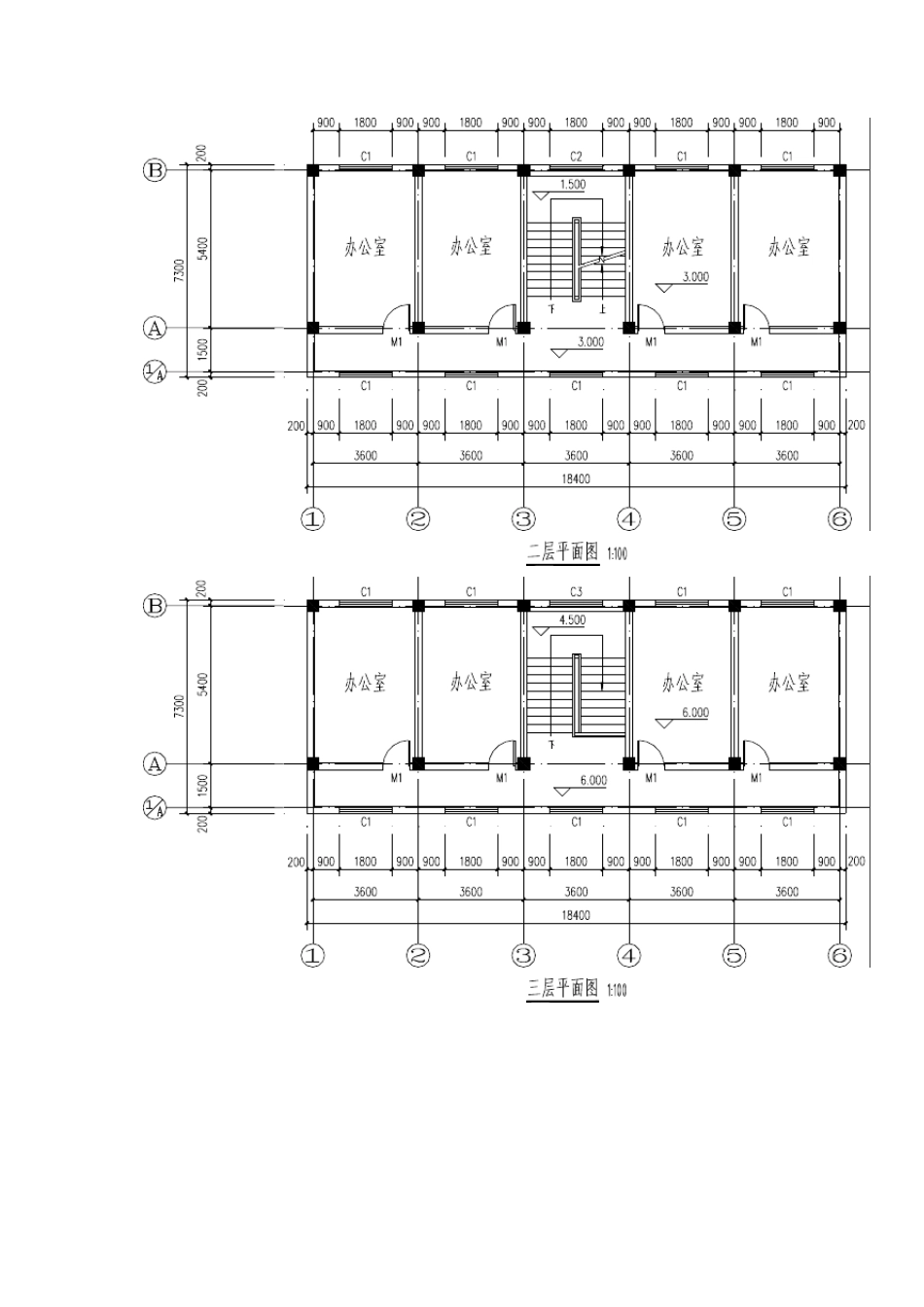
2 0 1 1 预算员考试复习题 一、某施工企业根据地质资料,确定基础为人工放坡开挖,工作面每边增加0.3m;自垫层上表面开始放坡,放坡系数为0.33;室外地坪标高﹣0.450m;基坑边可堆土90m3 用于回填;余土用装载机外运。土方挖、运、填均按天然密实土计算。 (1)试计算人工挖独立基础土方的工程量。(不计算挖基础梁槽土方) (2)人工挖基坑定额如下:挖1m3 土方,用工0.53 工日;装运1m3 土方,用工0.006 工日,装载机0.008 台班。已知:人工单价为28.53 元/工日,装载机台班单价为458.65 元/台班。试计算挖运土方的人工费、材料费、机械费合价。 (3)设挖独立基础土方的清单工程量为84m3,假定管理费率12%,利润率6%,按《清单计价规范》规定,计算挖独立基础土方工程量清单的综合单价。 (1)一个独立基础挖方体积 分)(分)(分)(挖方2093.15235.133.03135.1)35.133.03.022.2()35.133.03.022.2(1.0)3.022.2()3.022.2(231)2)(2()2)(2(33232mHkHkHcbkHcahcbcaV 人工挖独立基础土方工程量合计:V=V挖方×12=15.093×12=181.12m3 (2)余土外运181.12-90=91.12m3 挖土合价=181.12×0.53×28.53=2738.70 元 运土合价=91.12×(0.006×28.53+0.008×458.65)=349.94 元 挖运土方工料机合价=2738.70+349.94=3088.64 元 (3)管理费:工料机合价×管理费率=3088.64×12%=370.64 元 利润:工料机合价×利润率=3088.64×6%=185.32 元 总计:3088.64+370.64+185.32=3644.60 元 挖独立基础土方工程量清单的综合单价:3644.60/84=43.39 元/m3 二、计算二层(3.000 标高处)○A 轴线上KL1 的钢筋工程量(不考虑连接与损耗),填入表1 相应栏目中。(钢筋锚固长度 laE=35d,箍筋 135o弯钩直段部分长度为10d,三级抗震等级,梁保护层厚度 25mm) 表1 钢筋计算表 构件 名称 钢筋 编号 简图 直径 长度 /m 合计 根数 合计 重量/kg 计算式 KL1 ① 20 18.95 2 93.46 18.4-0.025*2+15*0.020*2=18.95m ② 22 19.01 3 170.18 18.4-0.025*2+15*0.022*2=19.01m ③ 20 13.62 1 33.59 18.95-(3.6-0.2*2)/3*5=13.62m ④ 8 1.75 125 84.41 (0.25+0.6)*2-8*0.025+8*0.008 +23.8*0.008=1.75m [(1.5*0.6-0.05)/0.1*2+ (3.2-2*1.5*0.6)/0.2+1]*5=125 根 钢筋重量表 直径/mm φ 8 φ 10 φ 20 φ 22 φ 25...

1、当您付费下载文档后,您只拥有了使用权限,并不意味着购买了版权,文档只能用于自身使用,不得用于其他商业用途(如 [转卖]进行直接盈利或[编辑后售卖]进行间接盈利)。
2、本站所有内容均由合作方或网友上传,本站不对文档的完整性、权威性及其观点立场正确性做任何保证或承诺!文档内容仅供研究参考,付费前请自行鉴别。
3、如文档内容存在违规,或者侵犯商业秘密、侵犯著作权等,请点击“违规举报”。

碎片内容

2011预算员考试复习题

您可能关注的文档

确认删除?
VIP
微信客服
  • 扫码咨询
会员Q群
  • 会员专属群点击这里加入QQ群
客服邮箱
回到顶部