电脑桌面
添加小米粒文库到电脑桌面
安装后可以在桌面快捷访问

MVC电子膨胀阀控制器VIP专享VIP免费

MVC电子膨胀阀控制器_第1页
1/8
MVC电子膨胀阀控制器_第2页
2/8
MVC电子膨胀阀控制器_第3页
3/8
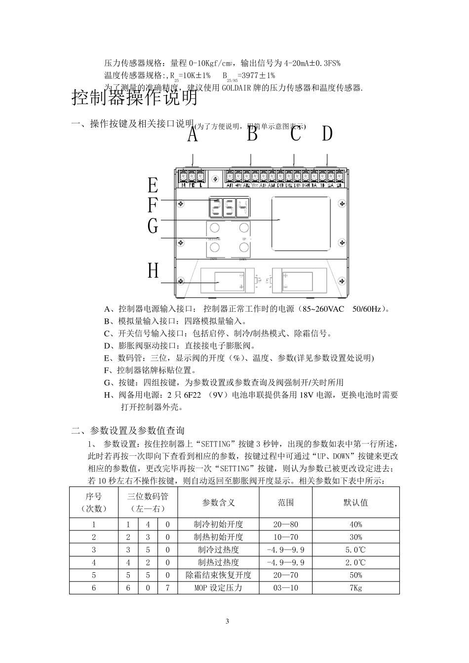
1 ® MVC 电子膨胀阀控制器 电 子 膨 胀 阀 在 制 冷 行 业 中 应 用 已 久 , 对 冷 冻 机 提 高 性 能 及 能 效 比 是 众 所 周 知 的 , 但 由 于电 子 膨 胀 阀 的 工 作 需 要 压 力 、 温 度 等 传 感 器 , 采 集 冷 冻 机 各 种 运 行 数 据 结 合 复 杂 的 逻 辑 运 算再 去 驱 动 阀 的 开 度 , 控 制 形 式 多 样 复 杂 , 所 需 部 件 众 多 , 使 电 子 膨 胀 阀 的 顺 利 应 用 受 到 限 制 。 GOLDAIR 公 司 ,作 为 控 制 系 统 的 专 业 制 造 商 ,一 直 致 力 于 冷 冻 机 的 先 进 控 制 技 术 的 研 制 。从 控 制 核 心 出 发 , 研 制 出 一 款 MVC 电 子 膨 胀 阀 控 制 器 , 使 电 子 膨 胀 阀 的 应 用 能 够 真 正 与 热 力膨 胀 阀 一 样 方 便 。 MVC 电 子 膨 胀 阀 控 制 器 是 集 成 了 数 据 采 集 、 逻 辑 运 算 、 限 流 驱 动 为 一 体 的 控 制 器 。 该 控制 器 与 电 子 膨 胀 阀 配 套 应 用 能 适 应 环 境 负 荷 的 动 态 变 化 自 动 调 整 阀 的 开 度 ,从 而使 冷 冻 系 统达到 最佳运 行 状态 。 此控 制 器 控 制 过热 度 达到 0.5℃的 精度 , 具有按键手动 操作 功能 , 数 码管显示阀 开 度 , 通过设定不同的 参数 可以满足各 种 冷 媒、 机 型的 使 用 要 求2 控制器特色  适用于GOLDAIR 的不同系列的SEV 电子膨胀阀  数码管显示阀开度及报警信号  制冷制热过热度可分别设定  MOP 控制调节  排气温度控制调节  支持热泵时逆向融霜的流量要求  泵集功能  可应用于低温(-40℃蒸发温度)冷冻场合  自带备用电池,在突然停电时可使阀完全关闭  支持软件在线下载,灵活方便。 控制器功能 控制器控制过热度和吸气压力(蒸发/翅片温度)。GOLDAIR 电子膨胀阀能够提供比传统电磁阀更优异的关闭功能,只要当压缩机停止运转,就没有制冷剂流过SEV。在有冷量需求及压缩机起动时自动接受来自控制器反馈到的信号。控制器可以在不同的运行条件下通过PID 精确控制电子膨胀阀开度来实现对制冷剂流量的控制。 1、MOP 控...

1、当您付费下载文档后,您只拥有了使用权限,并不意味着购买了版权,文档只能用于自身使用,不得用于其他商业用途(如 [转卖]进行直接盈利或[编辑后售卖]进行间接盈利)。
2、本站所有内容均由合作方或网友上传,本站不对文档的完整性、权威性及其观点立场正确性做任何保证或承诺!文档内容仅供研究参考,付费前请自行鉴别。
3、如文档内容存在违规,或者侵犯商业秘密、侵犯著作权等,请点击“违规举报”。

碎片内容

MVC电子膨胀阀控制器

确认删除?
VIP
微信客服
  • 扫码咨询
会员Q群
  • 会员专属群点击这里加入QQ群
客服邮箱
回到顶部