电脑桌面
添加小米粒文库到电脑桌面
安装后可以在桌面快捷访问

plc自控成型机VIP专享VIP免费

plc自控成型机_第1页
1/17
plc自控成型机_第2页
2/17
plc自控成型机_第3页
3/17
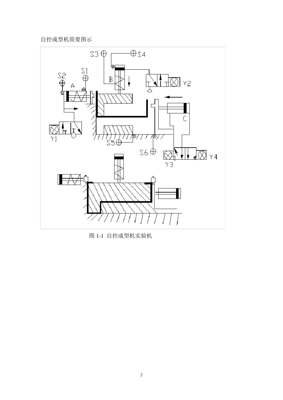
1 自控成型机的PLC 设计 1. 设计内容及要求 1.1 控制要求 当原料放入成型机时,各油缸为初始状态:Y 1=Y 2=Y 4=OFF, Y 3=ON, S1=S3=S5=OFF, S2=S6=ON。 当按下启动按钮,系统动作要求如下。 (1) Y 2=ON, 上面油缸的活塞向下运动,使S4=OFF。 (2) 当该油缸活塞下降到终点时,S3=ON,此时,启动左油缸,A 的活塞向右运动,右油缸C 的活塞向左运动。Y 1=Y 4=ON 时,Y 3=OFF,使S2=S6=OFF。 (3) 当A 缸活塞运行到终点S1=ON,并且C 缸活塞也到终点,S5=ON 时,原料已成型,各油缸活塞开始退回原位。首先,A、C 油缸返回,Y 1=Y 4=OFF,Y 3=ON,使S1=S5=OFF。 (4) 当A、C 油缸回到初始位置,S2=S6=ON 时,B 油缸返回,Y 2=OFF,使S3=OFF。 (5) 当B 油缸返回初始状态,S4=ON 时,系统回到初始状态,取出成品放入原料后,按动启动按钮,重新启动,开始下一工件的加工. 1.2 控制对象及自控成型机实验板介绍 自控成型机实验板各灯符号的说明和编号分配如下表: 表 1-1 自控成型机实验板各灯符号的说明和编号 符号 表示意义 符号 表示意义 S1 灯 油缸A 的关限位 Y 1 灯 控制 A 的电磁阀(A 是一个单向阀 S2 灯 油缸A 的开限位 Y 2 灯 控制 B 的电磁阀(B 是一个单向阀 S3 灯 油缸B 的关限位 Y 3 灯 控制 C 开电磁阀 S4 灯 油缸B 的开限位 Y 4 灯 控制 C 关电磁阀 S5 灯 油缸C 的关限位 S6 灯 油缸C 的开限位 2 自控成型机简要图示 图 1 -1 自控成型机实验机 3 2. 控制原理和控制思想与方法 2.1 控制原理介绍(图示) 运动框图: 图2-1 控制运动框图 2.2 控制思想,控制方法 自动成型系统是由工作台、油缸 A、B、C 以及相应的电磁阀和信号灯等几部分组成。该自动成型系统是利用油的压力来传递能量,以实现材料(如:钢筋)加工工艺的要求。该自动成型系统是利用PLC 控制油缸 A、B、C 的三个电磁阀有序的打开和关闭,以便使油进入或流出油缸,从而控制各油缸中活塞有序运动,活塞带动连杆运动,给相应的挡块一个压力,这样就可以使材料成型。 4 3.硬件设计 3.1 PLC 选择(I/O 地址表) 3.1.1 PLC 类型选择 FX2 的基本指令执行时间为0.74us,用户存储器容量可以扩展到8K 步,其中I/O 点数为128 点,99 条功能指令。有近1300 点的辅助继电器,100 点的状态继电器,256 点的顶时器,200 点的16 ...

1、当您付费下载文档后,您只拥有了使用权限,并不意味着购买了版权,文档只能用于自身使用,不得用于其他商业用途(如 [转卖]进行直接盈利或[编辑后售卖]进行间接盈利)。
2、本站所有内容均由合作方或网友上传,本站不对文档的完整性、权威性及其观点立场正确性做任何保证或承诺!文档内容仅供研究参考,付费前请自行鉴别。
3、如文档内容存在违规,或者侵犯商业秘密、侵犯著作权等,请点击“违规举报”。

碎片内容

plc自控成型机

小辰5+ 关注
实名认证
内容提供者

出售各种资料和文档

确认删除?
VIP
微信客服
  • 扫码咨询
会员Q群
  • 会员专属群点击这里加入QQ群
客服邮箱
回到顶部