电脑桌面
添加小米粒文库到电脑桌面
安装后可以在桌面快捷访问

恒温控制电路设计VIP免费

恒温控制电路设计_第1页
1/10
恒温控制电路设计_第2页
2/10
恒温控制电路设计_第3页
3/10
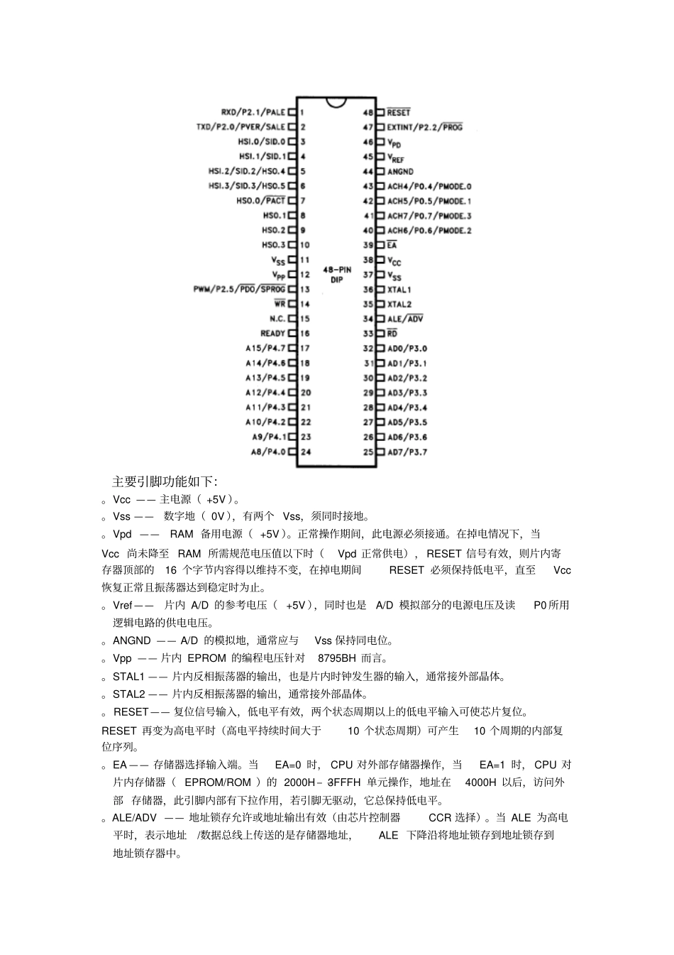
恒温控制电路设计一.概述:本设计的主要内容是用单片机系统进行温度实时采集与控制。温度信号由AD590K 和温度/电压转换电路提供,对AD590K 进行了精度优于正负0.1° C 的非线性补偿,温度实时控制采用分段非线性和积分分离PI 算法,其分段点是设定温度的函数。控制输出来用脉冲移相触发可控硅来调节加热丝有效功率。系统具备较高的测量精度和控制精度。二.实施方案 :本题目是设计制作一个恒温箱控制系统,为测量和温度调节方便,内加2L 纯净水,加热器为 100W 电炉。要求能在 40 度到 100 度范围内设定控制水温,静态控制精度为0.2°C,并具有较好的快速性与较小的超调.含有十进制数码管显示、温度曲线打印等功能。关键词:非线性补偿: 大多数被测参数与显示值之间呈现非线性关系,为了消除非线性误差,必须在仪表中加入非线性补偿电路。常用的方法有:模拟式非线性补偿法、非线性数模转换补偿法、数字式非线性补偿法等。分段非线性: 由于热敏电阻的阻值与温度之间的关系存在着非线性,需通过计算机进行非线性改正,消除非线性的影响。为克服非线性的影响,采用分段线性法补偿。如果该温度计的测量范围为5℃至 45℃,将整个温度测量范围等分为10 个小区间,每4 度为一个区间,在每个区间内温度与频率的关系可视为线性。过零检测光耦:过零检测光藕就是在交流电网过零检测光藕.在电网过零时干扰最小,不会影响模拟测量的结果,这种光耦是在直流电时导通的.它的前级结构是二极管。热惯性: 系统在升温过程中,加热器温度总是高于被控对象温度,在达到设定值后,即使减小或切断加热功率,加热器存储的热量在一定时间内仍然会使系统升温,降温有类似的反向过程,这称之为系统的热惯性。超调:系统在达到设定值后一般并不能立即稳定在设定值,而是超过设定值后经一定的过渡过程才重新稳定。传感器滞后是指由于传感器本身热传导特性或是由于传感器安装位置的原因,使传感器测量到的温度比系统实际的温度在时间上滞后,系统达到设定值后调节器无法立即作出反应,产生超调。三.主要元器件介绍:1.8098 单片机简介:80 年代中期,单片机的应用进入了16 位单片机的时代。Intel 公司继 MCS-51 单片机之后,于1983 年推出 16 位单片机 8098, 1988 年年底 Intel 公司推出了具有8 位机价格16 位机性能的8098 单片机,从而使MCS-96 系列单片机的应用有了飞跃性的突破。在此基础 上 , Intel公 司 又 推 出 ...

1、当您付费下载文档后,您只拥有了使用权限,并不意味着购买了版权,文档只能用于自身使用,不得用于其他商业用途(如 [转卖]进行直接盈利或[编辑后售卖]进行间接盈利)。
2、本站所有内容均由合作方或网友上传,本站不对文档的完整性、权威性及其观点立场正确性做任何保证或承诺!文档内容仅供研究参考,付费前请自行鉴别。
3、如文档内容存在违规,或者侵犯商业秘密、侵犯著作权等,请点击“违规举报”。

碎片内容

恒温控制电路设计

确认删除?
VIP
微信客服
  • 扫码咨询
会员Q群
  • 会员专属群点击这里加入QQ群
客服邮箱
回到顶部