电脑桌面
添加小米粒文库到电脑桌面
安装后可以在桌面快捷访问

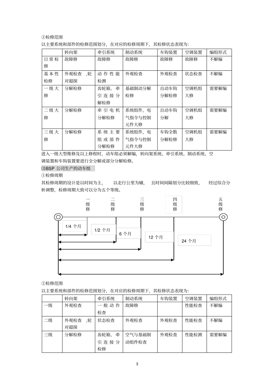
我国动车组检修体系VIP免费

我国动车组检修体系_第1页
1/7
我国动车组检修体系_第2页
2/7
我国动车组检修体系_第3页
3/7
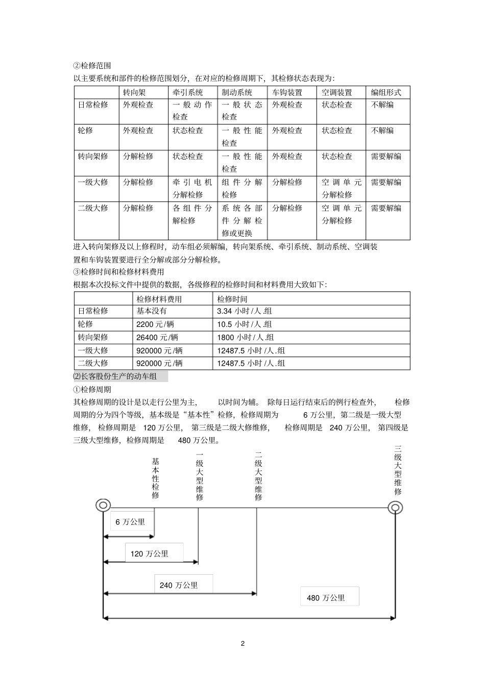
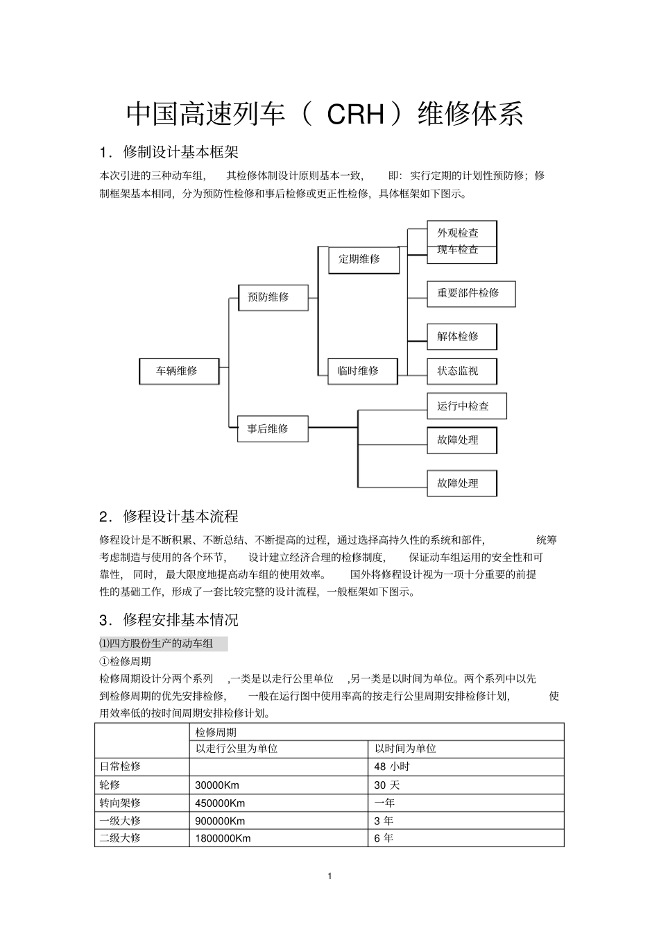
1 中国高速列车( CRH )维修体系1.修制设计基本框架本次引进的三种动车组,其检修体制设计原则基本一致,即:实行定期的计划性预防修;修制框架基本相同,分为预防性检修和事后检修或更正性检修,具体框架如下图示。2.修程设计基本流程修程设计是不断积累、不断总结、不断提高的过程,通过选择高持久性的系统和部件,统筹考虑制造与使用的各个环节,设计建立经济合理的检修制度,保证动车组运用的安全性和可靠性, 同时,最大限度地提高动车组的使用效率。国外将修程设计视为一项十分重要的前提性的基础工作,形成了一套比较完整的设计流程,一般框架如下图示。3.修程安排基本情况⑴四方股份生产的动车组①检修周期检修周期设计分两个系列,一类是以走行公里单位,另一类是以时间为单位。两个系列中以先到检修周期的优先安排检修,一般在运行图中使用率高的按走行公里周期安排检修计划,使用效率低的按时间周期安排检修计划。检修周期以走行公里为单位以时间为单位日常检修48 小时轮修30000Km 30 天转向架修450000Km 一年一级大修900000Km 3 年二级大修1800000Km 6 年车辆维修预防维修事后维修定期维修临时维修现车检查重要部件检修解体检修运行中检查故障处理故障处理状态监视外观检查2 ②检修范围以主要系统和部件的检修范围划分,在对应的检修周期下,其检修状态表现为:转向架牵引系统制动系统车钩装置空调装置编组形式日常检修外观检查一 般 动 作检查一 般 状 态检查外观检查状态检查不解编轮修外观检查状态检查一 般 性 能检查外观检查状态检查不解编转向架修分解检修状态检查一 般 性 能检查外观检查状态检查需要解编一级大修分解检修牵 引 电 机分解检修组 件 分 解检修分解检修空 调 单 元分解检修需要解编二级大修分解检修各 组 件 分解检修系 统 各 部件 分 解 检修或更换分解检修空 调 单 元分解检修需要解编进入转向架修及以上修程时,动车组必须解编,转向架系统、牵引系统、制动系统、空调装置和车钩装置要进行全分解或部分分解检修。③检修时间和检修材料费用根据本次投标文件中提供的数据,各级修程的检修时间和材料费用大致如下:检修材料费用检修时间日常检修基本没有3.34 小时 /人 .组轮修2200 元/辆10.5 小时 /人 .组转向架修26400 元/辆1800 小时 /人.组一级大修920000 元 /辆12487.5 小时 /人.组二级大修920000 元 /辆12487.5 小时 /人.组⑵长客股份生...

1、当您付费下载文档后,您只拥有了使用权限,并不意味着购买了版权,文档只能用于自身使用,不得用于其他商业用途(如 [转卖]进行直接盈利或[编辑后售卖]进行间接盈利)。
2、本站所有内容均由合作方或网友上传,本站不对文档的完整性、权威性及其观点立场正确性做任何保证或承诺!文档内容仅供研究参考,付费前请自行鉴别。
3、如文档内容存在违规,或者侵犯商业秘密、侵犯著作权等,请点击“违规举报”。

碎片内容

我国动车组检修体系

确认删除?
VIP
微信客服
  • 扫码咨询
会员Q群
  • 会员专属群点击这里加入QQ群
客服邮箱
回到顶部