电脑桌面
添加小米粒文库到电脑桌面
安装后可以在桌面快捷访问

STM32外设SDIO应用之SD卡VIP免费

STM32外设SDIO应用之SD卡_第1页
1/13
STM32外设SDIO应用之SD卡_第2页
2/13
STM32外设SDIO应用之SD卡_第3页
3/13
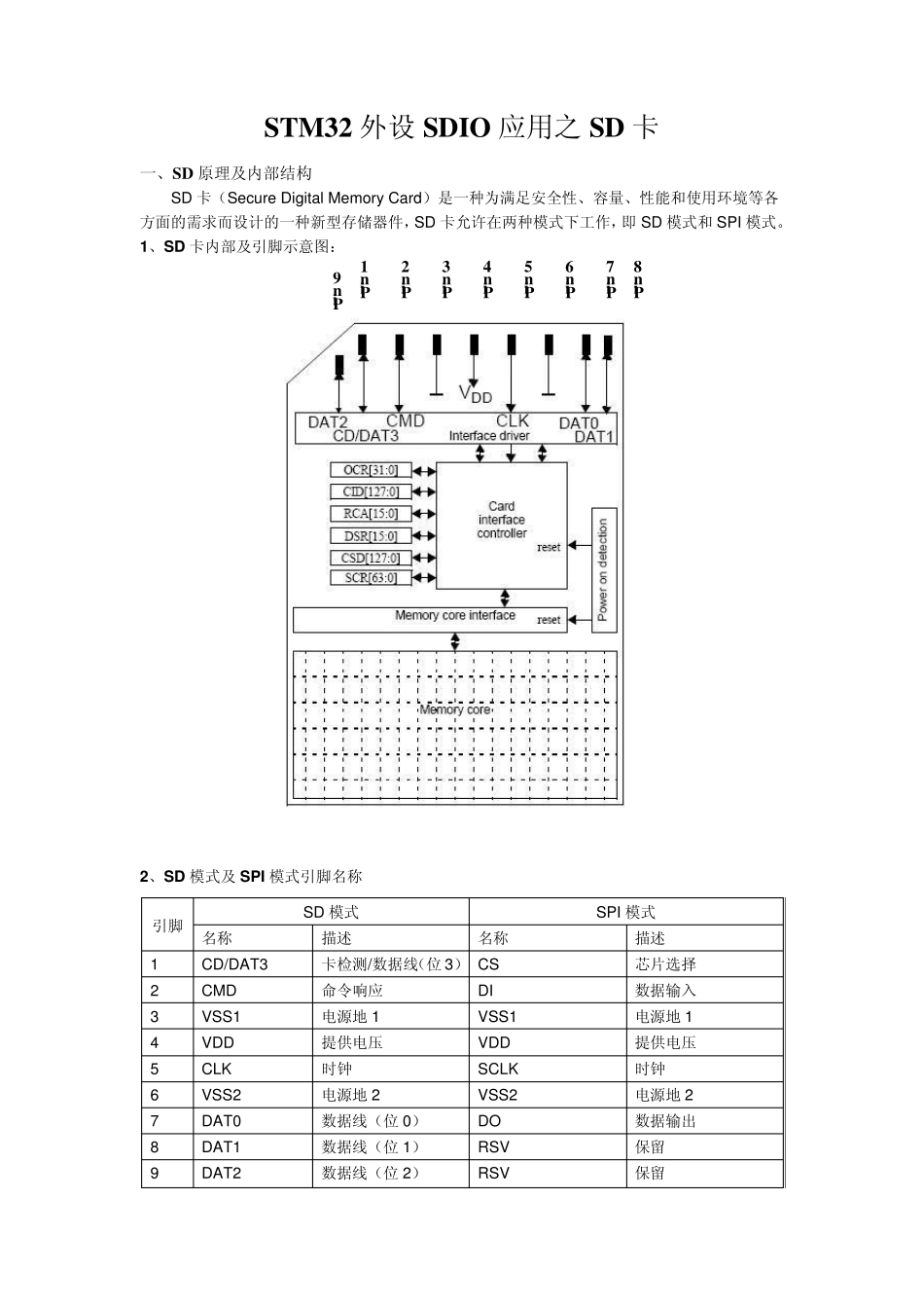
STM32 外设SDIO 应用之SD 卡 一、SD 原理及内部结构 SD 卡(Secure Digital Memory Card)是一种为满足安全性、容量、性能和使用环境等各方面的需求而设计的一种新型存储器件,SD 卡允许在两种模式下工作,即 SD 模式和 SPI 模式。1、S D 卡内部及引脚示意图: 2、S D 模式及 S P I 模式引脚名称 引脚 SD 模式 SPI 模式 名称 描述 名称 描述 1 CD/DAT3 卡检测/数据线(位 3) CS 芯片选择 2 CMD 命令响应 DI 数据输入 3 VSS1 电源地 1 VSS1 电源地 1 4 VDD 提供电压 VDD 提供电压 5 CLK 时钟 SCLK 时钟 6 VSS2 电源地 2 VSS2 电源地 2 7 DAT0 数据线(位 0) DO 数据输出 8 DAT1 数据线(位 1) RSV 保留 9 DAT2 数据线(位 2) RSV 保留 Pin 3 Pin 8 Pin 7 Pin 6 Pin 5 Pin 4 Pin 2 Pin 1 Pin 9 3、Micro SD 引脚示意图及模式区别: 二、SD 模式 1、STM32 的 SDIO 适配器原理框图: 2、SD 命令格式 引脚 SD 模式 SPI 模式 名称 描述 名称 描述 1 DAT2 数据线(位 2) RSV 保留 2 CD/DAT3 卡检测/数据线(位 3) CS 芯片选择 3 CMD 命令响应 DI 数据输入 4 VDD 提供电压 VDD 提供电压 5 CLK 时钟 SCLK 时钟 6 VSS 电源地 VSS 电源地 7 DAT0 数据线(位 0) DO 数据输出 8 DAT1 数据线(位 1) RSV 保留 位 47 46 [45:40] [39:8] [7:1] 0 宽度 1 1 6 32 7 1 数值 0 1 - - - 1 说明 开始位 传输位 命令索引 参数 CRC7 结束位 3、SD 通用命令 命令索引 类型 参数 响应格式 缩写 说明 CMD0 bc [31:0] 填充位 - GO_IDLE_STATE 重置所有卡为空闲状态 CMD2 bcr [31:0] 填充位 R2 ALL_SEND_CID 要求所有卡发送 CID 号(任何连在总线上的卡都必须响应) CMD3 bcr [31:0] 填充位 R6 SEND_RELATIVE_ADDR 要求卡发送一个新的相对地址(RCA) CMD4 bc [31:16] DSR [15:0] 填充位 - SET_DSR 规划所有卡的 DSR CMD7 ac [31:16] RCA [15:0] 填充位 R1b SELECT/DESELECT_CARD 使卡在备用和传输状态或者编程和断开状态之间切换。在这两种情况下,当接收到的相对地址与自己的相同时卡被选中,不同时卡取消选中,而相对地址是0时,所有卡都不被选中,之后主机可能会执行如下操作: 1、使用其它的相对地址...

1、当您付费下载文档后,您只拥有了使用权限,并不意味着购买了版权,文档只能用于自身使用,不得用于其他商业用途(如 [转卖]进行直接盈利或[编辑后售卖]进行间接盈利)。
2、本站所有内容均由合作方或网友上传,本站不对文档的完整性、权威性及其观点立场正确性做任何保证或承诺!文档内容仅供研究参考,付费前请自行鉴别。
3、如文档内容存在违规,或者侵犯商业秘密、侵犯著作权等,请点击“违规举报”。

碎片内容

STM32外设SDIO应用之SD卡

您可能关注的文档

确认删除?
VIP
微信客服
  • 扫码咨询
会员Q群
  • 会员专属群点击这里加入QQ群
客服邮箱
回到顶部