电脑桌面
添加小米粒文库到电脑桌面
安装后可以在桌面快捷访问

sy42042016油气田集输管道工程质量验收表格VIP免费

sy42042016油气田集输管道工程质量验收表格_第1页
1/37
sy42042016油气田集输管道工程质量验收表格_第2页
2/37
sy42042016油气田集输管道工程质量验收表格_第3页
3/37
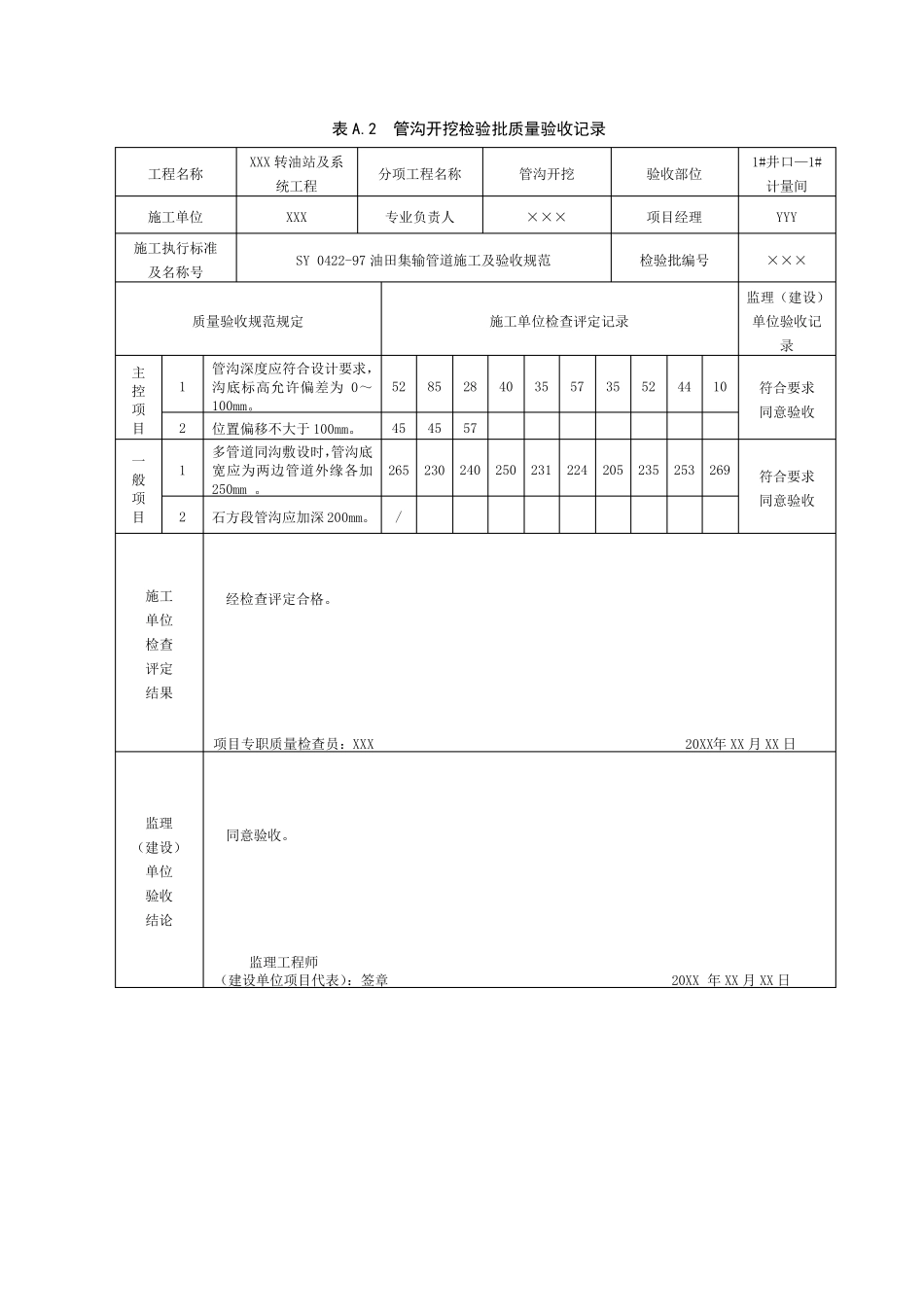
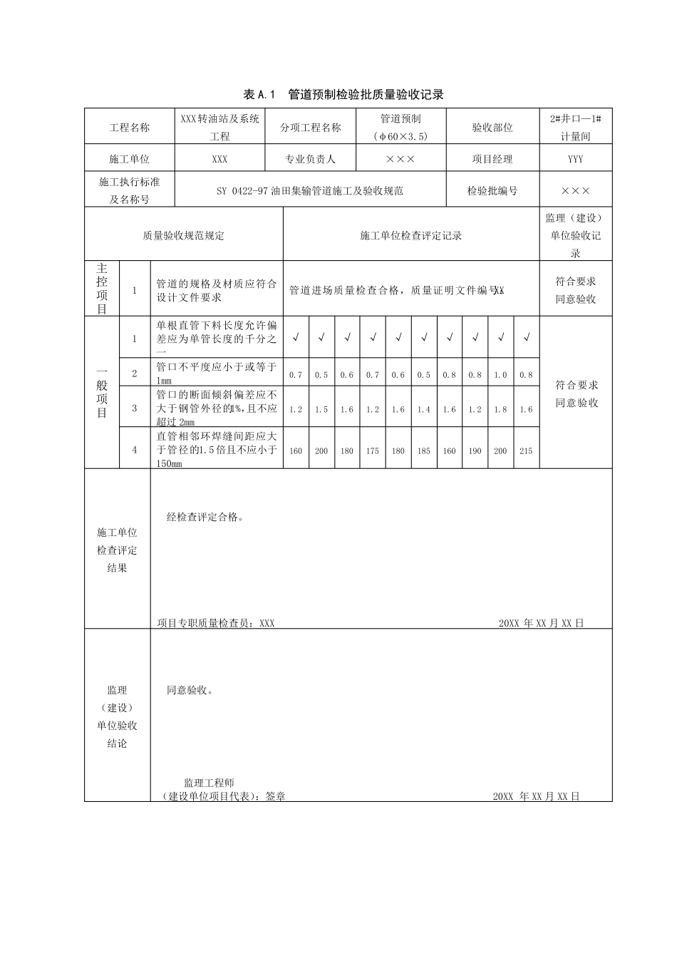
表A.1 管道预制检验批质量验收记录 工程名称 XXX转油站及系统工程 分项工程名称 管道预制 (φ60×3.5) 验收部位 2#井口—1#计量间 施工单位 XXX 专业负责人 ××× 项目经理 YYY 施工执行标准 及名称号 SY 0422-97 油田集输管道施工及验收规范 检验批编号 ××× 质量验收规范规定 施工单位检查评定记录 监理(建设)单位验收记录 主控项 目 1 管道的规格及材质应符合设计文件要求 管道进场质量检查合格,质量证明文件编号:XX 符合要求 同意验收 一般项目 1 单根直管下料长度允许偏差应为单管长度的千分之一 √ √ √ √ √ √ √ √ √ √ 符合要求 同意验收 2 管口不平度应小于或等于1mm 0.7 0.5 0.6 0.7 0.6 0.5 0.8 0.8 1.0 0.8 3 管口的断面倾斜偏差应不大于钢管外径的1%,且不应超过 2mm 1.2 1.5 1.6 1.2 1.6 1.4 1.6 1.2 1.8 1.6 4 直管相邻环焊缝间距应大于管径的1.5 倍且不应小于150mm 160 200 180 175 180 185 160 190 200 215 施工单位 检查评定 结果 经检查评定合格。 项目专职质量检查员:XXX 20XX 年 XX 月 XX 日 监理 (建设) 单位验收 结论 同意验收。 监理工程师 (建设单位项目代表):签章 20XX 年 XX 月 XX 日 表A.2 管沟开挖检验批质量验收记录 工程名称 XXX 转油站及系统工程 分项工程名称 管沟开挖 验收部位 1#井口—1#计量间 施工单位 XXX 专业负责人 ××× 项目经理 YYY 施工执行标准 及名称号 SY 0422-97 油田集输管道施工及验收规范 检验批编号 ××× 质量验收规范规定 施工单位检查评定记录 监理(建设)单位验收记录 主 控 项 目 1 管沟深度应符合设计要求,沟底标高允许偏差为 0~100mm。 52 85 28 40 35 57 35 52 44 10 符合要求 同意验收 2 位置偏移不大于 100mm。 45 45 57 一 般 项 目 1 多管道同沟敷设时,管沟底宽应为两边管道外缘各加250mm 。 265 230 240 250 231 224 205 235 253 269 符合要求 同意验收 2 石方段管沟应加深 200mm。 / 施工 单位 检查 评定 结果 经检查评定合格。 项目专职质量检查员:XXX 20XX年 XX 月 XX 日 监理 (建设) 单位 验收 结论 同意验收。 监理工程师 (建设单位项目代表):签章 20XX 年 XX 月 XX 日 表A.3 管道组对检验批质量验收记录 工程名称...

1、当您付费下载文档后,您只拥有了使用权限,并不意味着购买了版权,文档只能用于自身使用,不得用于其他商业用途(如 [转卖]进行直接盈利或[编辑后售卖]进行间接盈利)。
2、本站所有内容均由合作方或网友上传,本站不对文档的完整性、权威性及其观点立场正确性做任何保证或承诺!文档内容仅供研究参考,付费前请自行鉴别。
3、如文档内容存在违规,或者侵犯商业秘密、侵犯著作权等,请点击“违规举报”。

碎片内容

sy42042016油气田集输管道工程质量验收表格

您可能关注的文档

确认删除?
VIP
微信客服
  • 扫码咨询
会员Q群
  • 会员专属群点击这里加入QQ群
客服邮箱
回到顶部