电脑桌面
添加小米粒文库到电脑桌面
安装后可以在桌面快捷访问

TT系统、TN系统、IT系统的区别VIP免费

TT系统、TN系统、IT系统的区别_第1页
1/6
TT系统、TN系统、IT系统的区别_第2页
2/6
TT系统、TN系统、IT系统的区别_第3页
3/6
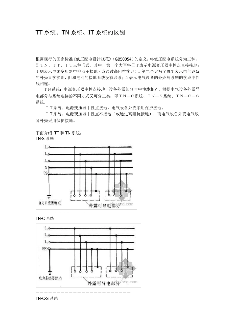
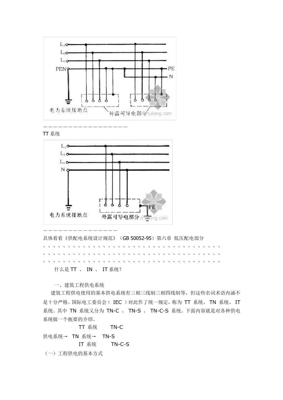
TT 系统、TN 系统、IT 系统的区别 根据现行的国家标准《低压配电设计规范》(GB50054)的定义,将低压配电系统分为三种,即TN、TT、IT三种形式。其中,第一个大写字母T表示电源变压器中性点直接接地;I则表示电源变压器中性点不接地(或通过高阻抗接地)。第二个大写字母T表示电气设备的外壳直接接地,但和电网的接地系统没有联系;N表示电气设备的外壳与系统的接地中性线相连。 TN系统:电源变压器中性点接地,设备外露部分与中性线相连。根据电气设备外露导电部分与系统连接的不同方式又可分三类:即TN— C系统、TN— S系统、TN— C— S系统。 TT系统:电源变压器中性点接地,电气设备外壳采用保护接地。 IT系统:电源变压器中性点不接地(或通过高阻抗接地),而电气设备外壳电气设备外壳采用保护接地。 下面介绍 TT 和 TN 系统: TN-S 系统 ------------ TN-C 系统 ----------------------- TN-C-S 系统 ----------------- TT 系统 --------------- 具体看看《供配电系统设计规范》(GB 50052-95)第六章 低压配电部分 、、、、、、、、、、、、、、、、、、、、、、、、、、、、、、、、、、、、 、、、、、、、、、、、、、、、、、、、、、、、、、、、、、、、、、、、、 、、、、、、、、、、、、、、、、、、、、、、、、、、、、、、、、、、、、 什么是TT 、 IN 、 IT 系统? 一、建筑工程供电系统 建筑工程供电使用的基本供电系统有三相三线制三相四线制等,但这些名词术语内涵不是十分严格。国际电工委员会( IEC )对此作了统一规定,称为 TT 系统、 TN 系统、 IT 系统。其中 TN 系统又分为 TN-C 、 TN-S 、 TN-C-S 系统。下面内容就是对各种供电系统做一个扼要的介绍。 TT 系统 TN-C 供电系统→ TN 系统→ TN-S IT 系统 TN-C-S (一)工程供电的基本方式 根 据 IEC 规 定 的 各 种 保 护 方 式 、术 语 概 念 ,低 压 配 电 系 统 按 接 地 方 式 的 不 同 分 为 三 类 ,即 TT 、 TN 和 IT 系 统 , 分 述 如 下 。 ( 1 ) TT 方 式 供 电 系 统 TT 方 式 是 指 将 电 气 设 备 的 金 属 外 壳 直 接 接 地 的 保 护 系统 , 称 为 保 护 接 地 系 统 , ...

1、当您付费下载文档后,您只拥有了使用权限,并不意味着购买了版权,文档只能用于自身使用,不得用于其他商业用途(如 [转卖]进行直接盈利或[编辑后售卖]进行间接盈利)。
2、本站所有内容均由合作方或网友上传,本站不对文档的完整性、权威性及其观点立场正确性做任何保证或承诺!文档内容仅供研究参考,付费前请自行鉴别。
3、如文档内容存在违规,或者侵犯商业秘密、侵犯著作权等,请点击“违规举报”。

碎片内容

TT系统、TN系统、IT系统的区别

小辰3+ 关注
实名认证
内容提供者

出售各种资料和文档

确认删除?
VIP
微信客服
  • 扫码咨询
会员Q群
  • 会员专属群点击这里加入QQ群
客服邮箱
回到顶部