电脑桌面
添加小米粒文库到电脑桌面
安装后可以在桌面快捷访问

抗拔桩检测方案VIP免费

抗拔桩检测方案_第1页
1/9
抗拔桩检测方案_第2页
2/9
抗拔桩检测方案_第3页
3/9
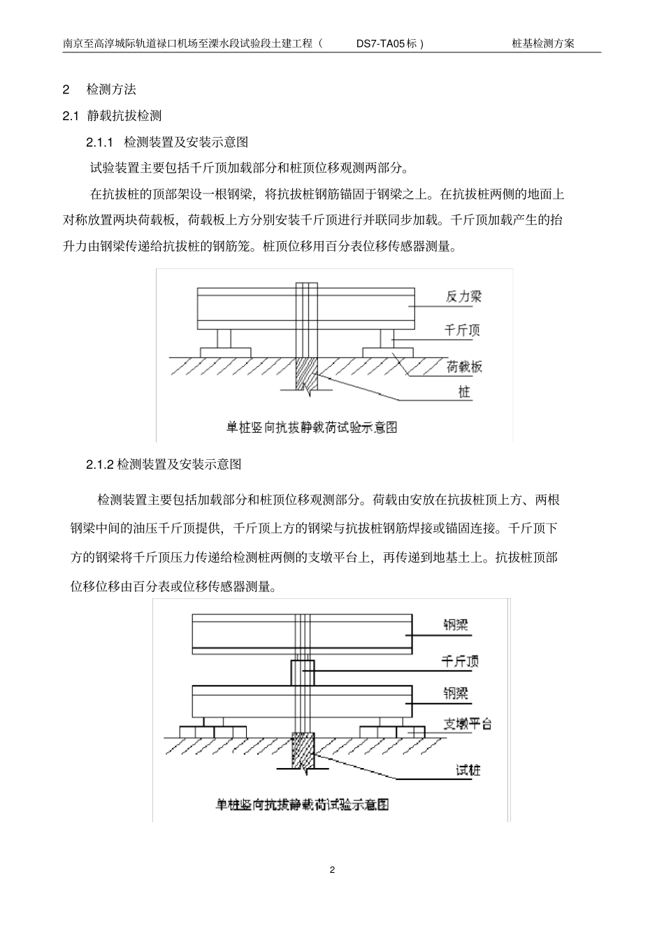
南京至高淳城际轨道禄口机场至溧水段试验段土建工程( DS7-TA05标)桩基检测方案编制:审核:审批:中铁十四局集团有限公司二○一四年十月二十日南京至高淳城际轨道禄口机场至溧水段试验段土建工程(DS7-TA05标 ) 桩基检测方案1 桩基检测方案1工程概况1.1 工程名称:南京至高淳城际轨道禄口机场至溧水段试验段土建工程(DS7-TA05标)1.2 建设单位:南京地铁建设有限责任公司1.3 建设地点:金龙路站~无想山站1.4 工程概况:本标段二站一区间,金龙路站、无想山站和金龙路站~无想山站区间。金龙路站采用Φ 1000 钻孔灌注桩,混凝土等级为C35P8水下,有效桩长 5m。设计抗拔承载力特征值为: 1000KN(KBZ1~9a、15~22a)、 2400KN(KBZ10~ 14)。金龙路站桩数总计127 根。无想山站采用Φ 1000 钻孔灌注桩,混凝土等级为C35P8水下,有效桩长 5m。设计抗拔承载力特征值为: 1000KN(KBZ1~KBZ5)、 2400KN(KBZ6~KBZ25)。无想山站桩数总计90 根。无想山站抗拔桩平面布置见图2-2 。1.5 检测项目及数量:基础类型直径 (mm)检测项目总数量检测数量备注抗拔桩1000 低应变217 根217 根100%检测抗拔桩1000 静载抗拔217 根3 根1%且不少于 3 根1.6 检测依据:《建筑基桩检测技术规范》JGJ106-2014 《建筑地基基础处理技术规范》JGJ79-2012 《建筑基桩技术规范》 JGJ94-2008 《建筑地基基础检测规程》DGJ32/TJ 142-2012 《建筑地基基础设计规范》GB50007-2011 《钻孔灌注桩成孔、地下连续墙成槽质量检测技术规程》DGJ32/TJ117-2011 《南京轨道交通工程建设质量检测项目和频率规定》2014 年版本工程设计图纸1.7 检测任务:低应变检测:通过低应变动测对试桩完整性进行检测,以确定试桩的完整性和可靠性。抗拔检测: 测试试验桩单桩竖向抗拔最大值,提供单桩竖向抗拔承载力极限值和特征值;测定单桩竖向荷载作用下的荷载和变形;判定单桩竖向抗拔承载力是否满足设计要求。南京至高淳城际轨道禄口机场至溧水段试验段土建工程(DS7-TA05标 ) 桩基检测方案2 2检测方法2.1 静载抗拔检测2.1.1 检测装置及安装示意图试验装置主要包括千斤顶加载部分和桩顶位移观测两部分。在抗拔桩的顶部架设一根钢梁,将抗拔桩钢筋锚固于钢梁之上。在抗拔桩两侧的地面上对称放置两块荷载板,荷载板上方分别安装千斤顶进行并联同步加载。千斤顶加载产生的抬升力由钢梁传递给抗拔桩的钢筋笼。桩顶位移用百分表位移传感器测量。2.1....

1、当您付费下载文档后,您只拥有了使用权限,并不意味着购买了版权,文档只能用于自身使用,不得用于其他商业用途(如 [转卖]进行直接盈利或[编辑后售卖]进行间接盈利)。
2、本站所有内容均由合作方或网友上传,本站不对文档的完整性、权威性及其观点立场正确性做任何保证或承诺!文档内容仅供研究参考,付费前请自行鉴别。
3、如文档内容存在违规,或者侵犯商业秘密、侵犯著作权等,请点击“违规举报”。

碎片内容

抗拔桩检测方案

您可能关注的文档

确认删除?
VIP
微信客服
  • 扫码咨询
会员Q群
  • 会员专属群点击这里加入QQ群
客服邮箱
回到顶部