电脑桌面
添加小米粒文库到电脑桌面
安装后可以在桌面快捷访问

抗滑桩地基验槽记录全VIP免费

抗滑桩地基验槽记录全_第1页
1/17
抗滑桩地基验槽记录全_第2页
2/17
抗滑桩地基验槽记录全_第3页
3/17
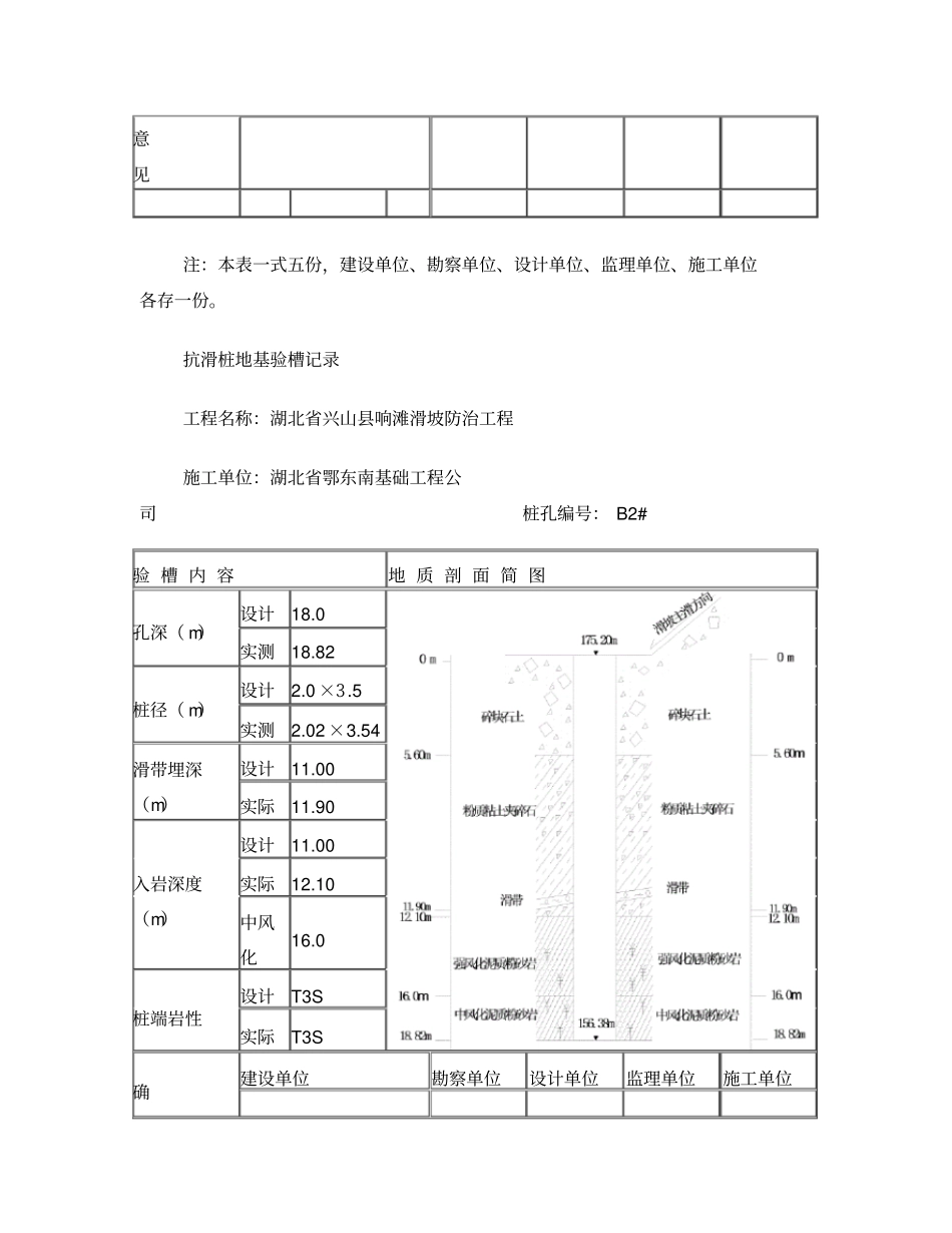
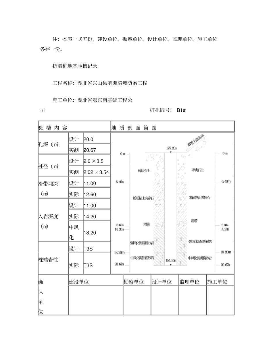
抗滑桩地基验槽记录工程名称:湖北省兴山县响滩滑坡防治工程施工单位:湖北省鄂东南基础工程公司桩孔编号: B24# 验 槽 内 容地 质 剖 面 简 图孔深( m)设计16.0 实测16.0 桩径( m)设计2.00 ×3.50实测2.01 ×3.51滑带埋深(m)设计11.0 实际10.60 入岩深度(m)设计11.0 实际10.60 中风化11.0 桩端岩性设计T3S 实际T3S 确认单位意见建设单位勘察单位设计单位监理单位施工单位注:本表一式五份,建设单位、勘察单位、设计单位、监理单位、施工单位各存一份。抗滑桩地基验槽记录工程名称:湖北省兴山县响滩滑坡防治工程施工单位:湖北省鄂东南基础工程公司桩孔编号: B1# 验 槽 内 容地 质 剖 面 简 图孔深( m)设计20.0 实测20.67 桩径( m)设计2.0 ×3.5实测2.02 ×3.54滑带埋深(m)设计11.00 实际12.60 入岩深度(m)设计11.00 实际14.20 中风化18.20 桩端岩性设计T3S 实际T3S 确认单位建设单位勘察单位设计单位监理单位施工单位意见注:本表一式五份,建设单位、勘察单位、设计单位、监理单位、施工单位各存一份。抗滑桩地基验槽记录工程名称:湖北省兴山县响滩滑坡防治工程施工单位:湖北省鄂东南基础工程公司桩孔编号: B2# 验 槽 内 容地 质 剖 面 简 图孔深( m)设计18.0 实测18.82 桩径( m)设计2.0 ×3.5 实测2.02 ×3.54滑带埋深(m)设计11.00 实际11.90 入岩深度(m)设计11.00 实际12.10 中风化16.0 桩端岩性设计T3S 实际T3S 确建设单位勘察单位设计单位监理单位施工单位认单位意见注:本表一式五份,建设单位、勘察单位、设计单位、监理单位、施工单位各存一份。抗滑桩地基验槽记录工程名称:湖北省兴山县响滩滑坡防治工程施工单位:湖北省鄂东南基础工程公司桩孔编号: B3# 验 槽 内 容地 质 剖 面 简 图孔深( m)设计16.0 实测15.99 桩径( m)设计2.0 ×3.5实测2.02 ×3.54滑带埋深(m)设计11.00 实际10.60 入岩深度(m)设计11.00 实际11.90 中风化13.62 桩端岩性设计T3S 实际T3S 确认单位意见建设单位勘察单位设计单位监理单位施工单位注:本表一式五份,建设单位、勘察单位、设计单位、监理单位、施工单位各存一份。抗滑桩地基验槽记录工程名称:湖北省兴山县响滩滑坡防治工程施工单位:湖北省鄂东南基础工程公司桩孔编号: B4# 验 槽 内 容地 质 剖 面 简 图孔深( m)设计16.00 实测15.50 桩径( m...

1、当您付费下载文档后,您只拥有了使用权限,并不意味着购买了版权,文档只能用于自身使用,不得用于其他商业用途(如 [转卖]进行直接盈利或[编辑后售卖]进行间接盈利)。
2、本站所有内容均由合作方或网友上传,本站不对文档的完整性、权威性及其观点立场正确性做任何保证或承诺!文档内容仅供研究参考,付费前请自行鉴别。
3、如文档内容存在违规,或者侵犯商业秘密、侵犯著作权等,请点击“违规举报”。

碎片内容

抗滑桩地基验槽记录全

确认删除?
VIP
微信客服
  • 扫码咨询
会员Q群
  • 会员专属群点击这里加入QQ群
客服邮箱
回到顶部