电脑桌面
添加小米粒文库到电脑桌面
安装后可以在桌面快捷访问

二次结构电气配管技术交底VIP免费

二次结构电气配管技术交底_第1页
1/17
二次结构电气配管技术交底_第2页
2/17
二次结构电气配管技术交底_第3页
3/17
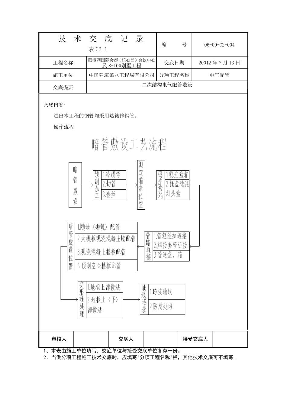
技 术 交 底 记 录 表C2-1 编 号 06-00-C2-004 工程名称 雁栖湖国际会都(核心岛)会议中心 及8-10#别墅工程 交底日期 20012 年7 月13 日 施工单位 中国建筑第八工程局有限公司 分项工程名称 电气配管 交底提要 二次结构电气配管敷设 审核人 交底人 接受交底人 1、本表由施工单位填写,交底单位与接受交底单位各存一份。 2、当做分项工程施工技术交底时,应填写"分项工程名称"栏,其他技术交底可不填写。 交底内容: 进出本工程的钢管均采用热镀锌钢管。 操作流程 技 术 交 底 记 录 表C2-1 编 号 06-00-C2-004 工程名称 雁栖湖国际会都(核心岛)会议中心 及 8-10#别墅工程 交底日期 20012 年 7 月 13 日 施工单位 中国建筑第八工程局有限公司 分项工程名称 电气配管 交底提要 二次结构电气配管敷设 审核人 交底人 接受交底人 1、本表由施工单位填写,交底单位与接受交底单位各存一份。 2、当做分项工程施工技术交底时,应填写"分项工程名称"栏,其他技术交底可不填写。 技 术 交 底 记 录 表C2-1 编 号 06-00-C2-004 工程名称 雁栖湖国际会都(核心岛)会议中心 及8-10#别墅工程 交底日期 20012 年7 月13 日 施工单位 中国建筑第八工程局有限公司 分项工程名称 电气配管 交底提要 二次结构电气配管敷设 审核人 交底人 接受交底人 1、本表由施工单位填写,交底单位与接受交底单位各存一份。 2、当做分项工程施工技术交底时,应填写"分项工程名称"栏,其他技术交底可不填写。 一、施工准备 (一)材料要求 1 镀锌钢管壁厚均匀,焊缝均匀,无劈裂、砂眼、棱刺和凹扁现象。镀锌管外表层完整,无剥落现象,并具有产品材质单和合格证。 2 管箍使用通丝管箍。丝扣清晰不乱扣,镀锌层完整无剥落,无劈裂,两端光滑无毛刺,并有产品合格证。 3 锁紧螺母(根母)外形完好无损,丝扣清晰,并有产品合格证。 4 铁制灯头盒、开关盒、接线盒等,金属板厚度应不小于1.2mm,镀锌层无剥落,无变形开焊,敲落孔完整无缺,面板安装孔与地线焊接脚齐全,并有产品合格证。并有CCC认证。 5 面板、盖板的规 格、高 与宽 、安装孔距 应与所 用盒配套 ,外形完整无损,板面颜 色均匀一致 ,并有产品合格证。 6 圆 钢、扁钢、角 钢等材质应符 合国家 有关规 范 要求,镀锌层完整无损,并有产品合格证。 7 螺栓 、螺丝、胀 管螺栓 、螺母、垫...

1、当您付费下载文档后,您只拥有了使用权限,并不意味着购买了版权,文档只能用于自身使用,不得用于其他商业用途(如 [转卖]进行直接盈利或[编辑后售卖]进行间接盈利)。
2、本站所有内容均由合作方或网友上传,本站不对文档的完整性、权威性及其观点立场正确性做任何保证或承诺!文档内容仅供研究参考,付费前请自行鉴别。
3、如文档内容存在违规,或者侵犯商业秘密、侵犯著作权等,请点击“违规举报”。

碎片内容

二次结构电气配管技术交底

您可能关注的文档

确认删除?
VIP
微信客服
  • 扫码咨询
会员Q群
  • 会员专属群点击这里加入QQ群
客服邮箱
回到顶部