电脑桌面
添加小米粒文库到电脑桌面
安装后可以在桌面快捷访问

二级圆锥圆柱齿轮减速器(带式输送机传动系统)VIP免费

二级圆锥圆柱齿轮减速器(带式输送机传动系统)_第1页
1/23
二级圆锥圆柱齿轮减速器(带式输送机传动系统)_第2页
2/23
二级圆锥圆柱齿轮减速器(带式输送机传动系统)_第3页
3/23
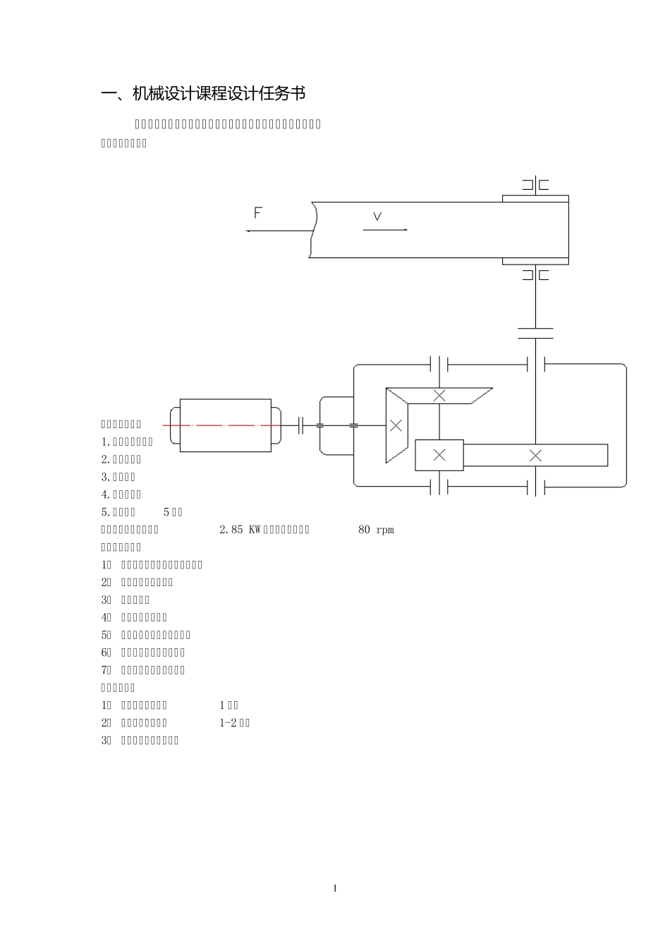
1 一 、机械设计课程设计任务书 设计带式运输机传动装置(两级锥齿轮—斜齿圆柱齿轮减速器) 一、总体布置简图 二、工作条件: 1.连续单向运转。 2.载荷平稳。 3.两班制。 4.结构紧凑。 5.工作寿命5 年。 三、工作机输入功率:2.85 KW 工作机输入转速:80 rpm 四、设计内容: 1、 电动机选择与运动参数的计算; 2、 齿轮传动设计计算; 3、 轴的设计; 4、 滚动轴承的选择; 5、 键和联轴器的选择与校核; 6、 装配图、零件图的绘制; 7、 设计计算说明书的编写; 五、设计任务 1、 绘制减速器装配图1 张。 2、 绘制减速器零件图1-2 张。 3、 编写设计说明书一份。 2 计算与说明 主要结果 二、电动机的选择 1、电动机转速的确定 工作机转速:80rpm 锥齿轮圆柱齿轮减速器传动比范围一般为 i=10~25 最大值为:40 故电动机转速应在innd 范围内即:800~2000 rpm 最大值:3600rpm 根据电动机的选择原则应选择:Y 系列三相笼型异步电动机 2、电动机功率的确定 查《机械设计课程设计》表 12-8 名称 数量 效率 代号 斜齿圆柱齿轮 1 0.94~0.99 1 锥齿轮 1 0.92~0.98 N2 联轴器 2 0.95~0.995 N3 轴承 4 0.98 N4 卷筒 1 0.94~0.97 N5 计算得传动的装置的总效率:5242321nnnnnn 8949936.06494977.0maxmin 工作机输入功率:kwPw85.2 所需电动机输出功率为awdPP算得:1843803.33880063.4maxmaxddPP 即:电动机转速:800~2000rpm 最大值:36000rpm 电动机功率:3.1843803~403880063 查《机械设计课程设计》表 12-1(机械设计课程设计手册 P173) 最后确定电机 Y 系列三相异步电动机,型号为 Y112M-4,额定功率 4kW,满载转速mn1440r/min。 三、传动系统的运动和动力参数计算 1、分配各级传动比 电动机满载转速mn1440r/min。工作机主动轴转速:rmpnw80 总传动比18801440 wznnim 查书得推荐值:zii25.01 ,且31 i, 同 步 转 速 为1440r/min 确定电机 Y 系列三 相 异 步 电 动机 , 型 号 为Y112M-4,额定功率 4kW,满载转速mn1440r/min。 31 i,62 i 3 得31 i,62 i,满足要求。 2、由传动比分配结果计算轴速innm 3、分别取:80.0799726.096.098.099.095.097.054321nnnnnn 各轴输入功率dPP  各轴输入转矩nPT9550 将计算结果列...

1、当您付费下载文档后,您只拥有了使用权限,并不意味着购买了版权,文档只能用于自身使用,不得用于其他商业用途(如 [转卖]进行直接盈利或[编辑后售卖]进行间接盈利)。
2、本站所有内容均由合作方或网友上传,本站不对文档的完整性、权威性及其观点立场正确性做任何保证或承诺!文档内容仅供研究参考,付费前请自行鉴别。
3、如文档内容存在违规,或者侵犯商业秘密、侵犯著作权等,请点击“违规举报”。

碎片内容

二级圆锥圆柱齿轮减速器(带式输送机传动系统)

确认删除?
VIP
微信客服
  • 扫码咨询
会员Q群
  • 会员专属群点击这里加入QQ群
客服邮箱
回到顶部