电脑桌面
添加小米粒文库到电脑桌面
安装后可以在桌面快捷访问

斜齿圆柱齿轮减速器结构设计说明 机械工程及自动化专业

斜齿圆柱齿轮减速器结构设计说明 机械工程及自动化专业_第1页
1/11
斜齿圆柱齿轮减速器结构设计说明 机械工程及自动化专业_第2页
2/11
斜齿圆柱齿轮减速器结构设计说明 机械工程及自动化专业_第3页
3/11
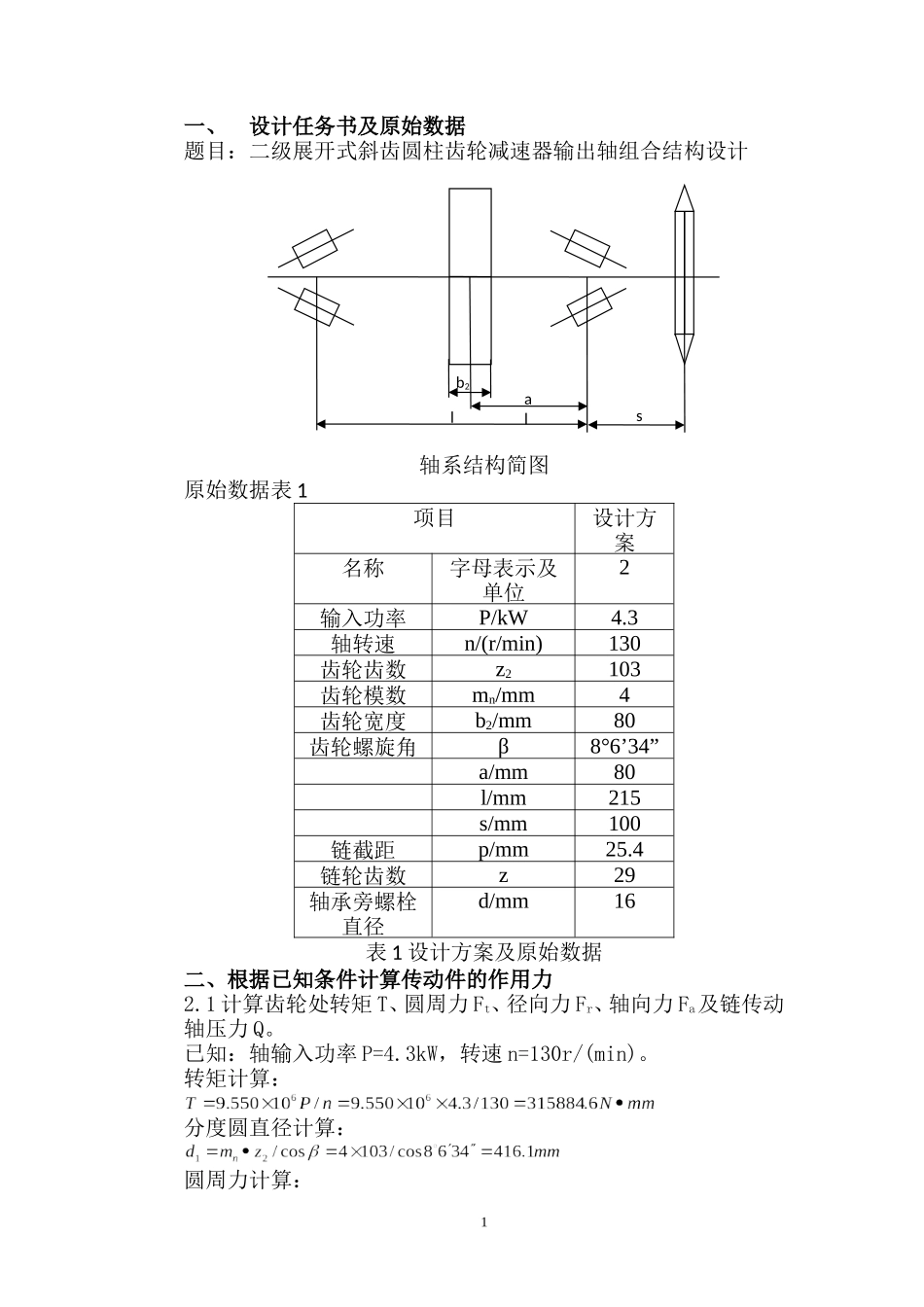
斜齿圆柱齿轮减速器结构设计说明 机械工程及自动化 专业 1一、设计任务书及原始数据题目:二级展开式斜齿圆柱齿轮减速器输出轴组合结构设计轴系结构简图原始数据表 1项目设计方案名称字母表示及单位2输入功率P/kW4.3轴转速n/(r/min)130齿轮齿数z2103齿轮模数mn/mm4齿轮宽度b2/mm80齿轮螺旋角β8°6’34”a/mm80l/mm215s/mm100链截距p/mm25.4链轮齿数z29轴承旁螺栓直径d/mm16表 1 设计方案及原始数据二、根据已知条件计算传动件的作用力2.1 计算齿轮处转矩 T、圆周力 Ft、径向力 Fr、轴向力 Fa及链传动轴压力 Q。已知:轴输入功率 P=4.3kW,转速 n=130r/(min)。转矩计算:分度圆直径计算:圆周力计算:lsb2al1径向力计算:轴向力计算:轴压力计算:计算公式为:由于转速小,冲击不大,因此取 KQ=1.2,带入数值得:轴受力分析简图2.2 计算支座反力1、计算垂直面(XOZ)支反力2、计算垂直面(XOY)支反力3、计算垂直面(YOZ)支反力Ra=0N三、初选轴的材料,确定材料机械性能初选材料及机械性能见表 2材料牌号45 号热处理调质毛坯直径/mm≤200硬度/HBS217~255σB/MPa637σs/MPa353σ-1/MPa268τ-1/MPa155[σ+1] /MPa216QR2zR2yRrRtRaR1yR1z2[σ0] /MPa98[σ-1] /MPa59四、进行轴的结构设计4.1 确定最小直径按照扭转强度条件计算轴的最小值 dmin。其设计公式为查表 8-2,因弯矩较大故 A0取大值 118,带入计算得:因开有键槽,轴径需增大 5%得:D=40.01mm圆整成标准值得:D1=45mm4.2 设计其余各轴段的直径和长度,且初选轴承型号1、设计直径考虑轴上零件的固定、装拆及加工工艺要求。首先考虑轴承选型,其直径末尾数必须是 0、5,且为了便于计算,故 D3 初取60mm。考虑链轮及轴承 2 的固定,故 D2 取 55。考虑齿轮由轴套固定,故 D4 取 62。考虑轴承选型相同及齿轮固定问题 D5 取 70,D6取 66,D7 取 60。2、设计各轴段长度考虑齿轮的拆装与定位 L4 取 78。考虑最左侧轴承的拆装与定位 L7 取 25。考虑链轮宽度 B=72,L1 取 70。考虑轴承 2 与齿轮的相对位置及轴承 2 的左端固定 L3 取 54。考虑链轮与轴承 2 的相对位置及轴承 2 的右端固定,故 L2 取 52。考虑齿轮左端固定及轴环强度问题,L5 取 8。考虑齿轮与轴承 1 之间的相对位置及轴环的宽度,L6 取 75。3、轴的初步结构设计图4、初选轴承型号由于,故选择向心推力轴承,考虑轴径为60,初选轴承型号为圆锥滚子轴承 30212...

1、当您付费下载文档后,您只拥有了使用权限,并不意味着购买了版权,文档只能用于自身使用,不得用于其他商业用途(如 [转卖]进行直接盈利或[编辑后售卖]进行间接盈利)。
2、本站所有内容均由合作方或网友上传,本站不对文档的完整性、权威性及其观点立场正确性做任何保证或承诺!文档内容仅供研究参考,付费前请自行鉴别。
3、如文档内容存在违规,或者侵犯商业秘密、侵犯著作权等,请点击“违规举报”。

碎片内容

斜齿圆柱齿轮减速器结构设计说明 机械工程及自动化专业

您可能关注的文档

确认删除?
VIP
微信客服
  • 扫码咨询
会员Q群
  • 会员专属群点击这里加入QQ群
客服邮箱
回到顶部