电脑桌面
添加小米粒文库到电脑桌面
安装后可以在桌面快捷访问

云南用水定额VIP免费

云南用水定额_第1页
1/25
云南用水定额_第2页
2/25
云南用水定额_第3页
3/25
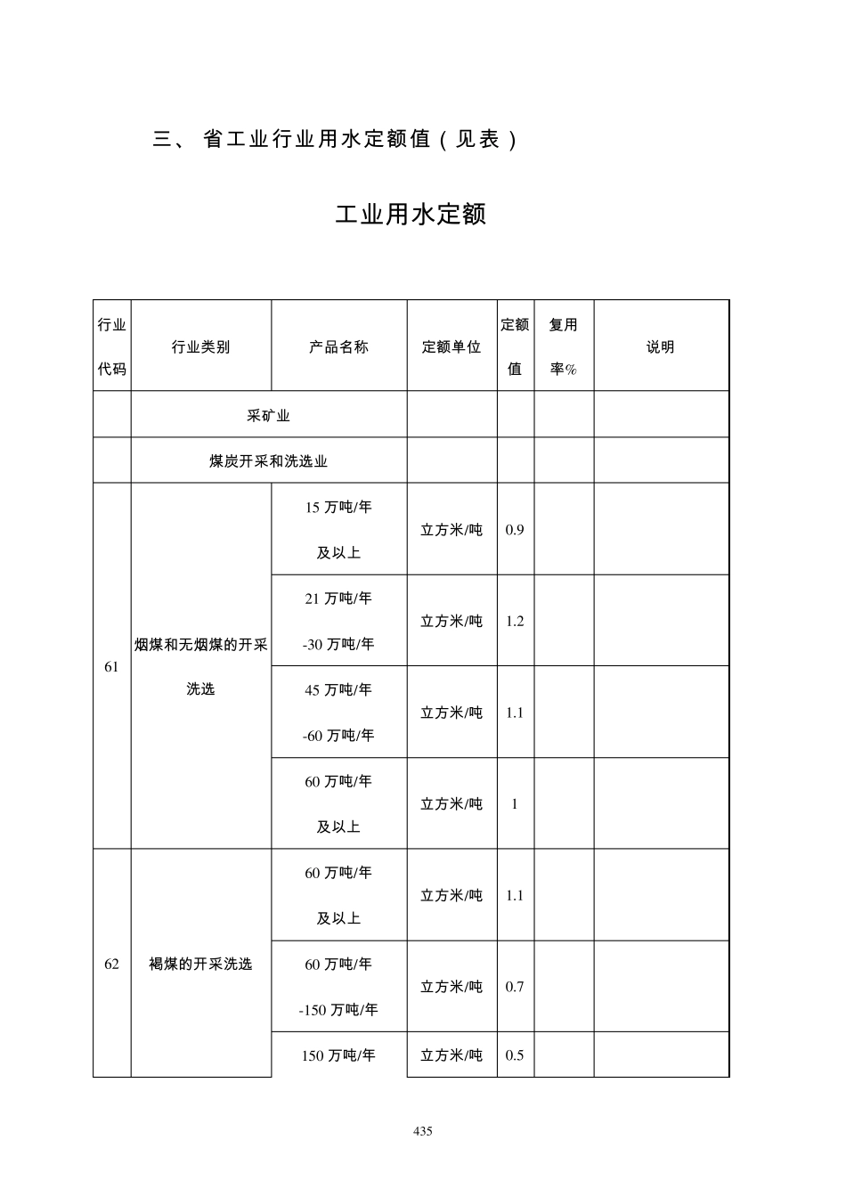
4 3 4 云 南 省 工 业 行 业 用 水 定 额 ( 试 行 ) 一 、 引言 本定 额 由云 南 省 经济委员会组织起革。 本定 额 由云 南 省 经济委员会负责解释。 二、 工 业 行 业 用 水 定 额 范围、术语、定 义 ( 一 ) 范围 本定 额 ( 试 行 ) 规定 了云 南 省 工 业 行 业4 0 4 项产品用 水 定 额值,适用 于云 南 省 工 业 行 业 取水 ,用 水 单位的用 水 定 额 ;水 资源管理、工 业 行 业 计划用 水 管理、节水 管理、水 利规划设计与研究、工 业 行 业 发展规划等可参考使用 。 ( 二) 术语和定 义 工 业 用 水 是指工 矿企业 各部门在产品生产过程中( 某一 生产期间),制造、加工 、冷却、空调、洗涤、锅炉等处使用 的水 及厂内职工 生活用 水 的总称。工 业 用 水 可分为生产用 水 和职工 生活用 水 两类,其中生产用 水 又可分为间接冷却用 水 、工 艺用 水 、锅炉用 水 三类。 1 、 用 水 量。用 水 量是指某一 用 体系( 也可称为用 水 系统或用 水 单位),在某段时间内一 切输入水 量之和或一 切输出水 量之和。用 水 体系可以是一 个企业 、一 个车间或一 个单台设备等。 2 、 新水 量。企业 中为了满足生产或生活需要,取自任何水 源被一 个利用 的水 两称为取水 量。新水 量习惯上也叫做取水 量、供水 量、给水 量、引水 量等。 3 、耗水 量。耗水 量是指在工 业 生产过程中,由于蒸发、飞散、入渗、风吹、污泥带走的或直接加入产品中的水 量和生活饮用 的水 量。 4 、排水 量。指企业 在生产过程中,从用 水 体系最终排到环境中的水 量。 5 、重复利用 水 量。重复利用 水 量( 可简称复用 水 量) 系指在确定 的用 水 体系内一 切以各种方式再利用 的水 量之和。包括直接或经处理或回收后各子用 水 体系自身重复利用 水 量和各子用 水体系之间串联用 水 量,使用 一 次,计算一 次。 6 、漏溢水 量。漏溢水 量系指在确定 的用 水 体系内,设备、阀门、管网、水 箱、水 池等用 水 或储水 设施漏失和溢出的水 量。 7 、串联用 水 量。串联用 水 量( 即以串联方式复用 的水 量) 系指在生产过程中一 个用 水 体系的排水 ,不经处理或经处理后,被另一 个用 水 体系再次...

1、当您付费下载文档后,您只拥有了使用权限,并不意味着购买了版权,文档只能用于自身使用,不得用于其他商业用途(如 [转卖]进行直接盈利或[编辑后售卖]进行间接盈利)。
2、本站所有内容均由合作方或网友上传,本站不对文档的完整性、权威性及其观点立场正确性做任何保证或承诺!文档内容仅供研究参考,付费前请自行鉴别。
3、如文档内容存在违规,或者侵犯商业秘密、侵犯著作权等,请点击“违规举报”。

碎片内容

云南用水定额

您可能关注的文档

小辰9+ 关注
实名认证
内容提供者

出售各种资料和文档

确认删除?
VIP
微信客服
  • 扫码咨询
会员Q群
  • 会员专属群点击这里加入QQ群
客服邮箱
回到顶部