电脑桌面
添加小米粒文库到电脑桌面
安装后可以在桌面快捷访问

互换性测量技术标注答案VIP免费

互换性测量技术标注答案_第1页
1/6
互换性测量技术标注答案_第2页
2/6
互换性测量技术标注答案_第3页
3/6
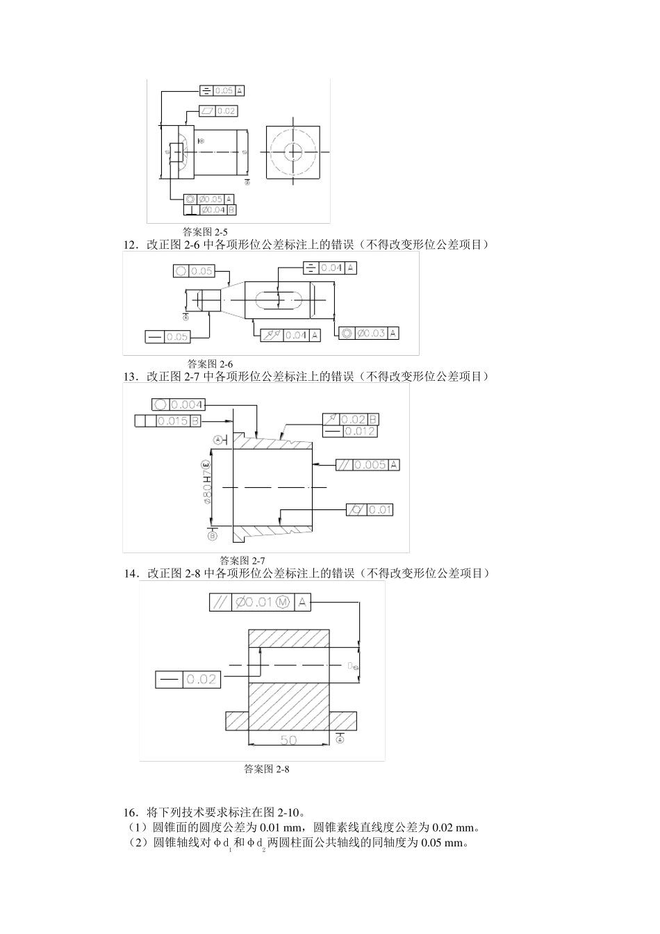
7 .改正图2 -1 中各项形位公差标注上的错误(不得改变形位公差项目) 答案图2 -1 8 .改正图2 -2 中各项形位公差标注上的错误(不得改变形位公差项目) 答案图2 -2 9 .改正图2 -3 中各项形位公差标注上的错误(不得改变形位公差项目) 答案图2 -3 1 0 .改正图2 -4 中各项形位公差标注上的错误(不得改变形位公差项目) 答案图2 -4 11 .改正图2 -5 中各项形位公差标注上的错误(不得改变形位公差项目) 答案图2-5 12.改正图2-6 中各项形位公差标注上的错误(不得改变形位公差项目) 答案图2-6 13.改正图2-7 中各项形位公差标注上的错误(不得改变形位公差项目) 答案图2-7 14.改正图2-8 中各项形位公差标注上的错误(不得改变形位公差项目) D 答案图2-8 16.将下列技术要求标注在图2-10。 (1)圆锥面的圆度公差为0.01 m m ,圆锥素线直线度公差为0.02 m m 。 (2)圆锥轴线对φd1和φd2两圆柱面公共轴线的同轴度为0.05 m m 。 (3)端面Ⅰ对φd1和φd2两圆柱面公共轴线的端面圆跳动公差为 0.03 m m 。 (4)φd1和φd2圆柱面的圆柱度公差分别为 0.008 m m 和 0.006 m m 。 答案图 2-10 15.将下列技术要求标注在图 2-9 上。 (1)φ100h6 圆柱表面的圆度公差为 0.005m m 。 (2)φ100h6 轴线对φ40P7 孔轴线的同轴度公差为φ0.015m m 。 (3)φ40P7孔的圆柱度公差为 0.005m m 。 (4)左端的凸台平面对φ40P7 孔轴线的垂直度公差为 0.01 m m 。 (5)右凸台端面对左凸台端面的平行度公差为 0.02 m m 。 答案图 2-9 17.将下列技术要求标注在图 2-11 上。 (1)左端面的平面度公差为 0.01 m m ,右端面对左端面的平行度公差为 0.04 m m 。 (2)φ70H7 孔的轴线对左端面的垂直度公差为 0.02m m 。 (3)φ210h7 轴线对φ70H7 孔轴线的同轴度公差为φ0.03m m 。 (4)4-φ20H8 孔的轴线对左端面(第一基准)和φ70H7 孔轴线的位置度公差为φ0.15m m 。 答案图 2-11 18.试将下列技术要求标注在图 2-12 上。 (1)2-φd 轴线对其公共轴线的同轴度公差为φ0.02m m 。 (2)φD 轴线对 2-φd 公共轴线的垂直度公差为 100 :0.02 m m 。 (3)槽两侧面对φD 轴线的对称度公差为 0.04 m m 。 答案图 2-12 19.试将下列技术要求标注在图 2-13 上。 (1)圆锥面 a 的圆度公差为...

1、当您付费下载文档后,您只拥有了使用权限,并不意味着购买了版权,文档只能用于自身使用,不得用于其他商业用途(如 [转卖]进行直接盈利或[编辑后售卖]进行间接盈利)。
2、本站所有内容均由合作方或网友上传,本站不对文档的完整性、权威性及其观点立场正确性做任何保证或承诺!文档内容仅供研究参考,付费前请自行鉴别。
3、如文档内容存在违规,或者侵犯商业秘密、侵犯著作权等,请点击“违规举报”。

碎片内容

互换性测量技术标注答案

确认删除?
VIP
微信客服
  • 扫码咨询
会员Q群
  • 会员专属群点击这里加入QQ群
客服邮箱
回到顶部