电脑桌面
添加小米粒文库到电脑桌面
安装后可以在桌面快捷访问

典型断口显微分析VIP免费

典型断口显微分析_第1页
1/6
典型断口显微分析_第2页
2/6
典型断口显微分析_第3页
3/6
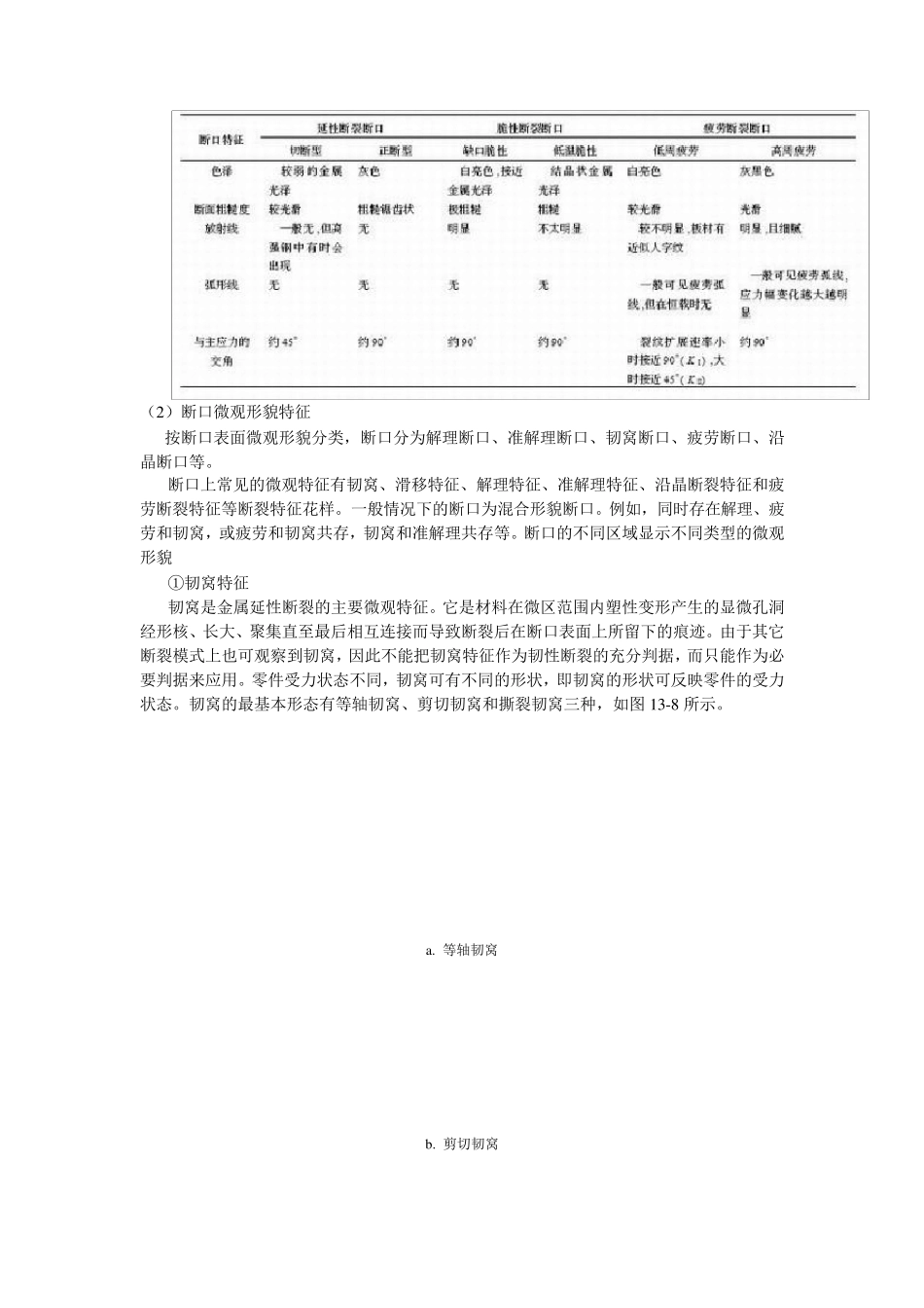
实验二 典型断口的电子显微分析 1 .概述 断口是断裂失效中两断裂分离面的简称。由于断口真实地记录了裂纹由萌生、扩展直至失稳断裂全过程的各种与断裂有关的信息。因此,断口上的各种断裂信息是断裂力学、断裂化学和断裂物理等诸多内外因素综合作用的结果,对断口进行定性和定量分析,可为断裂失效模式的确定提供有力依据,为断裂失效原因的诊断提供线索。断口金相学不仅能在设备失效后进行诊断分析,还可为新产品、新装备投入使用进行预研预测。断口、裂纹及冶金、工艺损伤缺陷分析是失效分析工作的基础。实践证明,没有断口、裂纹及损伤缺陷分析的正确诊断结果,是无法提出失效分析的准确结论的。 采用扫描电镜可对金属断裂典型断口形貌进行观察,还可对其微区成分进行分析。 本实验具体内容为:利用二次电子成像,观察金属断裂典型断口形貌,了解典型断口的微观特征.的成分差别。 2 .实验目的 (1)熟悉二次电子成像观察方法,了解金属材料典型断口形貌特征: (2)掌握双相不锈钢冲击断口形貌特征; (3)掌握 X 70 钢疲劳断口形貌特征。 3 .实验装置及材料 (1)扫描电子显微镜(JSM-6390A 型) 一台; (2)超声清洗仪 一台; (3)断口试样 若干; (4)放大镜 一只; (5)吹风机 一只 ; (6)无水酒精 若干。 4 .实验原理 4.1 金属材料典型断口特征: (1)断口宏观形貌特征 在实际失效分析中, 按断口的表面宏观变形分类,断口分为脆性断口、韧性(延性)断口、韧-脆混合断口;按断裂类型分类,则分为解理断裂、准解理断裂、韧性断裂、疲劳断裂、沿晶断裂等。 对韧性金属材料一次过载造成的韧性断裂,宏观上的基本特征通常表现为三个特征区,即纤维区、放射区和剪切唇区。这三个特征区是断口的三要素。 表 13-1 列出了几种典型断口的宏观形貌特征,根据这些特征,可诊断出断口的宏观类型。 表 1 3 -1 典型断口的宏观形貌特征 (2)断口微观形貌特征 按断口表面微观形貌分类,断口分为解理断口、准解理断口、韧窝断口、疲劳断口、沿晶断口等。 断口上常见的微观特征有韧窝、滑移特征、解理特征、准解理特征、沿晶断裂特征和疲劳断裂特征等断裂特征花样。一般情况下的断口为混合形貌断口。例如,同时存在解理、疲劳和韧窝,或疲劳和韧窝共存,韧窝和准解理共存等。断口的不同区域显示不同类型的微观形貌 ①韧窝特征 韧窝是金属延性断裂的主要微观特征。它是材料在微区范围内塑性变形产...

1、当您付费下载文档后,您只拥有了使用权限,并不意味着购买了版权,文档只能用于自身使用,不得用于其他商业用途(如 [转卖]进行直接盈利或[编辑后售卖]进行间接盈利)。
2、本站所有内容均由合作方或网友上传,本站不对文档的完整性、权威性及其观点立场正确性做任何保证或承诺!文档内容仅供研究参考,付费前请自行鉴别。
3、如文档内容存在违规,或者侵犯商业秘密、侵犯著作权等,请点击“违规举报”。

碎片内容

典型断口显微分析

确认删除?
VIP
微信客服
  • 扫码咨询
会员Q群
  • 会员专属群点击这里加入QQ群
客服邮箱
回到顶部