电脑桌面
添加小米粒文库到电脑桌面
安装后可以在桌面快捷访问

变电强制性条文执行记录表VIP免费

变电强制性条文执行记录表_第1页
1/15
变电强制性条文执行记录表_第2页
2/15
变电强制性条文执行记录表_第3页
3/15
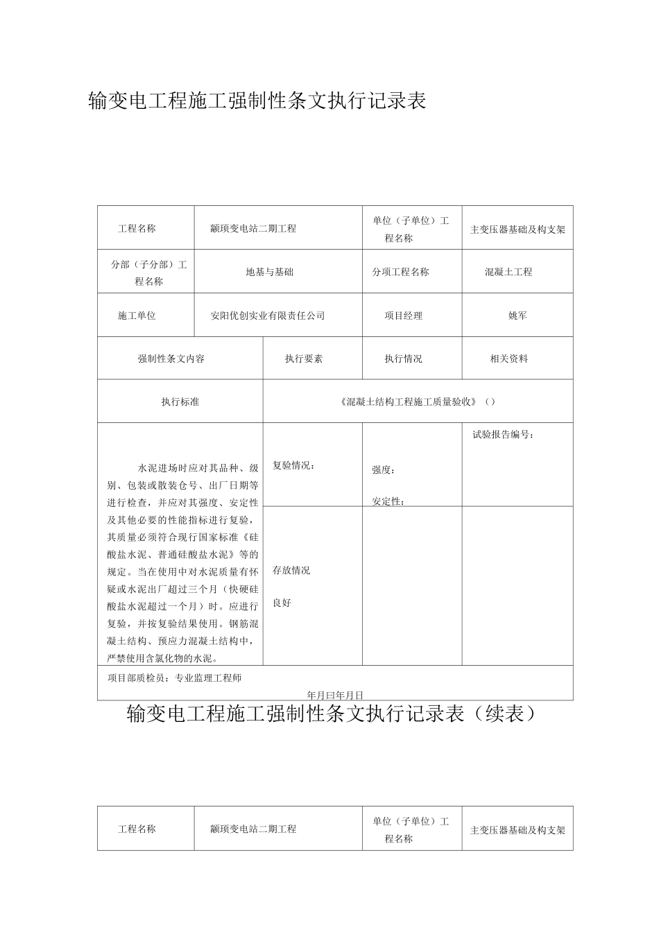
输变电工程施工强制性条文执行记录表工程名称颛顼变电站二期工程单位(子单位)工程名称主变压器基础及构支架分部(子分部)工程名称地基与基础分项工程名称混凝土工程施工单位安阳优创实业有限责任公司项目经理姚军强制性条文内容执行要素执行情况相关资料执行标准《混凝土结构工程施工质量验收》()水泥进场时应对其品种、级别、包装或散装仓号、出厂日期等进行检查,并应对其强度、安定性及其他必要的性能指标进行复验,其质量必须符合现行国家标准《硅酸盐水泥、普通硅酸盐水泥》等的规定。当在使用中对水泥质量有怀疑或水泥出厂超过三个月(快硬硅酸盐水泥超过一个月)时。应进行复验,并按复验结果使用。钢筋混凝土结构、预应力混凝土结构中,严禁使用含氯化物的水泥。复验情况:强度:安定性:试验报告编号:存放情况良好项目部质检员:专业监理工程师年月曰年月日输变电工程施工强制性条文执行记录表(续表)工程名称颛顼变电站二期工程单位(子单位)工程名称主变压器基础及构支架分部(子分部)工程名称地基与基础分项工程名称混凝土工程施工单位安阳优创实业有限责任公司项目经理姚军强制性条文内容执行要素执行情况相关资料执行标准《混凝土结构工程施工质量验收》()现浇结构的外观质量不应有严重缺陷。对已经出现的严重缺陷,应由施工单位提出技术处理方案,并经监理(建设)单位认可后进行处理。对处理的部位,应重新检查验收。外观检查检查记录编号:处理方案:处理方案编号:现浇结构不应有影响结构性能和使用功能的尺寸偏差。混凝土设备基础不有影响结构性能和设备安装的尺寸偏差。对超过尺寸允许偏差且影响结构性能和安装、使用功能的部位,应由施工单位提出技术处理方案,并经监理(建设)单位认可后进行处理,对经处理的部位,应重新检查验收。尺寸偏差检查记录编号:处理方案处理方案编号:项目部质检员:年月曰专业监理工程师年月日输变电工程施工强制性条文执行记录表工程名称颛顼变电站二期工程单位(子单位)工程名称主变压器基础及构支架分部(子分部)工程名称地基与基础分项工程名称钢筋工程施工单位安阳优创实业有限责任公司项目经理姚军强制性条文内容执行要素执行情况相关资料执行标准《混凝土结构工程施工质量验收规范》(一)当钢筋的品种、级别或规格需作变更时,应办理设计变更文件。设计变更情况文件编号:钢筋进场时,应按现行国家标准《钢筋混凝土用热轧带肋钢筋》等的规定抽取试件作力学性能检验,其质...

1、当您付费下载文档后,您只拥有了使用权限,并不意味着购买了版权,文档只能用于自身使用,不得用于其他商业用途(如 [转卖]进行直接盈利或[编辑后售卖]进行间接盈利)。
2、本站所有内容均由合作方或网友上传,本站不对文档的完整性、权威性及其观点立场正确性做任何保证或承诺!文档内容仅供研究参考,付费前请自行鉴别。
3、如文档内容存在违规,或者侵犯商业秘密、侵犯著作权等,请点击“违规举报”。

碎片内容

变电强制性条文执行记录表

确认删除?
VIP
微信客服
  • 扫码咨询
会员Q群
  • 会员专属群点击这里加入QQ群
客服邮箱
回到顶部