电脑桌面
添加小米粒文库到电脑桌面
安装后可以在桌面快捷访问

挖孔桩桩施工方案VIP免费

挖孔桩桩施工方案_第1页
1/8
挖孔桩桩施工方案_第2页
2/8
挖孔桩桩施工方案_第3页
3/8
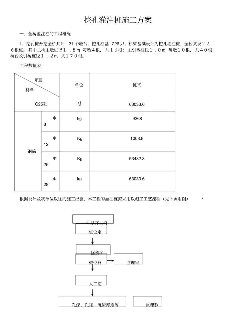
挖孔灌注桩施工方案一、全桥灌注桩的工程概况1、挖孔桩开挖全桥共计21 个墩台,挖孔桩基 226 只,桥梁基础设计为挖孔灌注桩,全桥共设226根桩。 其中主桥主墩桩径1 . 8m,每墩4根, 共16根; 主引墩桩径1 . 0m,每墩10根, 共40根;桥台及引桥桩径1 . 2m,共170根。工程数量表项目材料单位桩基C25砼M363033.6钢筋Φ8kg9268Φ12Kg1008.8Φ25Kg53482.8Φ28kg63033.6根据设计及我单位以往的施工经验,本工程的灌注桩拟采用以施工工艺流程(见下页附图):桩位定浇筑护桩位复监理审人工挖孔深、孔径、沉渣厚度等监理验桩基开工报二、人工挖孔施工1、桩孔测量定位:根据已知的控制点、桩位设计坐标,由专业测量技术人员,用全站仪,采用极坐标法,进行桩位测量定位,并做好标记,再用其它已知点校核。2、施工方法:开始挖孔时设立井口架以精确定位桩中心, 在地面上画出护壁外径 , 既可进行挖孔。在覆盖层或软岩层中采用锹、 镐挖取土, 坚硬岩层用风镐凿除岩石,用小推车或专用小桶人工装渣由卷扬机或人工轱辘将渣土吊出孔外。若遇到特别坚硬的岩层又不能终孔时应考虑采用其它机械方法成孔,尽可能避免爆破作业。施工作业时要注意检查孔径、倾斜及桩位中心,要求桩中心偏位不大于5cm,半径误差不大于 5cm且不得小于设计桩径,倾斜度小于0.5%。地勘资料反应全风化上有一层砾石层,透水性强,孔内抽水时易形成内外水压差而出现塌孔,挖孔作业时边挖边支护,混凝土护壁层高定为0.5 ~0.8m,或采用先打入钢护筒再孔内区渣而成孔。挖孔桩成孔后应及时清孔验收,吊放钢筋笼灌注混凝土,根据孔壁透水情况选择灌注方法,但混凝土灌注应一次完成。避免孔壁岩层长时间暴露在空气中。挖孔桩施工时采用梯套法钢筋混凝土护壁,护壁顶高出地面0.5 ~0.8m,护壁顶面一米深钢筋混凝土厚 200mm,以下厚度为桩径的1/10 ,混凝土强度为C25。(具体做法见下页图)开挖桩孔时护施工要及时跟上以防孔壁坍塌。3、施工注意事项:人工挖孔时, 每个班开始作业前应对孔壁的稳定及吊具设备等进行全面检查。孔顶出土机具应由专人管理,并设置高出地面的围栏;孔口不得堆积渣土及沉重机具;作业人员的出入,应设常备的梯子;夜间作业应悬挂示警红灯; 挖孔暂停时,孔口应设置罩盖及标志。 孔内挖土人员的头顶部位应设置护盖。取土吊斗升降时挖土人员应在护盖下面工作。挖孔深度超过10 m 时应采用机械通风。孔内抽水设备应确保绝缘完好...

1、当您付费下载文档后,您只拥有了使用权限,并不意味着购买了版权,文档只能用于自身使用,不得用于其他商业用途(如 [转卖]进行直接盈利或[编辑后售卖]进行间接盈利)。
2、本站所有内容均由合作方或网友上传,本站不对文档的完整性、权威性及其观点立场正确性做任何保证或承诺!文档内容仅供研究参考,付费前请自行鉴别。
3、如文档内容存在违规,或者侵犯商业秘密、侵犯著作权等,请点击“违规举报”。

碎片内容

挖孔桩桩施工方案

您可能关注的文档

确认删除?
VIP
微信客服
  • 扫码咨询
会员Q群
  • 会员专属群点击这里加入QQ群
客服邮箱
回到顶部