电脑桌面
添加小米粒文库到电脑桌面
安装后可以在桌面快捷访问

排水工程检验批记录表VIP免费

排水工程检验批记录表_第1页
1/9
排水工程检验批记录表_第2页
2/9
排水工程检验批记录表_第3页
3/9
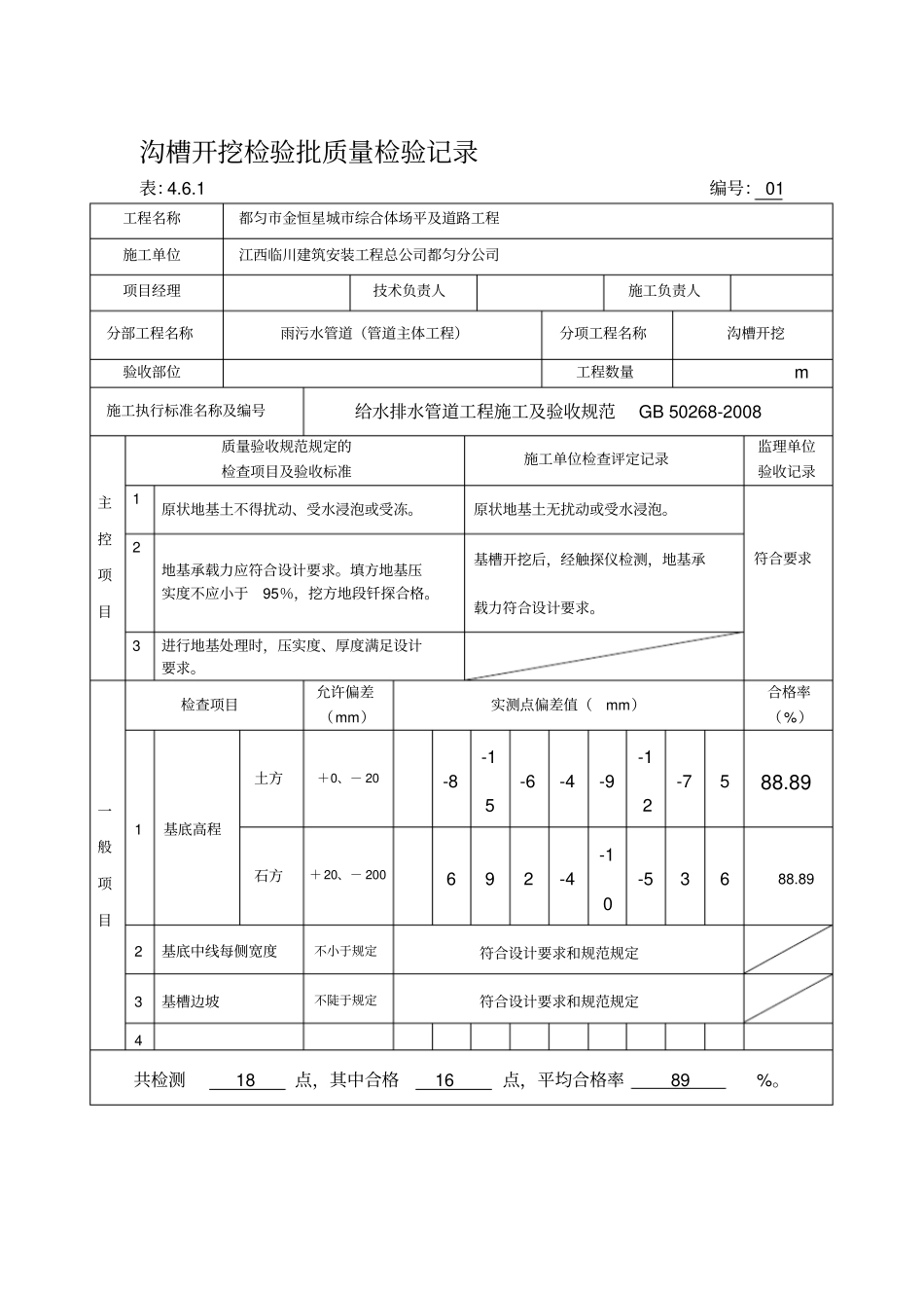
沟槽开挖检验批质量检验记录表:4.6.1 编号: 01 工程名称都匀市金恒星城市综合体场平及道路工程施工单位江西临川建筑安装工程总公司都匀分公司项目经理技术负责人施工负责人分部工程名称雨污水管道(管道主体工程)分项工程名称沟槽开挖验收部位工程数量m 施工执行标准名称及编号给水排水管道工程施工及验收规范GB 50268-2008 主控项目质量验收规范规定的检查项目及验收标准施工单位检查评定记录监理单位验收记录1 原状地基土不得扰动、受水浸泡或受冻。原状地基土无扰动或受水浸泡。符合要求2 地基承载力应符合设计要求。填方地基压实度不应小于95%,挖方地段钎探合格。基槽开挖后,经触探仪检测,地基承载力符合设计要求。3 进行地基处理时,压实度、厚度满足设计要求。一般项目检查项目允许偏差(mm)实测点偏差值(mm)合格率(%)1 基底高程土方+0、- 20 -8 -15 -6 -4 -9 -12 -7 588.89 石方+ 20、- 200 6 9 2 -4 -10 -5 3 6 88.89 2 基底中线每侧宽度不小于规定符合设计要求和规范规定3 基槽边坡不陡于规定符合设计要求和规范规定4 共检测18 点,其中合格16 点,平均合格率89 %。施工单位检查评定结果主控项目全部合格,一般项目符合设计及规范要求。项目专业质量检查员:年月日监理(建设)单位验收结论同意验收。监理工程师:(建设单位项目专业技术负责人)年月日管道基础检验批质量检验记录表 5.10.1 编号:02 工程名称都匀市金恒星城市综合体场平及道路工程施工单位江西临川建筑安装工程总公司都匀分公司单位工程名称项目经理技术负责人施工负责人分部工程名称雨污水管道(管道主体工程)分项工程名称管道基础验收部位污水管道基础:~工程数量 m施工执行标准名称及编号给水排水管道工程施工及验收规范GB 50268-2008 主控项目质量验收规范规定的检查项目及验收标准施工单位检查评定记录监理单位验收记录1 原状地基的承载力符合设计要求。原状地基承载力符合设计要求符合要求2 原状地基、砂石基础与管道外壁间接触均匀,无空隙。原状地基、砂石基础与管道外壁间接触均匀,无空隙。一般项目检查项目允许偏差(mm)实测点偏差值(mm)合格率(%)1 垫层中线每侧宽度不小于设计要求无压管道高程0, -15 -7 -5 -8 -3 -6 -3 -4 -8 88.89 厚度不小于设计要求5 -2 3 3 3 1 9 7 88.89 2 土(砂及砂砾)基础无压管道高程0, -15 -2 -5 -12 -10 -9 -6 -12 -4...

1、当您付费下载文档后,您只拥有了使用权限,并不意味着购买了版权,文档只能用于自身使用,不得用于其他商业用途(如 [转卖]进行直接盈利或[编辑后售卖]进行间接盈利)。
2、本站所有内容均由合作方或网友上传,本站不对文档的完整性、权威性及其观点立场正确性做任何保证或承诺!文档内容仅供研究参考,付费前请自行鉴别。
3、如文档内容存在违规,或者侵犯商业秘密、侵犯著作权等,请点击“违规举报”。

碎片内容

排水工程检验批记录表

确认删除?
VIP
微信客服
  • 扫码咨询
会员Q群
  • 会员专属群点击这里加入QQ群
客服邮箱
回到顶部