电脑桌面
添加小米粒文库到电脑桌面
安装后可以在桌面快捷访问

接地电阻测试记录表及接地电阻测试记录表填写方法VIP免费

接地电阻测试记录表及接地电阻测试记录表填写方法_第1页
1/2
接地电阻测试记录表及接地电阻测试记录表填写方法_第2页
2/2
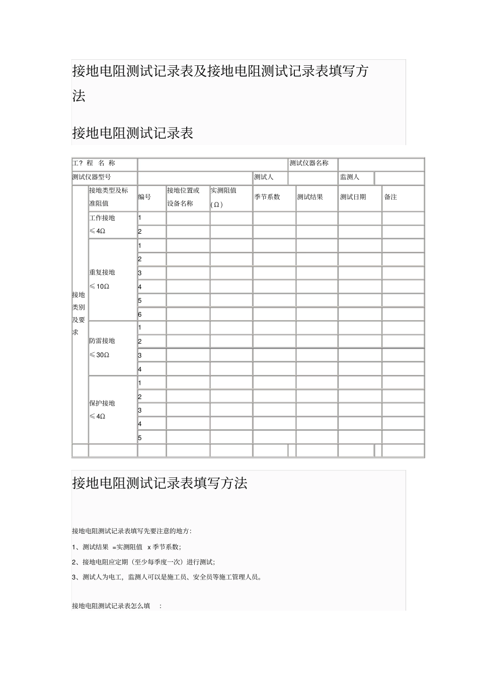
接地电阻测试记录表及接地电阻测试记录表填写方法接地电阻测试记录表工? 程 名 称测试仪器名称测试仪器型号测试人监测人接地类别及要求接地类型及标准阻值编号接地位置或设备名称实测阻值( Ω )季节系数测试结果测试日期备注工作接地≤ 4Ω1 2 重复接地≤ 10Ω1 2 3 4 5 6 防雷接地≤ 30Ω1 2 3 4 保护接地≤ 4Ω1 2 3 4 5 接地电阻测试记录表填写方法接地电阻测试记录表填写先要注意的地方:1、测试结果 =实测阻值 x 季节系数;2、接地电阻应定期(至少每季度一次)进行测试;3、测试人为电工,监测人可以是施工员、安全员等施工管理人员。接地电阻测试记录表怎么填:1、名称:填写被测对象名称。即产品名称或零部件名称;2、型号:填写被测对象的型号或规格。即产品或零部件型号、规格;3、测试日期:填写测试的详细日期;4、气候:填写测试试样周边环境的详细温度和湿度;5、电阻:采用接地电阻测试仪直接读出来的接地电阻值或原始测试方法通过电流和电压计算出来的接地电阻值。

1、当您付费下载文档后,您只拥有了使用权限,并不意味着购买了版权,文档只能用于自身使用,不得用于其他商业用途(如 [转卖]进行直接盈利或[编辑后售卖]进行间接盈利)。
2、本站所有内容均由合作方或网友上传,本站不对文档的完整性、权威性及其观点立场正确性做任何保证或承诺!文档内容仅供研究参考,付费前请自行鉴别。
3、如文档内容存在违规,或者侵犯商业秘密、侵犯著作权等,请点击“违规举报”。

碎片内容

接地电阻测试记录表及接地电阻测试记录表填写方法

您可能关注的文档

确认删除?
VIP
微信客服
  • 扫码咨询
会员Q群
  • 会员专属群点击这里加入QQ群
客服邮箱
回到顶部