电脑桌面
添加小米粒文库到电脑桌面
安装后可以在桌面快捷访问

2024年废水废气固废处理方案VIP免费

2024年废水废气固废处理方案_第1页
1/15
2024年废水废气固废处理方案_第2页
2/15
2024年废水废气固废处理方案_第3页
3/15
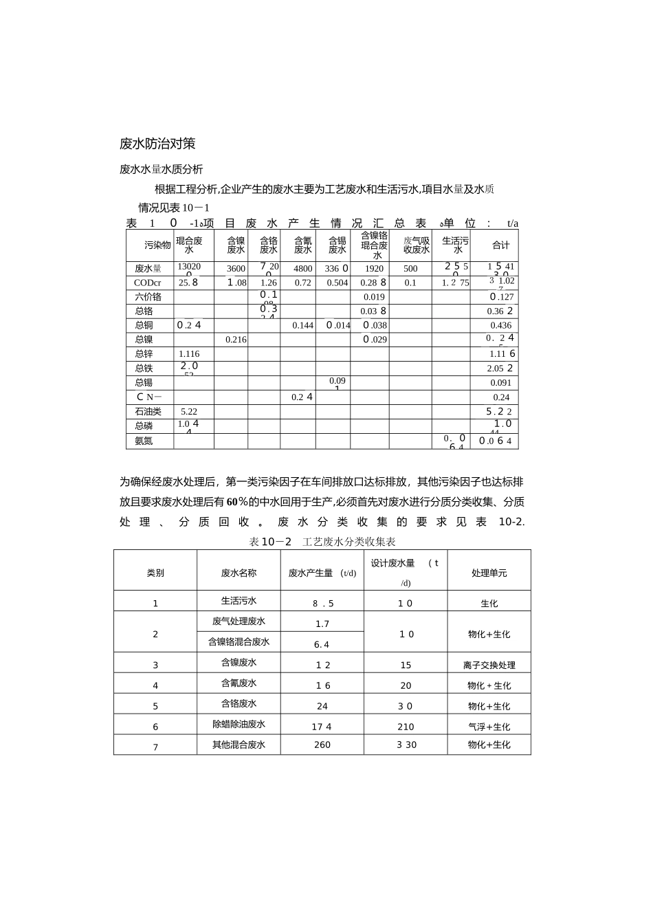
废水防治对策废水水量水质分析根据工程分析,企业产生的废水主要为工艺废水和生活污水,項目水量及水质情况见表10-1为确保经废水处理后,第一类污染因子在车间排放口达标排放,其他污染因子也达标排放且要求废水处理后有60%的中水回用于生产,必须首先对废水进行分质分类收集、分质处理、分质回收。废水分类收集的要求见表10-2.表10-2工艺废水分类收集表类别废水名称废水产生量(t/d)设计废水量(t/d)处理单元1生活污水8.510生化2废气处理废水1.710物化+生化含镍铬混合废水6.43含镍废水1215离子交换处理4含氰废水1620物化+生化5含铬废水2430物化+生化6除蜡除油废水174210气浮+生化7其他混合废水260330物化+生化表10-1ﻩ项目废水产生情况汇总表ﻩ单位:t/a污染物琨合废水含镍废水含铬废水含氰废水含锡废水含镍铬琨合废水废气吸收废水生活污水合计废水量130200360072004800336019205002550154130CODcr25.81.081.260.720.5040.2880.11.27531.027六价铬0.1080.0190.127总铬0.3240.0380.362总铜0.240.1440.0140.0380.436总镍0.2160.0290.245总锌1.1161.116总铁2.0522.052总锡0.0910.091CN-0.240.24石油类5.225.22总磷1.0441.044氨氮0.0640.064含锡废水11.2合计513.8605设计废水量按工程分析预计废水生产量的120%左右计,预留一定的余量。废水处理方案及可达性分析一、废水处理方案:1、废水处理原理:①含铬废水(表中第5类):废水中的六价铬主要以Cr2072-、Cr042-二种形式存在,在酸性条件下,主要以Cr2072-存在;在碱性条件下,主要以Cr042-存在。含铬废水处理釆用焦亚硫酸盐还原法,其基本原理是在酸性条件(pH=2.5~3.0)下,使废水中的六价铬还原成三价铬,然后加碱调节废水pH至8~9,同时投加混凝剂,使其形成氢氧化铬沉淀而除去,达到废水净化之目的。釆用焦亚硫酸钠处理的还原反应式如下:Na2S205+H20—2NaHS03H2Cr207+3NaHS03+3H2S04—Cr2(S04)3+3Na2S04+4H20形成氢氧化铬沉淀反应为:Cr2(S04)3+6Na0H—ﻩ2Cr(0H)3|+3Na2S04理论上投药比(W/W)六价铬:Na2S205为1:3.6,实际使用时为1:4~5.②含氰废水(表中第4类):废水经格栅井后进入调节池(设液位自控仪),均质均量后废水经泵提升至一级破氰池,加碱控制池内pHll~12,同时投加次氯酸钠,使CN-氧化成CNO-经一级不完全破氰反应后的废水溢流进入二级破氰池,加酸控制池内pH8左右,同时投加次氯酸钠,使CNO-氧化成C02、N2,完全破氰后的废水汇入综合隔油调节池进行进一步的处理。破氰反应池内均设气力搅拌系统、pH控制系统、ORP控制系统。一级破氰池ORP达到300mV时反应基本完成,二级破氰池OPR需达到650V。③混合废水(表中第2类及第7类):废水中含氰、铜、镍、铬、有机污染物等,无法将各污染因子单独分出,只有先破氰再还原铬,再沉淀,原理同上。④含镍废水(表中第3类):釆用离子交换吸附技术,利用离子交换剂与不同离子结合力强弱的差异,将溶质暂时交换到离子交换剂上,饱和后出售给有资质回收单位。⑤含油废水及生活污水(表中第6类及第1类)该类废水中主要污染为石油类、COD等,浓度相对较髙,以有机污染为主,基本无重金属污染,为了降低总废水排放COD达标的难度,浓度相对较高,以有机污染为主,先通过一级气浮池或沉淀,经投加药剂的作用,将废水中的悬浮物及油类去除,再与生活污水一起进入生化处理系统.2、废水处理工艺项目外排废水经处理达《电镀污染物排放标准》(GB21900-2008)中表2(新建企业水污染物排放限值)的排放限值后排入西侧的木城河,其中废水60%以上回用于生产工艺用水。企业将现有的废水处理设施拆除,重新建设一套废水处理及回用设施,废水设计处理能力建议为650t/d,其中反渗透深度处理系统建议处理能力为80t/d,详细的工艺流程见图10-1〜10-6。废水处理具体工艺设计应委托具有相应资质单位进行设计与实施。图10-1第5类工艺废水预处理流程图图10-2第4类工艺废水预处理流程图图10-3第2类、第7类工艺废水预处理流程图图10-5第1类、第6类工艺废水预处理流程图回用于清洗图10-4第3类...

1、当您付费下载文档后,您只拥有了使用权限,并不意味着购买了版权,文档只能用于自身使用,不得用于其他商业用途(如 [转卖]进行直接盈利或[编辑后售卖]进行间接盈利)。
2、本站所有内容均由合作方或网友上传,本站不对文档的完整性、权威性及其观点立场正确性做任何保证或承诺!文档内容仅供研究参考,付费前请自行鉴别。
3、如文档内容存在违规,或者侵犯商业秘密、侵犯著作权等,请点击“违规举报”。

碎片内容

2024年废水废气固废处理方案

您可能关注的文档

确认删除?
VIP
微信客服
  • 扫码咨询
会员Q群
  • 会员专属群点击这里加入QQ群
客服邮箱
回到顶部