电脑桌面
添加小米粒文库到电脑桌面
安装后可以在桌面快捷访问

基础工程灌注桩课程设计VIP免费

基础工程灌注桩课程设计_第1页
1/13
基础工程灌注桩课程设计_第2页
2/13
基础工程灌注桩课程设计_第3页
3/13
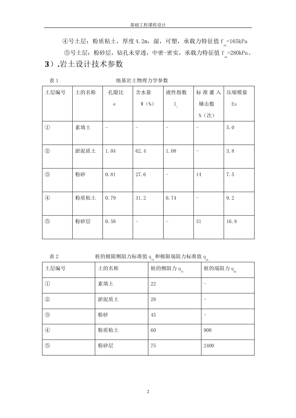
基础工程课程设计 1 灌注桩基课程设计 1 .设计题目 本次课程设计的题目:灌注桩基础设计 2.设计荷载 (1)题号:3 号。 (2)柱底荷载效应标准组合值如下。 ○A 轴荷载:Fk=1980kN Mk=229.2kN.M Vk=158.4kN ○B 轴荷载:Fk=2460kN Mk=236.4kN.M Vk=169.2kN ○C 轴荷载:Fk=2172kN Mk=249.6kN.M Vk=144kN (3)柱底荷载效应基本组合值如下。 ○A 轴荷载:F=2556kN M=252kN.M V=196.8kN ○B 轴荷载:F=3696kN M=253.2kN.M V=186kN ○C 轴荷载:F=2988kN M=267.6kN.M V=180kN 设计○A 轴柱下桩基,○B 、○C 轴柱下仅设计承台尺寸和估算桩数。 3.地层条件及其参数 1). 地形 拟建建筑场地地势平坦,局部堆有建筑垃圾。 2).工程地质条件 自上而下土层依次如下: ① 号土层:素填土,厚度 1.5m,稍湿,松散,承载力特征值fak=95kPa。 ② 号土层:淤泥质土,厚度 3.3m,流塑,承载力特征值fak=65kPa。 ③号土层:粉砂,厚度 6.6m,稍密,承载力特征值fak=110kPa。 基础工程课程设计 2 ④号土层:粉质粘土,厚度4.2m,湿,可塑,承载力特征值fak=165kPa ⑤号土层:粉砂层,钻孔未穿透,中密-密实,承载力特征值fak=280kPa。 3 ).岩土设计技术参数 表1 地基岩土物理力学参数 土层编号 土的名称 孔隙比 e 含水量 W(%) 液性指数 Il 标准灌入锤击数 N(次) 压缩模量 Es ① 素填土 - - - - 5.0 ② 淤泥质土 1.04 62.4 1.08 - 3.8 ③ 粉砂 0.81 27.6 - 14 7.5 ④ 粉质粘土 0.79 31.2 0.74 - 9.2 ⑤ 粉砂层 0.58 - - 31 16.8 表2 桩的极限侧阻力标准值qsk和极限端阻力标准值qpk 土层编号 土的名称 桩的侧阻力qsk 桩的端阻力qpk ① 素填土 22 - ② 淤泥质土 28 - ③ 粉砂 45 - ④ 粉质粘土 60 900 ⑤ 粉砂层 75 2400 基础工程课程设计 3 4).水文地质条件 1. 拟建场区地下水对混凝土结构无腐蚀性。 2. 地下水位深度:位于地表下3.5m。 5).场地条件 建筑物所处场地抗震设防烈度7度,场地内无液化砂土,粉土。 4.灌注桩基设计 建筑物基础设计方案采用混凝土沉管灌注桩,具体设计方案如下:室外地坪标高为-0.45m,自然地面标高同室外地坪标高。该建筑桩基属丙级建筑桩基,拟采用直径400mm 的混凝土沉管灌注桩,以⑤号土层粉质粘土为持力层,桩尖深入深入持力层0.6m(对于砂土不小于1.5d=750mm),设...

1、当您付费下载文档后,您只拥有了使用权限,并不意味着购买了版权,文档只能用于自身使用,不得用于其他商业用途(如 [转卖]进行直接盈利或[编辑后售卖]进行间接盈利)。
2、本站所有内容均由合作方或网友上传,本站不对文档的完整性、权威性及其观点立场正确性做任何保证或承诺!文档内容仅供研究参考,付费前请自行鉴别。
3、如文档内容存在违规,或者侵犯商业秘密、侵犯著作权等,请点击“违规举报”。

碎片内容

基础工程灌注桩课程设计

您可能关注的文档

确认删除?
VIP
微信客服
  • 扫码咨询
会员Q群
  • 会员专属群点击这里加入QQ群
客服邮箱
回到顶部