电脑桌面
添加小米粒文库到电脑桌面
安装后可以在桌面快捷访问

基础工程监理实施细则VIP免费

基础工程监理实施细则_第1页
1/8
基础工程监理实施细则_第2页
2/8
基础工程监理实施细则_第3页
3/8
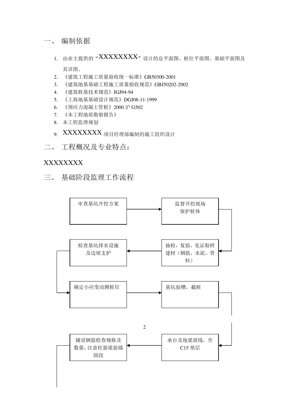
X X X X X X X X 公司 新建厂房基础工程 监理实施细则 编制 审核 X X X X X X X X 有限公司 X X X X X X X X 工程项目监理机构 年 月 日 目录 一、 编制依据…………………………………………..…2 二、 工程概况及专业特点………………………….….…2 三、 基础阶段监理工作流程………………………….….2 四、 基础阶段监理工作的控制要点……………………..3 五、 基础阶段监理工作的目标值和方法………………..5 1 一、 编制依据 1. 由业主提供的“X X X X X X X X ”设计的总平面图、桩位平面图、基础平面图及其详图。 2. 《建筑工程施工质量验收统一标准》GB50300-2001 3. 《建筑地基基础工程施工质量验收规范》GBJ50202-2002 4. 《建筑桩基技术规范》JGJ94-94 5. 《上海地基基础设计规范》DGJ08-11-1999 6. 《预应力混凝土管桩》2000 沪 G502 7. 《本工程地质勘察报告》 8. 本工程监理规划 9. X X X X X X X X 项目经理部编制的施工组织设计 二、 工程概况及专业特点: X X X X X X X X 三、 基础阶段监理工作流程 2 审查基坑开挖方案 监督开挖现场 保护桩体 基坑验槽,截桩 检查基坑排水设施 及边坡支护 抽检,复验,见证取样建材(钢筋、水泥、骨料) 确定小应变动测桩位 铺设钢筋检查规格及数量,注意柱筋梁筋锚固段 承台及地梁放线,作C15 垫层 四、基础阶段监理工作的控制要点 1.基坑与开挖回填 1.1 基坑开挖前应对边坡稳定、降水措施、挖土方案、运土路线、堆土位置等方案由监理进行审核,符合规范和设计要求后方能开工,沉桩全部结束并停顿一段时间后,方可开挖。 1.2 地下水位较高需降水,可视周围情况采用内降水或外降水措施。 1.3 挖土宜分层进行,高差不宜过大;软土地区的基层开挖,基坑内土面高度应保持均匀,高差不宜超过 1m,严禁超挖,挖土的土方不得堆置在基坑附近。 1.4 机械挖土时,必须确保基坑内桩体不受损坏。 1.5 基坑开挖结束后应在基坑底做好排水盲沟及集水井。 1.6 基坑回填前,应排除积水,清除含水量较高的浮土和建筑垃圾。抽除坑穴积水,淤泥。施工过程中应检查排水措施,每层填筑厚度,含水量控制,压实程度。填筑厚度及压实遍数应根据土质压实系数及所用机具按规范和设计要求进行。 2.截桩 2.1 将桩段下部用钢箍抱紧。 2.2 沿箍上缘凿槽,再行扩大截面。 2.3 钢筋可用...

1、当您付费下载文档后,您只拥有了使用权限,并不意味着购买了版权,文档只能用于自身使用,不得用于其他商业用途(如 [转卖]进行直接盈利或[编辑后售卖]进行间接盈利)。
2、本站所有内容均由合作方或网友上传,本站不对文档的完整性、权威性及其观点立场正确性做任何保证或承诺!文档内容仅供研究参考,付费前请自行鉴别。
3、如文档内容存在违规,或者侵犯商业秘密、侵犯著作权等,请点击“违规举报”。

碎片内容

基础工程监理实施细则

您可能关注的文档

确认删除?
VIP
微信客服
  • 扫码咨询
会员Q群
  • 会员专属群点击这里加入QQ群
客服邮箱
回到顶部