电脑桌面
添加小米粒文库到电脑桌面
安装后可以在桌面快捷访问

基础工程课程设计计算书VIP免费

基础工程课程设计计算书_第1页
1/6
基础工程课程设计计算书_第2页
2/6
基础工程课程设计计算书_第3页
3/6
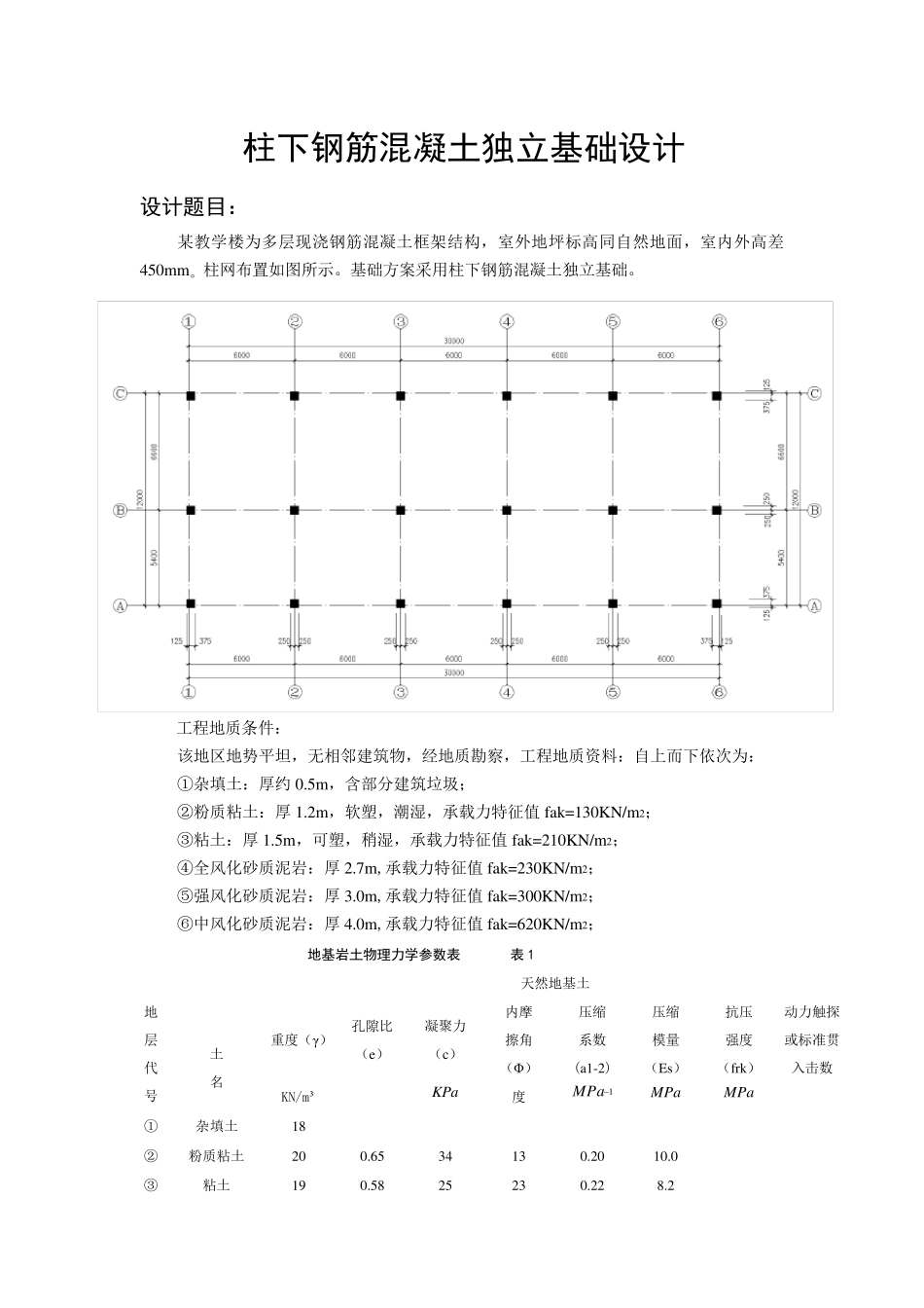
柱下钢筋混凝土独立基础设计 设计题目: 某教学楼为多层现浇钢筋混凝土框架结构,室外地坪标高同自然地面,室内外高差450mm。柱网布置如图所示。基础方案采用柱下钢筋混凝土独立基础。 工程地质条件: 该地区地势平坦,无相邻建筑物,经地质勘察,工程地质资料:自上而下依次为: ①杂填土:厚约 0.5m,含部分建筑垃圾; ②粉质粘土:厚 1.2m,软塑,潮湿,承载力特征值 fak=130KN/m2; ③粘土:厚 1.5m,可塑,稍湿,承载力特征值 fak=210KN/m2; ④全风化砂质泥岩:厚 2.7m,承载力特征值 fak=230KN/m2; ⑤强风化砂质泥岩:厚 3.0m,承载力特征值 fak=300KN/m2; ⑥中风化砂质泥岩:厚 4.0m,承载力特征值 fak=620KN/m2; 地基岩土物理力学参数表 表 1 地 层 代 号 土 名 天然地基土 重度(γ) 孔隙比 (e) 凝聚力 (c) 内摩 擦角 (Φ ) 压缩 系数 (a1-2) 压缩 模量 (Es) 抗压 强度 (frk) 动力触探或标准贯入击数 KN/m³ KPa 度 1MPa MPa MPa ① 杂填土 18 ② 粉质粘土 20 0.65 34 13 0.20 10.0 ③ 粘土 19 0.58 25 23 0.22 8.2 ④ 全风化砂质泥岩 20 22 30 0.8 N=40 ⑤ 强风化砂质泥岩 22 20 25 3.0 N63.5=15 ⑥ 中风化砂质泥岩 24 15 40 4.0 N63.5=25 水文资料为:地下水对混凝土无侵蚀性,地下水位深度位于地表下 1.5m。 建筑物所处场地抗震设防烈度为 7 度,场地内无可液化土。 设计参数:柱截面尺寸为 500mm×500mm。上部结构作用在 B 轴柱底的荷载标准值为Fk=1615 KN,Mk =125 KN•m,Vk =60 KN;上部结构作用在 B 轴柱底的荷载效应基本组合设计值为 F =2100 KN,M =163 KN•m,V =78 KN。 根据以上提供的设计资料,完成以下内容的设计: (一)确定基础埋置深度 (二)确定地基承载力特征值 (三)确定基础的底面尺寸 (四)持力层强度及下卧层验算 (五)确定基础的高度 (六)基础底板配筋计算 (七)绘制基础结构施工图(含平面图、详图),提出必要的技术说明 (八)编制设计计算书 柱下钢筋混凝土独立基础设计 ——计算书 1.确定基础埋置深度 地下水位于地表下1.5m 且对混凝土结构无侵蚀性。而由于荷载值较大,故初步选定③号土层为持力层。又取基础底面时最好取至持力层下0.5m ,所以考虑取室外地坪到基础底面距离为 0.5+1.2+0.5=2.2m 。 2.确定地基承载力特征值 ③号土层...

1、当您付费下载文档后,您只拥有了使用权限,并不意味着购买了版权,文档只能用于自身使用,不得用于其他商业用途(如 [转卖]进行直接盈利或[编辑后售卖]进行间接盈利)。
2、本站所有内容均由合作方或网友上传,本站不对文档的完整性、权威性及其观点立场正确性做任何保证或承诺!文档内容仅供研究参考,付费前请自行鉴别。
3、如文档内容存在违规,或者侵犯商业秘密、侵犯著作权等,请点击“违规举报”。

碎片内容

基础工程课程设计计算书

您可能关注的文档

确认删除?
VIP
微信客服
  • 扫码咨询
会员Q群
  • 会员专属群点击这里加入QQ群
客服邮箱
回到顶部