电脑桌面
添加小米粒文库到电脑桌面
安装后可以在桌面快捷访问

塔式起重机工作原理(36B型)VIP专享VIP免费

塔式起重机工作原理(36B型)_第1页
1/21
塔式起重机工作原理(36B型)_第2页
2/21
塔式起重机工作原理(36B型)_第3页
3/21
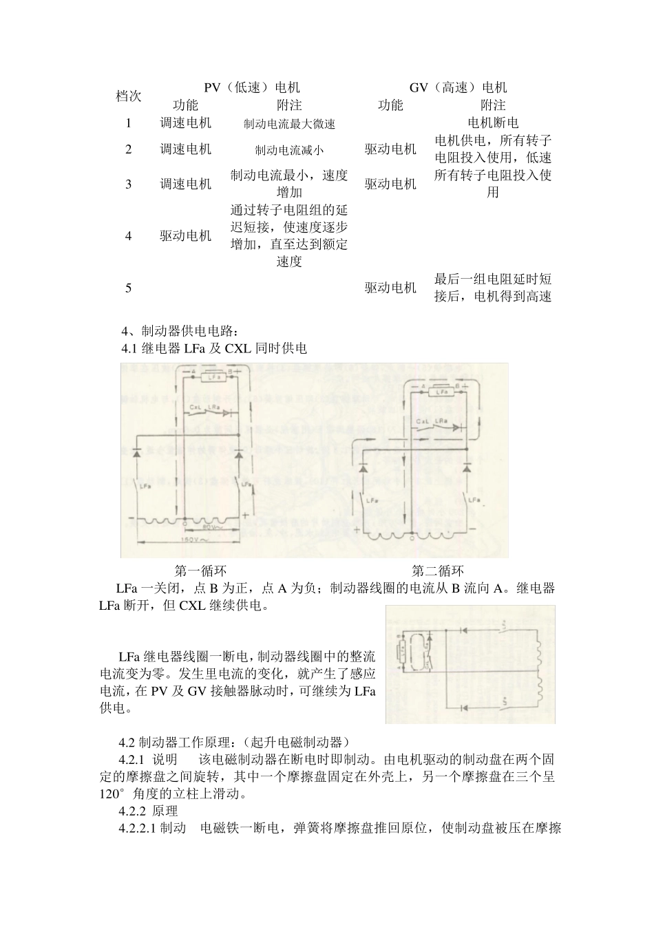
36B 型塔式起重机工作原理 一、起升机构 1.说明 起升机构包括起绳卷筒、圆锥齿轮减速器、带制动器的电机(两个相同,由一直齿轮耦合在一起,传动比 1:2)、起升控制箱、起升限位、电阻箱。 2、起升机构的工作原理:起升机构有五个起升速度和五个下降速度,其中第四个速度是 PV(低速)电机的额定速度,第五个速度是 GV(高速)电机的额定速度。将一个电机作为驱动电机,另一个作为制动电机,可获得前三种速度。控制速度的变化可同时采用电机调速(通过插入转子电阻)和自激能耗制动。 如果切断电机交流电源(由 LGv 和 LPv 提供),向定子绕组供以整流励磁电流(由 LPV1 和 LRaGv 或 LGv1 和 LRaPv),可给电机提供一个磁场。当转子由驱动电机和载荷驱动时,转子绕组中将产生感应电流,其方向与转子旋向相反。通过 LFa 和 LFa2 改变转子回路中电阻的大小,就实现增减速度。 3、电机功能: 3.1 起升 档次 PV(低速)电机 GV(高速)电机 功能 附注 功能 附注 1 驱动电机 所有转子电阻投入使用 调速电机 电阻短接,制动电流最大 2 驱动电机 所有转子电阻投入使用 调速电机 制动电流最小,速度增减 3 驱动电机 一组电阻被短接 调速电机 制动电流最小 4 驱动电机 通过转子电阻组的延迟短接,使速度逐步增加,直至达到额定速度 没有制动电流 5 切断电机电源 驱动电机 最后一组电阻延时短接后,电机得到高速 3.2 下降 档次 PV(低速)电机 GV(高速)电机 功能 附注 功能 附注 1 调速电机 制动电流最大微速 电机断电 2 调速电机 制动电流减小 驱动电机 电机供电,所有转子电阻投入使用,低速 3 调速电机 制动电流最小,速度增加 驱动电机 所有转子电阻投入使用 4 驱动电机 通过转子电阻组的延迟短接,使速度逐步增加,直至达到额定速度 5 驱动电机 最后一组电阻延时短接后,电机得到高速 4、制动器供电电路: 4.1 继电器 LFa及 CXL 同时供电 第一循环 第二循环 LFa一关闭,点 B 为正,点 A 为负;制动器线圈的电流从 B 流向 A。继电器LFa断开,但 CXL 继续供电。 LFa继电器线圈一断电,制动器线圈中的整流电流变为零。发生里电流的变化,就产生了感应电流,在 PV 及 GV 接触器脉动时,可继续为 LFa供电。 4.2 制动器工作原理:(起升电磁制动器) 4.2.1 说明 该电磁制动器在断电时即制动。由电机驱动的制动盘在两个固定的摩擦盘之...

1、当您付费下载文档后,您只拥有了使用权限,并不意味着购买了版权,文档只能用于自身使用,不得用于其他商业用途(如 [转卖]进行直接盈利或[编辑后售卖]进行间接盈利)。
2、本站所有内容均由合作方或网友上传,本站不对文档的完整性、权威性及其观点立场正确性做任何保证或承诺!文档内容仅供研究参考,付费前请自行鉴别。
3、如文档内容存在违规,或者侵犯商业秘密、侵犯著作权等,请点击“违规举报”。

碎片内容

塔式起重机工作原理(36B型)

小辰9+ 关注
实名认证
内容提供者

出售各种资料和文档

确认删除?
VIP
微信客服
  • 扫码咨询
会员Q群
  • 会员专属群点击这里加入QQ群
客服邮箱
回到顶部