电脑桌面
添加小米粒文库到电脑桌面
安装后可以在桌面快捷访问

夏普数码复印机故障代码及常用维修代码VIP免费

夏普数码复印机故障代码及常用维修代码_第1页
1/14
夏普数码复印机故障代码及常用维修代码_第2页
2/14
夏普数码复印机故障代码及常用维修代码_第3页
3/14
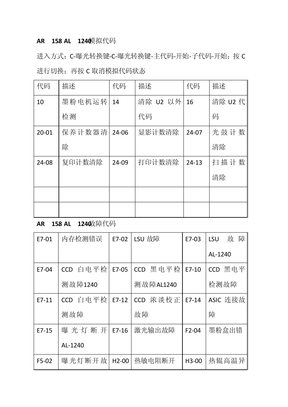
AR-158、AL-1240模拟代码 进入方式:C-曝光转换键-C-曝光转换键-主代码-开始-子代码-开始;按 C进行切换;再按 C 取消模拟代码状态 代码 描述 代码 描述 代码 描述 10 墨粉 电机运 转检测 14 清除 U 2 以外代码 16 清除 U 2 代码 20-01 保养 计数器 清除 24-06 显影计数清除 24-07 光 鼓 计 数清除 24-08 复印计数清除 24-09 打印计数清除 24-13 扫 描 计 数清除 AR-158、AL-1240故障代码 E7-01 内存检测错误 E7-02 LSU 故障 E7-03 LSU故 障AL-1240 E7-04 CCD 白电平检测故障1240 E7-05 CCD 黑 电平 检测故障AL1240 E7-10 CCD 黑电平检测故障 E7-11 CCD 白电平检测故障 E7-12 CCD 浓 淡校 正故障 E7-14 ASIC 连接故障 E7-15 曝 光 灯 断 开AL-1240 E7-16 激光输出故障 F2-04 墨粉盒出错 F5-02 曝 光灯断开 故 H2-00 热敏电阻断开 H3-00 热辊高温异障 常 H4-00 热辊低温异常 L1-00 扫描盒进给故障 L3-00 扫描盒返回故障 L4-01 主电机锁定故障 L6-10 多棱镜电机锁定故障 U2-01 和校验错误 U2-04 EEPROM 通信错误 U2-40 IC 芯片读取错误 AR-163N、AR-201N、AR-206N、AR-1818、AR-1820模拟代码 进入方式:C-插入-0-插入-主代码-开始-子代码-开始;按插入切换;按CA 取消模拟代码状态 14 清除 U2 以外代码 16 清除 U2 代码 20-01 保养计数清除 24-01 卡纸计数清除 24-07 光鼓计数清除 24-08 复印计数清除 24-09 打印计数清除 24-13 扫描计数清除 42-01 载体计数清除 AR-163N、AR-201N、AR-206N、AR-1818、AR-1820故障代码 CC 原 稿 检 测 传 感器错误 E1-00 分页器通信故障 E1-10 分页器数据故障 E1-11 分 页 器 图 像 控 E1-12 分页器图像压E1-13 分页器制错误 缩错误 Flas hROM错误 E1-14 分页器RAM 错误 E1-15 分页器存储器故障 E1-16 分页器SIMM储存错误 E1-17 分页器图像旋转用储存错误 E1-80 分页器数据通信故障 E1-81 分页器数据故障 E1-82 分页器数据溢出故障 E1-84 分页器信息包通信故障 E1-88 分页器通信故障(时间) E7-03 激光装置故障 E7-04 CCD 白电平故障 E7-05 CCD 黑电平故障 E7-12 CCD 浓淡校正故障 F1-06 分页器电机故障 F2-04 CRUM 数据读取故障 F5-02 曝光灯断开 F6-00 FAX 电路通信错误 F6-10 FAX 电路板故障...

1、当您付费下载文档后,您只拥有了使用权限,并不意味着购买了版权,文档只能用于自身使用,不得用于其他商业用途(如 [转卖]进行直接盈利或[编辑后售卖]进行间接盈利)。
2、本站所有内容均由合作方或网友上传,本站不对文档的完整性、权威性及其观点立场正确性做任何保证或承诺!文档内容仅供研究参考,付费前请自行鉴别。
3、如文档内容存在违规,或者侵犯商业秘密、侵犯著作权等,请点击“违规举报”。

碎片内容

夏普数码复印机故障代码及常用维修代码

您可能关注的文档

确认删除?
VIP
微信客服
  • 扫码咨询
会员Q群
  • 会员专属群点击这里加入QQ群
客服邮箱
回到顶部