电脑桌面
添加小米粒文库到电脑桌面
安装后可以在桌面快捷访问

外啮合齿轮参数计算(完美整理版)VIP免费

外啮合齿轮参数计算(完美整理版)_第1页
1/60
外啮合齿轮参数计算(完美整理版)_第2页
2/60
外啮合齿轮参数计算(完美整理版)_第3页
3/60
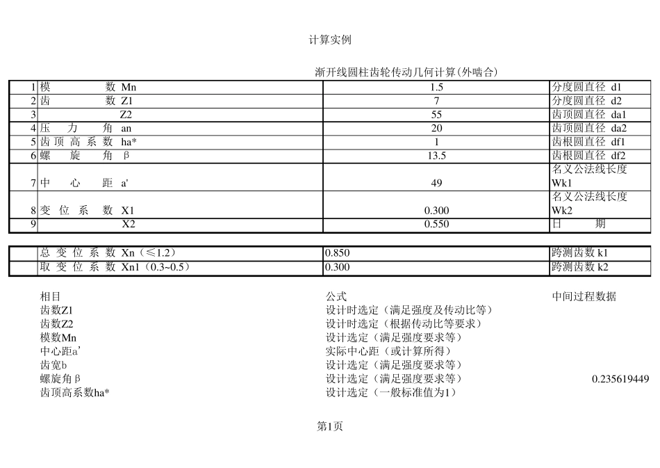
计算实例1 模 数 Mn1.5分度圆直径 d12 齿 数 Z17分度圆直径 d23 Z255齿顶圆直径 da14 压 力 角 an20齿顶圆直径 da25 齿 顶 高 系 数 ha*1齿根圆直径 df16 螺 旋 角 β13.5齿根圆直径 df27 中 心 距 a'49名义公法线长度Wk18 变 位 系 数 X10.300名义公法线长度Wk29 X20.550日 期总 变 位 系 数 Xn(≤1.2)0.850跨测齿数 k1取 变 位 系 数 Xn1(0.3~0.5)0.300跨测齿数 k2相目公式中间过程数据齿数Z1设计时选定(满足强度及传动比等)齿数Z2设计时选定(根据传动比等要求)模数Mn设计选定(满足强度要求等)中心距a'实际中心距(或计算所得)齿宽b设计选定(满足强度要求等)螺旋角β设计选定(满足强度要求等)0.235619449齿顶高系数ha*设计选定(一般标准值为1)渐开线圆柱齿轮传动几何计算(外啮合)第1页计算实例法向压力角αn设计选定(满足强度要求等)0.34906585顶隙系数cn *设计选定(按标准一般取0.25,0.35,0.4等)1 分度圆直径d1d1=Mn*Z1/cosβ10.798359532 分度圆直径d2d2=Mn*Z2/cosβ84.844253483 未变位时中心距aa=(d1+d2)/2=Mn*(Z1+Z2)/2cosβ47.821306514 中心距变动系数YnYn =(a'-a)/Mn0.7857956635 端面压力角αttan(αt)=tan(αn)/cosβ0.374312519αt=arctan(αt)0.3581678116 啮合角αwta'*cos(αwt)=a*cos(αt)0.914012228αwt=arccos(αwt)0.4177299397 总变位系数Xninv(αwt)=tan(αwt)-αwt0.026122587inv(αt)=tan(αt)-αt0.016144708Xn=(Z1+Z2)*(invαwt-invαt)/(2*tanαn)0.8498339558 变位系数分配Xn 1 Xn 2Xn 1 取值0.300Xn 2=Xn -Xn 10.5509 齿顶高变动系数ΔYnΔYn =Xn -Yn0.06410 齿顶高h a1 h a2h a1=(h a*+Xn 1-ΔYn )*Mn1.853942562h a2=(h a*+Xn 2-ΔYn )*Mn2.22869349511 齿根高h f1 h f2h f1=(h a*+cn *-Xn 1)*Mn1.65h f2=(h a*+cn *-Xn 2)*Mn1.27524906712 全齿高 h 1 h 2h 1=h a1+h f13.504h 2=h a2+h f23.50413 齿顶圆直径da1 da2da1=d1+2*h a114.50624466da2=d2+2*h a289.30164047第2页计算实例14 齿根圆直径df1 df2df1=d1-2*hf17.498359533df2=d2-2*hf282.29375534公法线计算Wk1 Wk215 当量齿数 Z*1 Z*2Z*1=Z1*invαt/invαn7.582531652Z*2=Z2*invαt/invαn59.5770344116 跨测齿数 k1 k2(1+2*Xn/Z*)*(1+2*Xn/Z*)1.1645199261.037256527cosan*cosan0.883022222SQRT0.53056...

1、当您付费下载文档后,您只拥有了使用权限,并不意味着购买了版权,文档只能用于自身使用,不得用于其他商业用途(如 [转卖]进行直接盈利或[编辑后售卖]进行间接盈利)。
2、本站所有内容均由合作方或网友上传,本站不对文档的完整性、权威性及其观点立场正确性做任何保证或承诺!文档内容仅供研究参考,付费前请自行鉴别。
3、如文档内容存在违规,或者侵犯商业秘密、侵犯著作权等,请点击“违规举报”。

碎片内容

外啮合齿轮参数计算(完美整理版)

您可能关注的文档

小辰6+ 关注
实名认证
内容提供者

出售各种资料和文档

确认删除?
VIP
微信客服
  • 扫码咨询
会员Q群
  • 会员专属群点击这里加入QQ群
客服邮箱
回到顶部