电脑桌面
添加小米粒文库到电脑桌面
安装后可以在桌面快捷访问

2024年给水管网计算书VIP免费

2024年给水管网计算书_第1页
1/40
2024年给水管网计算书_第2页
2/40
2024年给水管网计算书_第3页
3/40
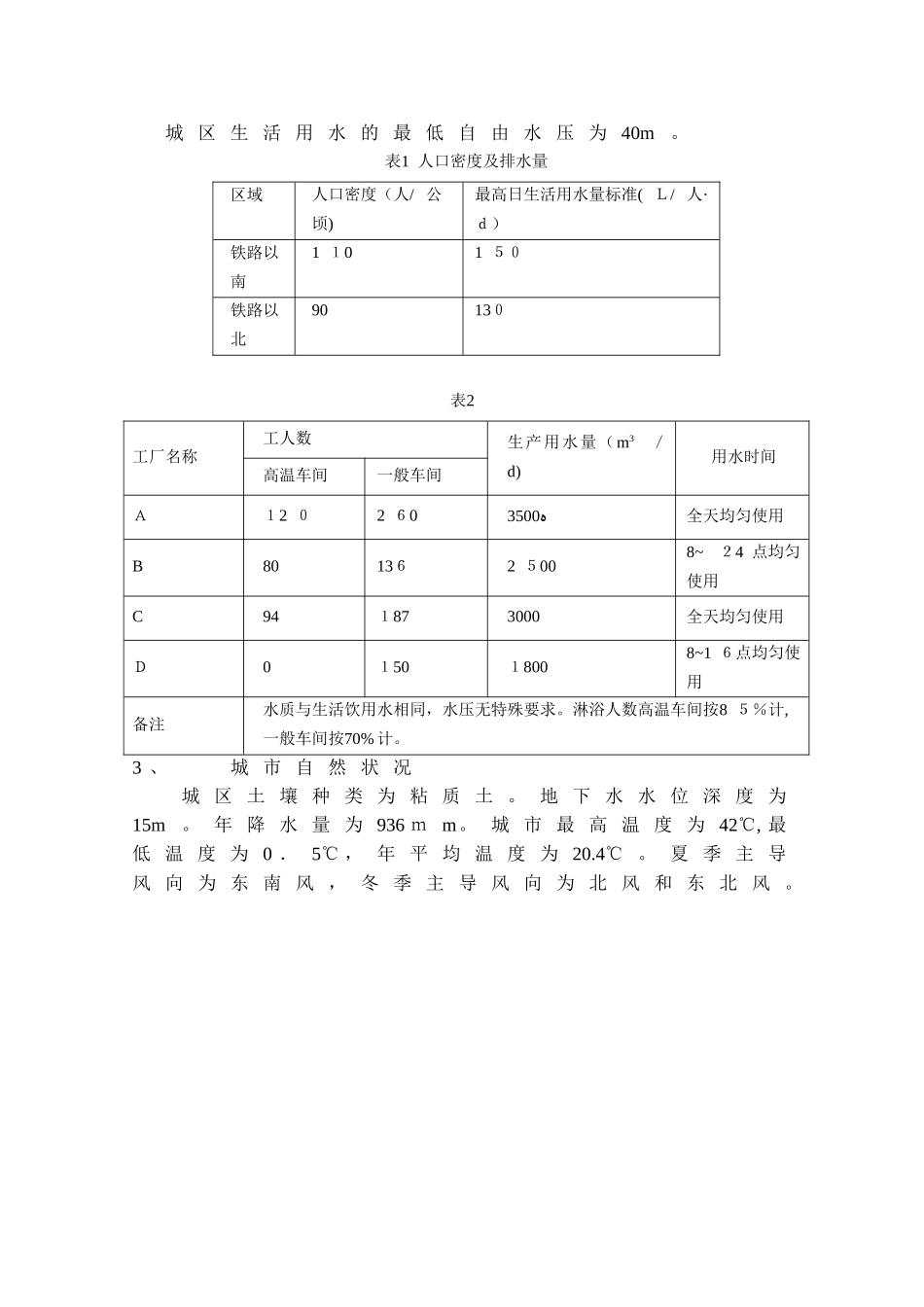
(一)《给水管网系统》课程设计任务书一、设计题目A县给水管网设计二、设计要求及工作量(一)、设计步骤:1、用水量计算(1)、确定用水量标准,计算城市最高日用水量。居民最高日生活用水量按城市分区用水量标准计算。工厂最高日生产用水量已给出,工厂用水量还包括工人在工作时生活用水量及班后淋浴用水量。此外,还有车站用水量、市政用水量(浇洒道路、绿地)。加上未预见水量,即得该城市最高日设计用水量。(2)、计算城市最高日最高时用水量。(3)、计算消防时用水量。2、供水系统方案选择:水源与取水点、取水泵站位置、水厂选址3、管网定线:根据选定的给水系统方案,进行管网定线和输水管定线。4、清水池容积,水塔容积(如果设置)计算。5、管段设计流量计算(1)、比流量计算(2)、节点流量计算先由比流量计算出沿线流量,再用沿线流量算出节点流量。(3)、进行流量分配,初拟管径。6、管网平差对供水方案的最高用水时进行管网平差。在说明书中计算并绘出最高用水时管网平差图。7、水泵扬程、水塔高度(如设置)计算。8、进行消防和事故情况的校核。(二)、图纸要求:给水管网总平面图—张。在平面图上标注节点、管段编号,管长、管径。三、参考资料1、严煦世主编.《给水排水管网系统》北京:中国建筑工业出版社,20082、北京市市政工程设计研究院主编.给水排水设计手册(1、3、4),北京:中国建筑工业出版社,20043、室外给水设计规范(GB50013-2006)四、设计资料1、城区总体规划图一张,1:10000。图上标有间隔1.0m的等高线,城市区域的划分、工厂及大型独立性公共建筑物的位置如图所示。2、用水资料人口密度及最高日生活用水定额见表1。火车站最高日用水量为320m3/d;工业企业用水量情况见表2;市政用水量为1200m3/d。城区生活用水的最低自由水压为40m。表1人口密度及排水量区域人口密度(人/公顷)最高日生活用水量标准(L/人·d)铁路以南110150铁路以北90130表2工厂名称工人数生产用水量(m3/d)用水时间高温车间一般车间A1202603500ﻩ全天均匀使用B8013625008~24点均匀使用C941873000全天均匀使用D015018008~16点均匀使用备注水质与生活饮用水相同,水压无特殊要求。淋浴人数高温车间按85%计,一般车间按70%计。3、城市自然状况城区土壤种类为粘质土。地下水水位深度为15m。年降水量为936mm。城市最高温度为42℃,最低温度为0.5℃,年平均温度为20.4℃。夏季主导风向为东南风,冬季主导风向为北风和东北风。(二)设计要求及工作量一、设计用水量的计算经计算,铁路以北面积150公顷,铁路以南面积550公顷,又人口密度见下表:表1人口密度及排水量区域人口密度(人/公顷)最高日生活用水量标准(L/人·d)铁路以南110150铁路以北90130故该城区总人口数:150×90+550×110=74000=7.4万1、最高日设计用水量计算(1)、城市最高日综合生活用水量查<<室外给水设计规范>>第14页,得:假设该区为一区,该城区设计人口数为8.65万,查表得居民最高日生活用水定额取为260L/capd,则有:式中:q—居民最高日生活用水量定额[L/capd]N—设计年限城市用水的计划人口数(cap)(2)工业企业生产用水量由表2得,(3)工业企业职工的生活用水和淋浴用水量表2工厂名称生产班数每班职工人数每班淋浴人数职工生活与淋浴用水量一般车高温车一般车高温车生活用淋浴用小计A326012018210232.40.72.3B213680966812.415.28.2C318794131802330.54.0D1150010503.84.28.0合计7290.316职工生活用水量定额为:一般车间25L/(cap班),高温车间35L/(cap班);职工淋浴用水量定额为:一般车间40L/(cap班),污染车间60L/(cap班)。(4)浇洒道路和大面积绿化用水量(5)未预见和管网漏失水量Q5,(取20%)(6)公共建筑:车站用水量Q7Q7=320m3/d(7)最高日设计用水量=27255.53m3/d取2、最高日最高时用水量查《室外给水设计规范》,取时变化系数,则:3.消防用水量Q6,经查得式中:--消防用水量定额(L/s),查规范当城市人口数10万人时,取=35L/s;--同时火灾次数,查规范当城市人口数10万人时,取=2二、供水系统方案选择1)给水管网...

1、当您付费下载文档后,您只拥有了使用权限,并不意味着购买了版权,文档只能用于自身使用,不得用于其他商业用途(如 [转卖]进行直接盈利或[编辑后售卖]进行间接盈利)。
2、本站所有内容均由合作方或网友上传,本站不对文档的完整性、权威性及其观点立场正确性做任何保证或承诺!文档内容仅供研究参考,付费前请自行鉴别。
3、如文档内容存在违规,或者侵犯商业秘密、侵犯著作权等,请点击“违规举报”。

碎片内容

2024年给水管网计算书

山水人家+ 关注
实名认证
内容提供者

读万卷书,行万里路。

相关文档

确认删除?
VIP
微信客服
  • 扫码咨询
会员Q群
  • 会员专属群点击这里加入QQ群
客服邮箱
回到顶部