电脑桌面
添加小米粒文库到电脑桌面
安装后可以在桌面快捷访问

外墙膨胀玻化微珠保温砂浆施工工艺_secretVIP免费

外墙膨胀玻化微珠保温砂浆施工工艺_secret_第1页
1/15
外墙膨胀玻化微珠保温砂浆施工工艺_secret_第2页
2/15
外墙膨胀玻化微珠保温砂浆施工工艺_secret_第3页
3/15
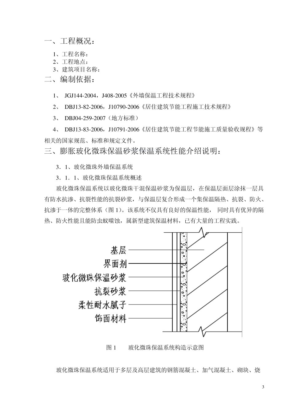
1 外墙膨胀玻化微珠保温砂浆 施 工 专 项 方 案 编制单位: 编制时间: 2 施工组织设计(施工方案)报审表 施表7 .1 工程名称 施工单位 编制单位 主编 编制人 工程项目部/专业分包施工单位 (盖章) 技术负责人 审 核 单 位 总承包单位审核意见: 年 月 日 总承包单位(盖章) 审核人 审批人 审 查 单 位 监理审查意见: 监理审查结论: □√ 同意实施 □修改后报 □重新编制 监理单位 (盖章) 专业监理工程师 日期: 总监理工程师 日期: 3 一、工程概况: 1、工程名称: 2、工程地点: 3、建筑项目名称: 二、编制依据: 1、 JGJ144-2004,J408-2005《外墙保温工程技术规程》 2、 DBJ13-82-2006,J10790-2006《居住建筑节能工程施工技术规程》 3、 DBJ04-259-2007(地方标准) 4、 DBJ13-83-2006,J10791-2006《居住建筑节能工程节能施工质量验收规程》等相关的国家规范、标准和规定文件。 三、膨胀玻化微珠保温砂浆保温系统性能介绍说明: 3.1、玻化微珠外墙保温系统 3.1.1、玻化微珠保温系统概述 玻化微珠保温系统以玻化微珠干混保温砂浆为保温层,在保温层面层涂抹一层具有防水抗渗、抗裂性能的抗裂砂浆,与保温层复合形成一个集保温隔热、抗裂、防火、抗渗于一体的完整体系(图 1)。该系统不仅具有良好的保温性能, 同时具有优异的隔热、防火性能且能防虫蚁噬蚀,属新型建筑保温材料,已有大量的工程实践。 图 1 玻化微珠保温系统构造示意图 玻化微珠保温系统适用于多层及高层建筑的钢筋混凝土、加气混凝土、砌块、烧 4 结砖和非烧结砖等围护墙的内、外保温抹灰工程,以及地下室、车库、楼梯、走廊、消防通道等防火保温工程,也适用旧建筑物的保温改造工程。 3 .2 、玻化微珠保温砂浆研制机理 3 .2 .1 、新型保温材料——玻化微珠的特性 轻骨料玻化微珠是一种无机物玻璃质矿物材料,是由火山岩粉碎成矿砂,经过特殊膨化烧法加工而成,产品呈不规则球状体颗粒,内部为空腔结构,表面玻化封闭,理化性能稳定,具有质轻、隔热防火、耐高低温、抗老化、吸水率小等优良特性。可替代粉煤灰漂珠、玻璃漂珠、普通膨胀珍珠岩、聚苯颗粒等诸多传统轻质骨料在不同制品中的应用,是一种环保型高性能无机轻质绝热材料。玻化微珠的物理性能见表1 。 表 1 玻化微珠物理性能 项 目 性 能 粒度(㎜) 0 .5~1.5 容重(kg/M3) 80~130 导热系数(W/M...

1、当您付费下载文档后,您只拥有了使用权限,并不意味着购买了版权,文档只能用于自身使用,不得用于其他商业用途(如 [转卖]进行直接盈利或[编辑后售卖]进行间接盈利)。
2、本站所有内容均由合作方或网友上传,本站不对文档的完整性、权威性及其观点立场正确性做任何保证或承诺!文档内容仅供研究参考,付费前请自行鉴别。
3、如文档内容存在违规,或者侵犯商业秘密、侵犯著作权等,请点击“违规举报”。

碎片内容

外墙膨胀玻化微珠保温砂浆施工工艺_secret

确认删除?
VIP
微信客服
  • 扫码咨询
会员Q群
  • 会员专属群点击这里加入QQ群
客服邮箱
回到顶部