电脑桌面
添加小米粒文库到电脑桌面
安装后可以在桌面快捷访问

2024年工程进度款支付申请表VIP专享VIP免费

2024年工程进度款支付申请表_第1页
1/10
2024年工程进度款支付申请表_第2页
2/10
2024年工程进度款支付申请表_第3页
3/10
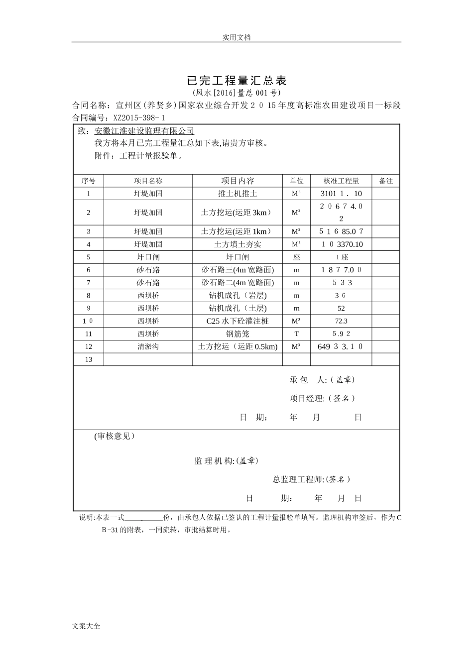
实用文档工程进度款支付申请书(风水[2016]进付001号)合同名称:宣州区(养贤乡)国家农业综合开发2015年度高标准农田建设项目一标段合同编号:XZ2015-398-1致:安徽江淮建设监理有限公司我方已按合同完成了宣州区(养贤乡)国家农业综合开发2015年度高标准农田建设项目一标段合同工程量30%。根据合同约定,建设方需支付第一期工程进度款,现报上工程付款申请表,请予以审查。计算方式:1.合同总价:6978387.65元2.本期完成:2285900元3、本期应付:2*0.6=1371540元附表:1.工程价款月支付汇总表。2.已完工程量汇总表。3.进度款支付明细表。承包人:(盖章)项目经理:(签名)日期:年月日审核后,监理机构将另行签发月付款证书。监理机构:(盖章)签收人:(签名)日期:年月日说明:本申请书及附表一式份,由承包人填写。监理机构审签后,作为月付款证书的附件报送发包人批准。工程进度款支付汇总表(风水[2016]月总001号)合同名称:宣州区(养贤乡)国家农业综合开发2015年度高标准农田建设项目一标段合同编号:XZ2015-398-1致:安徽江淮建设监理有限公司我方今申报第一期工程进度款,工程进度总支付金额为(大写)壹佰叁拾柒万壹仟文案大全实用文档伍佰肆拾元(小写1371540),请贵方审核。工程或费用名称本期前累计完成金额(元)本期申请金额(元)本期末累计完成金额(元)备注应支付金额合同单价项目013715401371540合同合价项目合同新增项目计日工项目材料预付款索赔项目价格调整延期付款利息其他应支付金额合计13715401371540扣除金额工程预付款材料预付款保留金违约赔偿其他扣除金额合计第一期总支付金额:壹佰叁拾柒万壹仟伍佰肆拾零元零角零分承包人:(盖章)项目经理:(签名)日期:年月日监理机构将另行签发审核意见。监理机构:(盖章)签收人:(签名)日期:年月日说明:本表一式份,由承包人填写。作为CB-31的附表,一同流转,审批结算时用文案大全实用文档已完工程量汇总表(风水[2016]量总001号)合同名称:宣州区(养贤乡)国家农业综合开发2015年度高标准农田建设项目一标段合同编号:XZ2015-398-1致:安徽江淮建设监理有限公司我方将本月已完工程量汇总如下表,请贵方审核。附件:工程计量报验单。序号项目名称项目内容单位核准工程量备注1圩堤加固推土机推土M³31011.102圩堤加固土方挖运(运距3km)M³20674.023圩堤加固土方挖运(运距1km)M³51685.074圩堤加固土方填土夯实M³103370.105圩口闸圩口闸座1座6砂石路砂石路三(4m宽路面)m1877.007砂石路砂石路二(4m宽路面)m5338西坝桥钻机成孔(岩层)m369西坝桥钻机成孔(土层)m5210西坝桥C25水下砼灌注桩M³72.311西坝桥钢筋笼T5.9212清淤沟土方挖运(运距0.5km)M³64933.1013承包人:(盖章)项目经理:(签名)日期:年月日(审核意见)监理机构:(盖章)总监理工程师:(签名)日期:年月日说明:本表一式份,由承包人依据已签认的工程计量报验单填写。监理机构审签后,作为CB-31的附表,一同流转,审批结算时用。文案大全实用文档进度款支付明细表。合同名称:宣州区(养贤乡)国家农业综合开发2015年度高标准农田建设项目一标段合同编号:XZ2015-398-1序号项目名称单位单价(元)合同工程量合同价(元)截止上期末累计完成施工单位本期申报完成监理单位审核完成建设单位审核完成完成比例备注工程量金额(元)工程量金额(元)工程量金额(元)工程量金额(元)一圩堤加固1推土机推土M³3.8931011.10120633.1831011.10120633.1831011.1031011.102土方挖运(运距3km)M³11.3720674.02235063.6120674.02235063.6120674.0220674.023土方挖运(运距1km)M³6.4951685.07335436.1051685.07335436.1051685.0751685.074土方填土夯实M³6.42103370.10663636.04103370.10663636.04103370.10103370.10二圩口闸座292651.681292651.681292651.681292651.68三砂石路1砂石路三(4m宽面)m163.653387207.8653387207.8653387207.862砂石路二(4m宽路面)m801877150180.891877150180.891877150180...

1、当您付费下载文档后,您只拥有了使用权限,并不意味着购买了版权,文档只能用于自身使用,不得用于其他商业用途(如 [转卖]进行直接盈利或[编辑后售卖]进行间接盈利)。
2、本站所有内容均由合作方或网友上传,本站不对文档的完整性、权威性及其观点立场正确性做任何保证或承诺!文档内容仅供研究参考,付费前请自行鉴别。
3、如文档内容存在违规,或者侵犯商业秘密、侵犯著作权等,请点击“违规举报”。

碎片内容

2024年工程进度款支付申请表

您可能关注的文档

确认删除?
VIP
微信客服
  • 扫码咨询
会员Q群
  • 会员专属群点击这里加入QQ群
客服邮箱
回到顶部