电脑桌面
添加小米粒文库到电脑桌面
安装后可以在桌面快捷访问

安全仪器工初级题.VIP免费

安全仪器工初级题._第1页
1/3
安全仪器工初级题._第2页
2/3
安全仪器工初级题._第3页
3/3
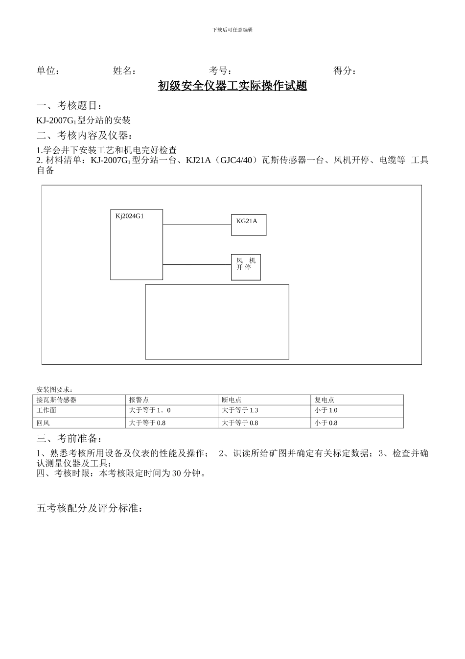
下载后可任意编辑单位: 姓名: 考号: 得分:初级安全仪器工实际操作试题一、考核题目:KJ-2007G1型分站的安装二、考核内容及仪器:1.学会井下安装工艺和机电完好检查2. 材料清单:KJ-2007G1型分站一台、KJ21A(GJC4/40)瓦斯传感器一台、风机开停、电缆等 工具自备安装图要求:接瓦斯传感器报警点断电点复电点工作面大于等于 1。0大于等于 1.3小于 1.0回风大于等于 0.8大于等于 0.8小于 0.8三、考前准备:l、熟悉考核所用设备及仪表的性能及操作; 2、识读所给矿图并确定有关标定数据;3、检查并确认测量仪器及工具;四、考核时限:本考核限定时间为 30 分钟。五考核配分及评分标准:Kj2024G1KG21A风机开 停下载后可任意编辑考场负责人: 考评员: 记录员:初级安全仪器工 实际操作 考核准备通知单(考场)一、考核题目: KJ-2024G1型分站的安装序号考核项目考核技术要求配分评分标准扣分得分1安全1 严格执行“自停、自检、自送”的原则和“停电挂牌”制度,并仔细执行停、验、放电顺序。确认停电后挂好停电牌,方可进行下一步操作2 学员必须随身佩带便携式甲烷报警器,甲烷超过 0.5%时必须停止作业。20每项 10 分2技术安设完成后,把传感器安设到指定位置。然后送电检查监测分站、传感器是否工作正常,并与地面取得联系,确认地面微机系统接收到的数据与现场传感器显示数据一致。501 安装工艺 20 分2 机电完好 20 分3 数据一致 10 分3现 场 文 明化安装结束进行确认,清理作业现场,符合标准化要求后方可离开。204技术要求1 瓦 斯 传 感 器 报 警 ( 设制)、2 断电点(描述)10每项 5 分下载后可任意编辑二、设备准备序号设备名称规格数量备注1风机开停传感器自定一台2KJ-2007G1型监控分站自定1 台KJ21A(GJC4/40)瓦斯传感器自定1 台二、材料准备序号材料名称规格数量备注1甲烷标准气样1%1 瓶2传感器线缆30m345 三、工、量、刃具准备序号工具名称规格数量1螺丝刀22钳子13钢板尺≥300mm14四、考场准备1、实际操作考场每个工位面积一般不少于 3 平方米。2、工位与工位之间应设置挡板,以免考生之间互相影响,挡板高度应不低于 1.5 米。3、工位内电源线、电缆线等应符合容量及安全要求。4、考场内必须有良好的通风设施,照明良好,场内干燥,无易燃易爆物品,安全设施齐全。五、考评人员要求1、考评员应热爱本职工作,遵守考评员守则。2、考评员必须由经专门培训、考核,取得国家级...

1、当您付费下载文档后,您只拥有了使用权限,并不意味着购买了版权,文档只能用于自身使用,不得用于其他商业用途(如 [转卖]进行直接盈利或[编辑后售卖]进行间接盈利)。
2、本站所有内容均由合作方或网友上传,本站不对文档的完整性、权威性及其观点立场正确性做任何保证或承诺!文档内容仅供研究参考,付费前请自行鉴别。
3、如文档内容存在违规,或者侵犯商业秘密、侵犯著作权等,请点击“违规举报”。

碎片内容

安全仪器工初级题.

不二商店+ 关注
实名认证
内容提供者

我是你的不二选择

确认删除?
VIP
微信客服
  • 扫码咨询
会员Q群
  • 会员专属群点击这里加入QQ群
客服邮箱
回到顶部