电脑桌面
添加小米粒文库到电脑桌面
安装后可以在桌面快捷访问

2025年塔式起重机截臂安全专项施工方案VIP专享VIP免费

2025年塔式起重机截臂安全专项施工方案_第1页
1/8
2025年塔式起重机截臂安全专项施工方案_第2页
2/8
2025年塔式起重机截臂安全专项施工方案_第3页
3/8
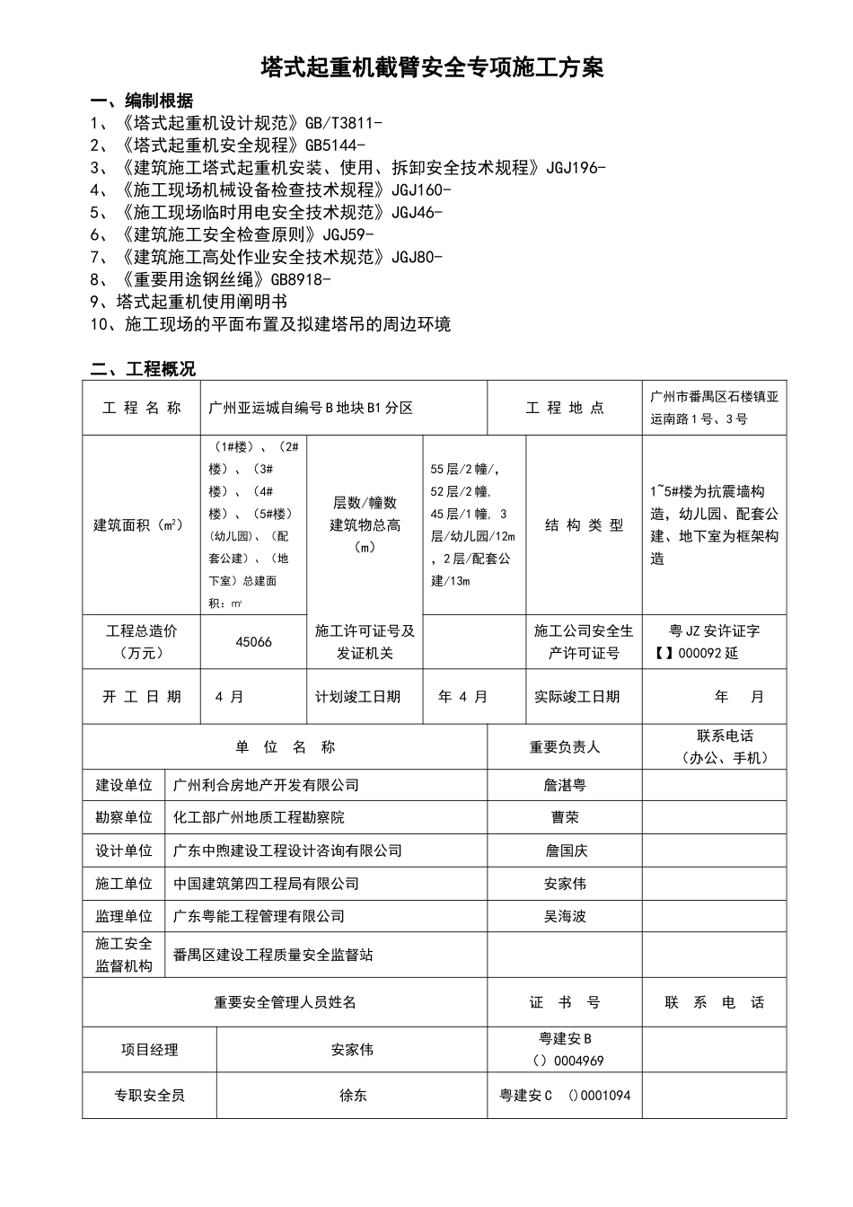
目录一、编制根据……………………………………1二、工程概况…………………………………1三、塔式起重机工作概况………………………2四、安拆人员构成………………………………2五、安全技术方法………………………………3六、截臂操作程序………………………………3七、需用辅助工具………………………………5八、质量、环保、安全管理方法………………5塔式起重机截臂安全专项施工方案一、编制根据1、《塔式起重机设计规范》GB/T3811-2、《塔式起重机安全规程》GB5144-3、《建筑施工塔式起重机安装、使用、拆卸安全技术规程》JGJ196-4、《施工现场机械设备检查技术规程》JGJ160-5、《施工现场临时用电安全技术规范》JGJ46-6、《建筑施工安全检查原则》JGJ59-7、《建筑施工高处作业安全技术规范》JGJ80- 8、《重要用途钢丝绳》GB8918-9、塔式起重机使用阐明书10、施工现场的平面布置及拟建塔吊的周边环境二、工程概况工 程 名 称广州亚运城自编号 B 地块 B1 分区工 程 地 点广州市番禺区石楼镇亚运南路 1 号、3 号建筑面积(m2)(1#楼)、(2#楼)、(3#楼)、(4#楼)、(5#楼)(幼儿园)、(配套公建)、(地下室)总建面积:㎡层数/幢数建筑物总高(m)55 层/2 幢/,52 层/2 幢,45 层/1 幢, 3层/幼儿园/12m,2 层/配套公建/13m 结 构 类 型1~5#楼为抗震墙构造,幼儿园、配套公建、地下室为框架构造工程总造价(万元)45066施工许可证号及发证机关施工公司安全生产许可证号粤 JZ 安许证字【】000092 延开 工 日 期 4 月计划竣工日期 年 4 月实际竣工日期 年 月单 位 名 称重要负责人联系电话(办公、手机)建设单位广州利合房地产开发有限公司詹湛粤勘察单位化工部广州地质工程勘察院曹荣设计单位广东中煦建设工程设计咨询有限公司 詹国庆施工单位中国建筑第四工程局有限公司安家伟监理单位广东粤能工程管理有限公司吴海波施工安全监督机构番禺区建设工程质量安全监督站重要安全管理人员姓名证 书 号联 系 电 话项目经理安家伟粤建安 B ()0004969专职安全员徐东粤建安 C ()0001094总监理工程师吴海波专业监理工程师欧阳雁B位于广州市番禺区石楼镇亚运南路 1 号、 3 号 ,工程名称为 广州亚运城自编号 B 地块 B1 分区 ,该工程由 中国建筑第四工程局有限公司 负责承建,由 广东粤能工程管理有限公司 负责监理。现场安装有 1 台塔吊,塔吊自编号为 3 #,塔吊型号为 Q...

1、当您付费下载文档后,您只拥有了使用权限,并不意味着购买了版权,文档只能用于自身使用,不得用于其他商业用途(如 [转卖]进行直接盈利或[编辑后售卖]进行间接盈利)。
2、本站所有内容均由合作方或网友上传,本站不对文档的完整性、权威性及其观点立场正确性做任何保证或承诺!文档内容仅供研究参考,付费前请自行鉴别。
3、如文档内容存在违规,或者侵犯商业秘密、侵犯著作权等,请点击“违规举报”。

碎片内容

2025年塔式起重机截臂安全专项施工方案

您可能关注的文档

读万卷书+ 关注
实名认证
内容提供者

各类经典PPT文档分享

确认删除?
VIP
微信客服
  • 扫码咨询
会员Q群
  • 会员专属群点击这里加入QQ群
客服邮箱
回到顶部