电脑桌面
添加小米粒文库到电脑桌面
安装后可以在桌面快捷访问

2025年公司产能分析报告VIP免费

2025年公司产能分析报告_第1页
1/2
2025年公司产能分析报告_第2页
2/2
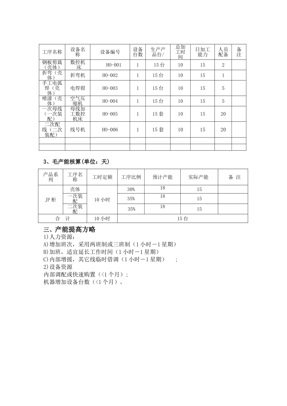
浙江环欧电气有限公司产能分析报告一、重要产品信息产品名称型号设计年产能需求计划备 注JP 柜JP4000 台2500单班二、现有设备产能核算1、预订工作时间原则2、生产能力计算(单位:天) 产能分析报告产能分析报告简述日期备注JP 柜生产产能.1计划工时计算公式:净可用工时 e=a*b*c*d阐明a单班时间/时10b班次/班1c作业率(%)95%d年出勤天数/天300e净可用时间/时28503、毛产能核算(单位:天)三、产能提高方略1)人力资源:A)增加班次,采用两班制或三班制(1 小时-1 星期)B)加班,适宜延长工作时间(1 小时-1 星期)C)内部增援,其它线临时借调(1 小时-1 星期);2)设备资源内部调配或快速购置(<1 个月); 机器增加设备台数(<1 个月)。工序名称设备名称设备编号设备台数生产产品台/总加工时间日加工能力人员配备备注钢板剪裁(壳体)数控机床HO-001115 台10152折弯(壳体)折弯机HO-002115 台10151手工电弧焊(壳体)电焊钳HO-003115 台10155喷漆(壳体)空气压缩机HO-004115 台10155一次母线(一次装配)母线加工数控机床HO-005115 套101520二次配线(二次装配)线号机HO-006115 套101520产品系列工序名称工时定额工序比例预计产能实际产能 备 注JP 柜壳体10 小时30%1815一次装配35%1815二次装配 35%1815合 计10 小时15 台

1、当您付费下载文档后,您只拥有了使用权限,并不意味着购买了版权,文档只能用于自身使用,不得用于其他商业用途(如 [转卖]进行直接盈利或[编辑后售卖]进行间接盈利)。
2、本站所有内容均由合作方或网友上传,本站不对文档的完整性、权威性及其观点立场正确性做任何保证或承诺!文档内容仅供研究参考,付费前请自行鉴别。
3、如文档内容存在违规,或者侵犯商业秘密、侵犯著作权等,请点击“违规举报”。

碎片内容

2025年公司产能分析报告

您可能关注的文档

确认删除?
VIP
微信客服
  • 扫码咨询
会员Q群
  • 会员专属群点击这里加入QQ群
客服邮箱
回到顶部