电脑桌面
添加小米粒文库到电脑桌面
安装后可以在桌面快捷访问

2025年钻孔灌注桩施工管理制度VIP免费

2025年钻孔灌注桩施工管理制度_第1页
1/4
2025年钻孔灌注桩施工管理制度_第2页
2/4
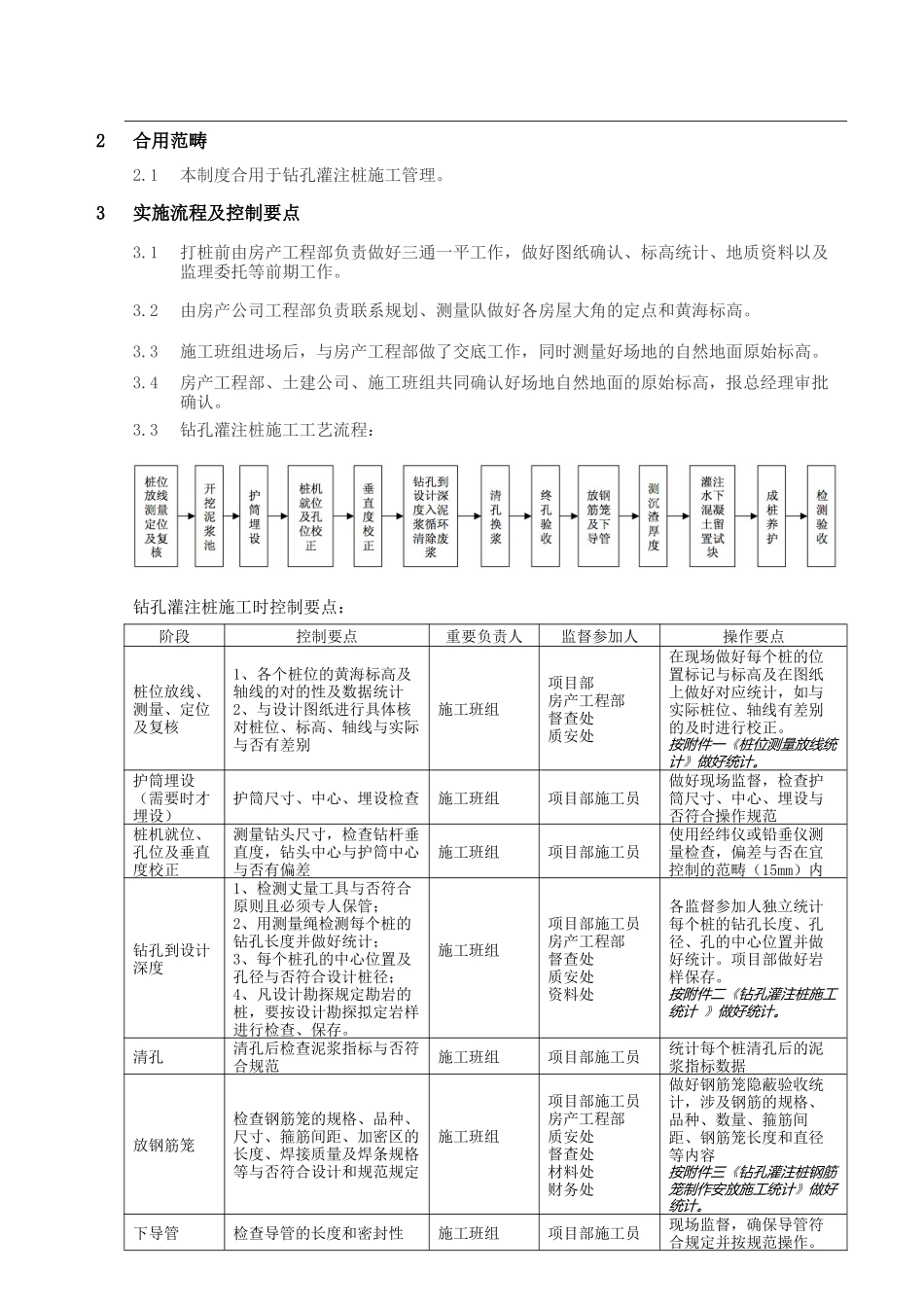
钻孔灌注桩施工管理制度(试行)编制: 日期:审核: 日期:审批: 日期:修订统计日期修订状态修改内容修改人审核人审批人1目的1.1为明确钻孔灌注桩施工及管理等各方工作,更加好地推行合同及按规范施工,切实做好钻孔灌注桩施工时的各项计量工作,确保工程质量、安全、进度等指标合格,争取优良。2合用范畴2.1本制度合用于钻孔灌注桩施工管理。3实施流程及控制要点3.1打桩前由房产工程部负责做好三通一平工作,做好图纸确认、标高统计、地质资料以及监理委托等前期工作。3.2由房产公司工程部负责联系规划、测量队做好各房屋大角的定点和黄海标高。3.3施工班组进场后,与房产工程部做了交底工作,同时测量好场地的自然地面原始标高。3.4房产工程部、土建公司、施工班组共同确认好场地自然地面的原始标高,报总经理审批确认。3.3钻孔灌注桩施工工艺流程:钻孔灌注桩施工时控制要点:阶段控制要点重要负责人监督参加人操作要点桩位放线、测量、定位及复核1、各个桩位的黄海标高及轴线的对的性及数据统计2、与设计图纸进行具体核对桩位、标高、轴线与实际与否有差别施工班组项目部房产工程部督查处质安处在现场做好每个桩的位置标记与标高及在图纸上做好对应统计,如与实际桩位、轴线有差别的及时进行校正。按附件一《桩位测量放线统计》做好统计。护筒埋设(需要时才埋设) 护筒尺寸、中心、埋设检查施工班组项目部施工员做好现场监督,检查护筒尺寸、中心、埋设与否符合操作规范桩机就位、孔位及垂直度校正测量钻头尺寸,检查钻杆垂直度,钻头中心与护筒中心与否有偏差 施工班组项目部施工员使用经纬仪或铅垂仪测量检查,偏差与否在宜控制的范畴(15mm)内钻孔到设计深度1、检测丈量工具与否符合原则且必须专人保管;2、用测量绳检测每个桩的钻孔长度并做好统计;3、每个桩孔的中心位置及孔径与否符合设计桩径;4、凡设计勘探规定勘岩的桩,要按设计勘探拟定岩样进行检查、保存。施工班组项目部施工员房产工程部督查处质安处资料处各监督参加人独立统计每个桩的钻孔长度、孔径、孔的中心位置并做好统计。项目部做好岩样保存。按附件二《钻孔灌注桩施工统计 》做好统计。清孔清孔后检查泥浆指标与否符合规范施工班组项目部施工员统计每个桩清孔后的泥浆指标数据放钢筋笼检查钢筋笼的规格、品种、尺寸、箍筋间距、加密区的长度、焊接质量及焊条规格等与否符合设计和规范规定施工班组项目部施工员房产工程部质安处督查处材料处财务处做好钢筋笼...

1、当您付费下载文档后,您只拥有了使用权限,并不意味着购买了版权,文档只能用于自身使用,不得用于其他商业用途(如 [转卖]进行直接盈利或[编辑后售卖]进行间接盈利)。
2、本站所有内容均由合作方或网友上传,本站不对文档的完整性、权威性及其观点立场正确性做任何保证或承诺!文档内容仅供研究参考,付费前请自行鉴别。
3、如文档内容存在违规,或者侵犯商业秘密、侵犯著作权等,请点击“违规举报”。

碎片内容

2025年钻孔灌注桩施工管理制度

确认删除?
VIP
微信客服
  • 扫码咨询
会员Q群
  • 会员专属群点击这里加入QQ群
客服邮箱
回到顶部