电脑桌面
添加小米粒文库到电脑桌面
安装后可以在桌面快捷访问

最全木结构计算VIP免费

最全木结构计算_第1页
1/13
最全木结构计算_第2页
2/13
最全木结构计算_第3页
3/13
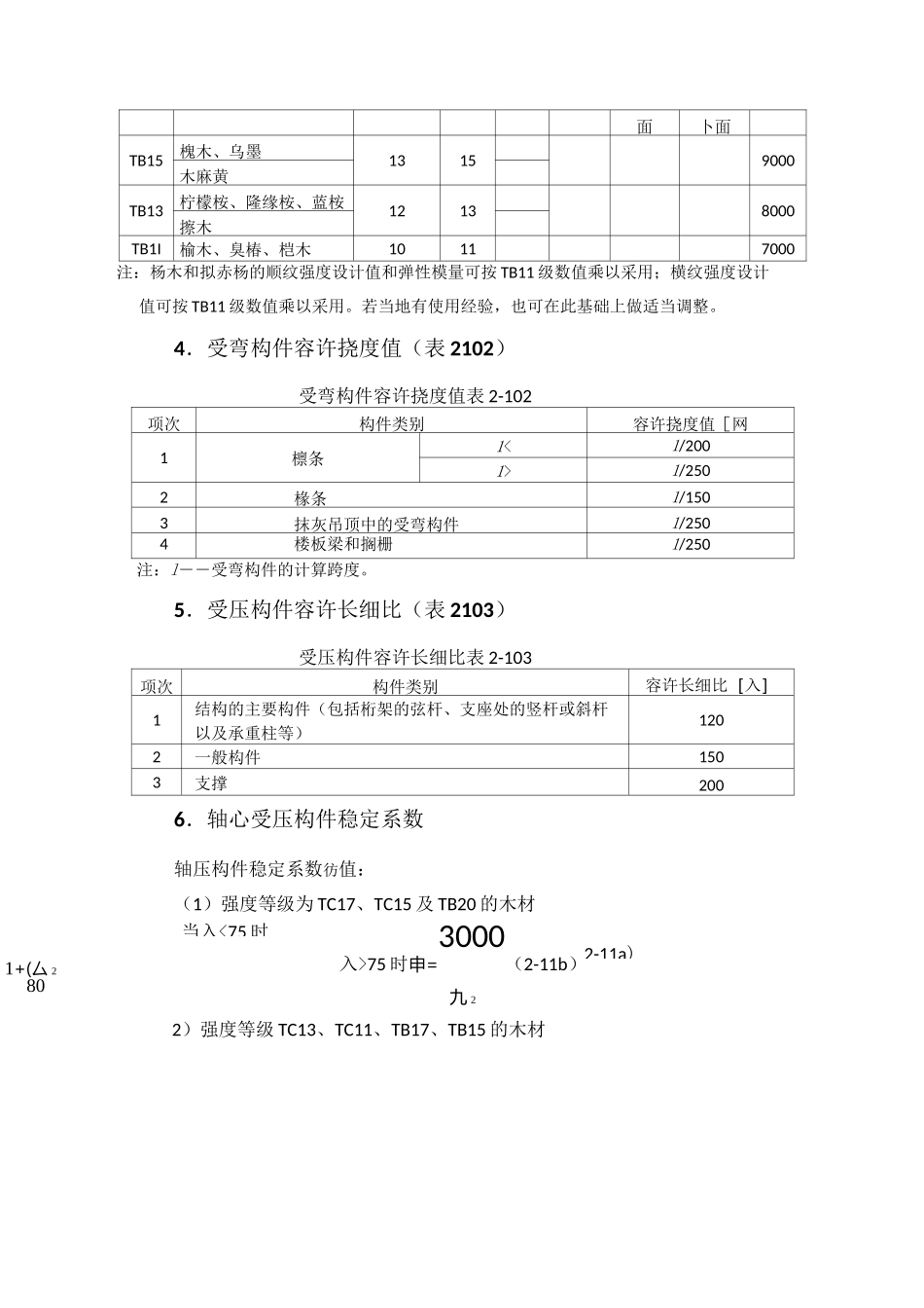
1因新的木结构设计规范尚未出版,此处仍按“木结构设计规范”(GBJ5-88)编写。最全2-6 木结构计算 12-6-1 木结构计算用表1.承重结构构件材质等级(表 297)承重结构构件材质等级表 2-97项次构件类型材质等级1受拉或拉弯构件I2受弯或压弯构件II3受压构件及次要受弯构件(如吊顶小龙骨等)III注:1.屋面板、挂瓦条等次要构件可根据各地习惯选材,不统一规定其材质等级。2.本表中的材质等级系按承重结构的受力要求分级,其选材应符合《木结构设计规范》GBJ5-88 材质标准的规定,不得用一般商品材等级标准代替。2.常用树种木材的强度设计值和弹性模量(表 298)常用树种木材的强度设计值和弹性模量(N/mm2)表 2-98强度等级组别适用树种抗弯fm顺纹抗压及承压 fc顺纹抗拉顺纹抗剪fv横纹承压 fc90弹性模量E全表面局部表面及齿面拉力螺栓垫板卜面TC17A柏木17161010000B东北落叶松15TC15A铁衫、油杉1513910000B鱼鳞云杉、西南云杉129TC13A油松、新疆落叶松、云南松、马尾131210000B红皮云松、丽江云杉、红松、樟子松109000TC11A西北云杉、新疆云杉11109000B杉木、冷杉10TB20-栎木、青冈、稠木20181212000TB17-水曲柳17161111000TB15-锥栗(拷木)、桦木 15141010000注:1.对位于木构件端部(如接头处)的拉力螺栓垫板,其计算中所取用的木材横纹承压强度设计值,应按“局部表面及齿面”一栏的数值采用。木材树种归类说明见《木结构设计规范》附录五。2.当采用原木时,若验算部位未经切削,其顺纹抗压和抗弯强度设计值和弹性模量可提高15%。3.当构件矩形截面短边尺寸不小于 150mm 时,其抗弯强度设计值可提高 10%。4.当采用湿材时,各种木材横纹承压强度设计值和弹性模量,以及落叶松木材的抗弯强度设计值宜降低 10%。5.在表 2-99 所列的使用条件下,木材的强度设计值及弹性模量应乘以该表中给出的调整系数。木材强度设计值和弹性模量的调整系数表 2-99项次使用条件调整系数强度设计值弹性模量1露天结构2在生产性咼温影响下,木材表面温度达 40~50°C3恒荷载验算(注 1)4木构筑物5施工荷载注:1.仅有恒荷载或恒荷载所产生的内力超过全部荷载所产生的内力的 80%时,应单独以恒荷载进行验算。2.当若干条件同时出现,表列各系数应连乘。木材强度检验标准见表 2-100。木材强度检验标准表 2-100木材种类针叶材阔叶材强度等级TC11TC13TC15TC17TB11TB13TB15TB17TB20检验结果的最低强度值(N/mm2)不得低于445158725868788898注...

1、当您付费下载文档后,您只拥有了使用权限,并不意味着购买了版权,文档只能用于自身使用,不得用于其他商业用途(如 [转卖]进行直接盈利或[编辑后售卖]进行间接盈利)。
2、本站所有内容均由合作方或网友上传,本站不对文档的完整性、权威性及其观点立场正确性做任何保证或承诺!文档内容仅供研究参考,付费前请自行鉴别。
3、如文档内容存在违规,或者侵犯商业秘密、侵犯著作权等,请点击“违规举报”。

碎片内容

最全木结构计算

wxg+ 关注
实名认证
内容提供者

该用户很懒,什么也没介绍

相关文档

确认删除?
VIP
微信客服
  • 扫码咨询
会员Q群
  • 会员专属群点击这里加入QQ群
客服邮箱
回到顶部