电脑桌面
添加小米粒文库到电脑桌面
安装后可以在桌面快捷访问

提灌站施工组设计方案VIP免费

提灌站施工组设计方案_第1页
1/31
提灌站施工组设计方案_第2页
2/31
提灌站施工组设计方案_第3页
3/31
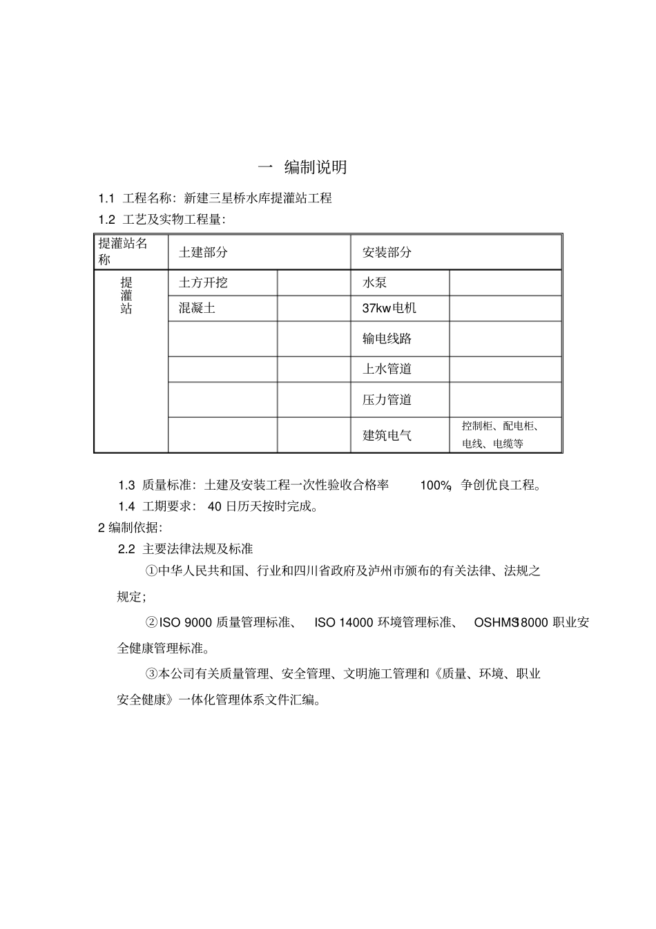
新建泸县三星桥水库工程提灌站施工方案四川天沛水利水电建设工程有限公司新建三星桥水库工程项目部二 O一六年三月目录一、编制说明...................................... 1 二、拟建工程概况.................................. 1 三、施工前准备工作................................ 3 四、施工部署...................................... 6 五、主要施工技术方法与质量保证措施................22 六、工程质量目标及质量保证措施....................23 七、特殊季节施工..................................24 八、地下管线与周围建筑物保护措施..................25 九、安全、文明施工保证措施........................26 一 编制说明1.1 工程名称:新建三星桥水库提灌站工程1.2 工艺及实物工程量:提灌站名称土建部分安装部分提灌站土方开挖水泵混凝土37kw电机输电线路上水管道压力管道建筑电气控制柜、配电柜、电线、电缆等1.3 质量标准:土建及安装工程一次性验收合格率100%,争创优良工程。1.4 工期要求: 40 日历天按时完成。2 编制依据:2.2 主要法律法规及标准①中华人民共和国、行业和四川省政府及泸州市颁布的有关法律、法规之规定;②ISO 9000 质量管理标准、ISO 14000 环境管理标准、OSHMS 18000 职业安全健康管理标准。③本公司有关质量管理、安全管理、文明施工管理和《质量、环境、职业安全健康》一体化管理体系文件汇编。2.1 、 编制本施工组织设计引用的标准规范:规范名称备注《安装工程施工及验收规范》(有关部分)《建筑工程施工及验收规范》(有关部分)《建筑工程质量检验评定标准》GBJ301-88 《建筑安装工程质量检验评定标准》GBJ300-88 《建设工程施工现场供水用电安全规范》GB50149-93 《施工现场临时用电安全、技术规范》JGJ46-88 《建筑施工安全检查评分标准》JGJ59-88 二 拟建工程概况 2.1 工程概况本次实施施工的提灌站共2 座,石龙提灌站和青桥提灌站,位于泸县太伏镇青桥村,提灌站设计形式基本上采用的是半埋地式,,土建结构形式为C20抗渗钢筋砼体,采用沉井工艺施工。上部建筑主要用来安装电气控制、起吊梁板及管理房等,采用斜屋面单层砖混结构,并相应附属建筑物装饰、建筑电气安装工程。提灌站运行设备主体为潜水泵,水源经进水管道后,由提升泵提升入上水管道。2.3 工程特点及难点根据设计图纸 , 并经过仔细分析, 本工程主要存在如下施工特点及难度:...

1、当您付费下载文档后,您只拥有了使用权限,并不意味着购买了版权,文档只能用于自身使用,不得用于其他商业用途(如 [转卖]进行直接盈利或[编辑后售卖]进行间接盈利)。
2、本站所有内容均由合作方或网友上传,本站不对文档的完整性、权威性及其观点立场正确性做任何保证或承诺!文档内容仅供研究参考,付费前请自行鉴别。
3、如文档内容存在违规,或者侵犯商业秘密、侵犯著作权等,请点击“违规举报”。

碎片内容

提灌站施工组设计方案

确认删除?
VIP
微信客服
  • 扫码咨询
会员Q群
  • 会员专属群点击这里加入QQ群
客服邮箱
回到顶部