电脑桌面
添加小米粒文库到电脑桌面
安装后可以在桌面快捷访问

支撑体系技术标准VIP免费

支撑体系技术标准_第1页
1/10
支撑体系技术标准_第2页
2/10
支撑体系技术标准_第3页
3/10
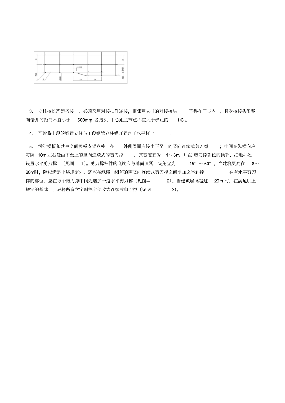
模板支撑体系技术标准一、JGJ162-2008 建筑施工模板安全技术规范承重的支架柱,其荷载应直接作用于立杆的轴线上,严禁承受偏心荷载。应对模板和配件进行挑选、检测,不合格者应剔除,并应运至工地指定地点堆放。支撑梁、板的支架立柱安装构造应符合下列规定: 1.梁和板的立柱,纵横向间距应相等或成倍数。 2.钢管立柱底部应设垫木和底座,顶部应设可调支托, U 型支托与楞梁两侧间如有间隙,必须楔紧,其螺杆伸出钢管顶部不得大于200mm,插入长度不得小于15mm, 螺杆外径与立柱钢管内径的间隙不得大于3mm,安装时应保证上下同心。 3.在立柱底距地面200mm高处,沿纵横水平方向应按纵下横上的程序设扫地杆。可调支托底部的立柱顶端应沿纵横向设置一道水平杆。扫地杆与顶部水平杆之间的间距,在满足模板设计所确定的水平杆步距要求条件下 ,进行 平均分配确定步距后,在 每一步距处纵横向应各设一道水平杆。当层高在8~20m时,在最顶步距两水平杆中间应加设一道水平杆;当层高大于20m 时,在最顶两步距水平杆中间应分别增加一道水平杆。所有水平杆的端部均应与四周建筑物顶紧顶牢。无处可顶时,应于水平杆端部和中部沿竖向设置连续式剪刀撑。 4.钢管立柱的扫地杆、水平杆、剪刀撑应采用Φ48mm×钢管,用扣件与钢管立柱扣牢。钢管扫地杆、水平杆应采用对接, 剪刀撑应采用搭接, 搭接长度不得小于500mm,用两个旋转扣件分别在离杆端不小于100mm处进行固定。5. 梁下支撑立柱应设置纵横向扫地杆、水平杆与支撑体系连成一体。支架立柱安装构造当采用扣件式钢管作立柱支撑时,其安装构造应符合下列规定: 1.钢管规格、间距、扣件应符合设计要求。每根立柱底部应设置底座及垫板 ,垫板厚度不得小于50mm。 2.钢管支架立柱间距、扫地杆、水平拉杆、剪刀撑的设置应符合本规范第条的规定。当立柱底部不在同一高度时 ,高处的纵向扫地杆应向低处延长不少于两跨,高低差不得大于1m,立柱 距边坡上方边缘不得小于。 3.立柱接长严禁搭接,必须采用对接扣件连接,相邻两立柱的对接接头不得在同步内,且对接接头沿竖向错开的距离不宜小于500mm,各接头 中心距主节点不宜大于步距的1/3 。 4.严禁将上段的钢管立柱与下段钢管立柱错开固定于水平杆上。 5.满堂模板和共享空间模板支架立柱,在外侧周圈应设由下至上的竖向连续式剪刀撑;中间在纵横向应每隔 10m 左右设由下至上的竖向连续式的剪刀撑,其宽度宜为4~6m,并在 剪刀撑部位的顶部、扫...

1、当您付费下载文档后,您只拥有了使用权限,并不意味着购买了版权,文档只能用于自身使用,不得用于其他商业用途(如 [转卖]进行直接盈利或[编辑后售卖]进行间接盈利)。
2、本站所有内容均由合作方或网友上传,本站不对文档的完整性、权威性及其观点立场正确性做任何保证或承诺!文档内容仅供研究参考,付费前请自行鉴别。
3、如文档内容存在违规,或者侵犯商业秘密、侵犯著作权等,请点击“违规举报”。

碎片内容

支撑体系技术标准

您可能关注的文档

确认删除?
VIP
微信客服
  • 扫码咨询
会员Q群
  • 会员专属群点击这里加入QQ群
客服邮箱
回到顶部