电脑桌面
添加小米粒文库到电脑桌面
安装后可以在桌面快捷访问

支架现浇连续梁支撑架施工作业指导书学习VIP免费

支架现浇连续梁支撑架施工作业指导书学习_第1页
1/13
支架现浇连续梁支撑架施工作业指导书学习_第2页
2/13
支架现浇连续梁支撑架施工作业指导书学习_第3页
3/13
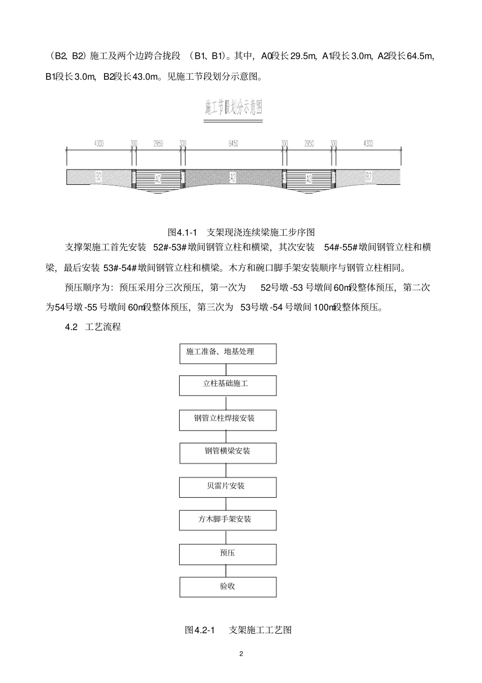
1 京沈铁路客运专线辽宁段TJ-4标桥梁工程卧虎沟河特大桥 1-(60+100+60)m 连续梁支撑架施工作业指导书1. 适用范围本 作 业 指 导 书 适 用 于 京 沈 客 专 辽 宁 段 TJ-4 标 二 工 区 桥 梁 工 程 卧 虎 沟 河 特 大 桥DK351+246.15~DK351+467.85(52#~55#墩) 1-(60+100+60)m连续梁支撑架施工。2. 作业准备2.1 内业技术准备认真阅读、审核施工图纸,澄清有关技术问题,熟悉规范和技术标准。编制支架现浇连续梁专项施工方案,进行支撑架体系的设计和安全检算,制定施工安全保证措施,提出应急预案。将连续梁支撑架施工重点事项对施工人员进行技术交底,对参加施工人员进行上岗前技术培训,考核后持证上岗。支撑架体系基础的地基承载力进行动力触探试验,对不满足承载力的地基开挖至持力层进行换填处理,满足承载力要求后方可进行基础施工。安全评价报告已经审批完成,相关安全协议签订完成。2.2 外业技术准备交通导改方案需要材料已经准备完成,并按照施工方案进行设置; 630螺纹钢管、贝雷片、方木、工字钢、碗口脚手架等主要材料已经全部进场。机械设备按照施工方案配置完成,并进行进场验收。3. 技术要求支架基础必须具有足够的承载能力,并做好地面防排水处理,严格控制不均匀沉降,满足设计要求。支架结构应具有足够的承载力和整体稳定性,其承载力和稳定性必须进行检算。支架应根据施工设计图进行制作和安装,安装结束后经检查符合要求后,方可进行模板安装。支架预压按总荷载重量的1.2 倍进行,并测量沉降值,符合要求后方可终止预压。4. 施工程序与工艺流程4.1 施工程序连续梁采用钢管立柱 +贝雷梁支架法现浇施工, 按照设计图纸进行分段施工。 连续梁共分9个现浇段施工,即三个第一现浇段(A0、A2、A0)、两个中跨合龙段( A1、A1)、两个边跨段2 (B2、B2)施工及两个边跨合拢段 (B1、B1)。其中,A0段长 29.5m,A1段长 3.0m,A2段长64.5m,B1段长 3.0m,B2段长43.0m。见施工节段划分示意图。图4.1-1 支架现浇连续梁施工步序图支撑架施工首先安装 52#-53#墩间钢管立柱和横梁,其次安装54#-55#墩间钢管立柱和横梁,最后安装 53#-54#墩间钢管立柱和横梁。木方和碗口脚手架安装顺序与钢管立柱相同。预压顺序为:预压采用分三次预压,第一次为52号墩 -53 号墩间 60m段整体预压,第二次为54号墩 -55 号墩间 60m段整体预压,第三次为 53号墩 -54 号墩间 100m段整体预压。...

1、当您付费下载文档后,您只拥有了使用权限,并不意味着购买了版权,文档只能用于自身使用,不得用于其他商业用途(如 [转卖]进行直接盈利或[编辑后售卖]进行间接盈利)。
2、本站所有内容均由合作方或网友上传,本站不对文档的完整性、权威性及其观点立场正确性做任何保证或承诺!文档内容仅供研究参考,付费前请自行鉴别。
3、如文档内容存在违规,或者侵犯商业秘密、侵犯著作权等,请点击“违规举报”。

碎片内容

支架现浇连续梁支撑架施工作业指导书学习

确认删除?
VIP
微信客服
  • 扫码咨询
会员Q群
  • 会员专属群点击这里加入QQ群
客服邮箱
回到顶部