电脑桌面
添加小米粒文库到电脑桌面
安装后可以在桌面快捷访问

政排水管道工程施工监理要点VIP免费

政排水管道工程施工监理要点_第1页
1/5
政排水管道工程施工监理要点_第2页
2/5
政排水管道工程施工监理要点_第3页
3/5
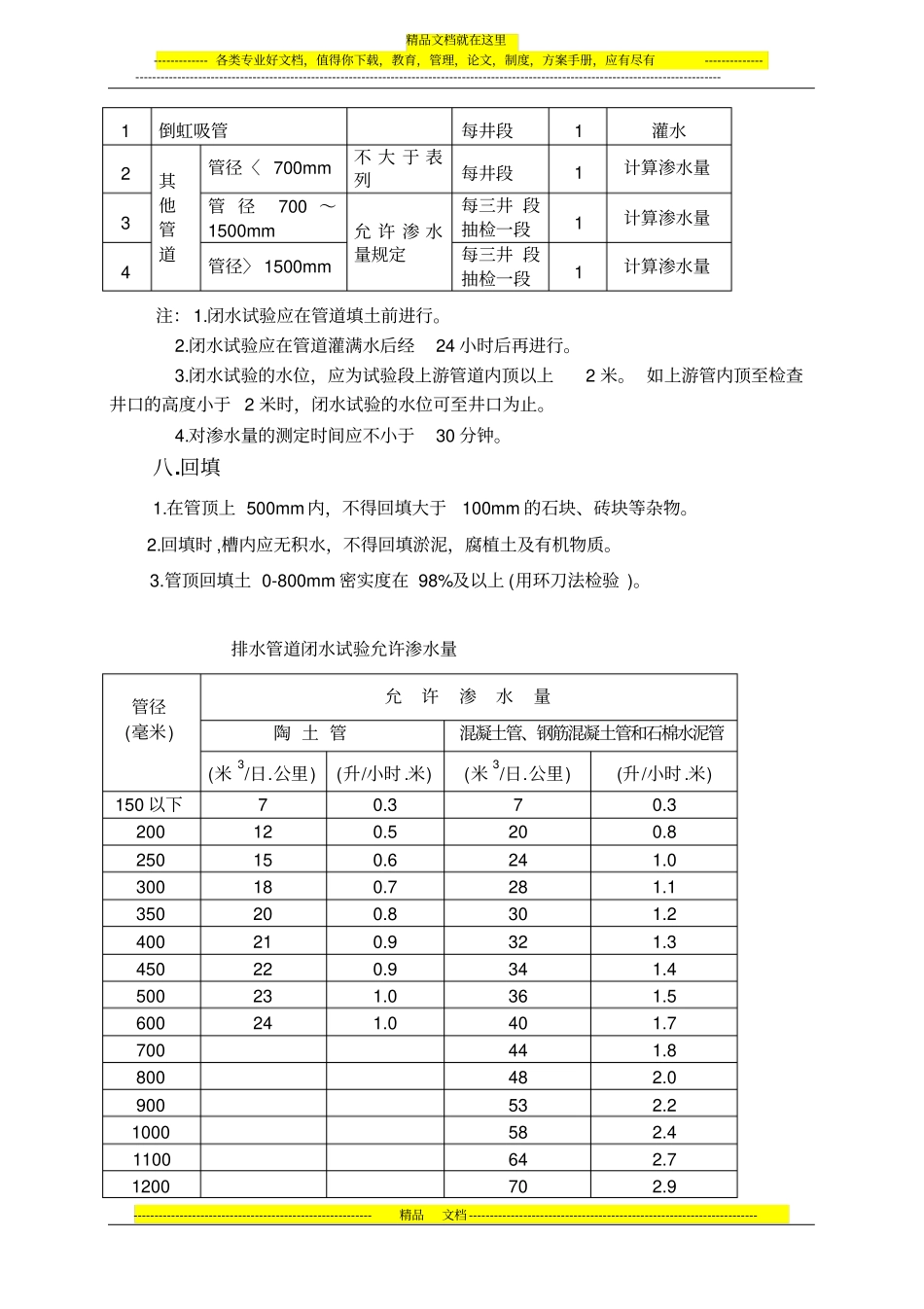
精品文档就在这里------------- 各类专业好文档,值得你下载,教育,管理,论文,制度,方案手册,应有尽有-------------- -------------------------------------------------------------------------------------------------------------------------------------------- ---------------------------------------------------------精品文档 --------------------------------------------------------------------- 市政排水管道工程施工监理要点原材料如砂、石、钢材、水泥、石灰、管材等的原材料和半成品质量标准必须符合现行有关标准执行。并参照钢筋工程、砼工程、砖石工程监理实施细则中相关部分执行。施工规范:一.沟槽1.沟槽开挖,严禁扰动槽底土壤。2.槽底不得受水浸泡,可设集水井,用抽水机抽水降低水位。3.沟槽允许偏差可用水准仪对两井之间测量槽底高程,允许偏差 +0mm,-30mm。槽底中线每侧宽度及沟槽边坡不少于规定。二.平基、管座1.混凝土抗压强度应符合规范规定。2.垫层,中线每侧宽度不小于设计规定高程允许偏差20.-15mm。3.平基中线每侧宽度允许偏差+10mm,高程允许偏差 -15mm 厚度不小于设计规定。4.管座允许偏差肩宽 +10mm、-5mm;肩高± 20mm。5.蜂窝面积允许偏差1%。三.安管管道必须垫稳,管底坡度不得倒流水,缝宽应均匀,管道内不得有泥土砖石砂浆、木块等杂物。1.安管中线位移两管之间偏差15mm(测 2 点) 2.管内底高程两井之间允许偏差管径≤1000mm±10mm,管径〉 1000mm±15mm。(测 2 点) 3.相邻管内底错口,两管之间允许偏差,管径≤1000mm 为 3mm,管径〉 1000mm为 5 毫米。 (测 3 点) 四.接口1.承插口应平直、环形间隙应均匀。灰口应整齐密实饱满,不得有裂缝、空鼓等现象。精品文档就在这里------------- 各类专业好文档,值得你下载,教育,管理,论文,制度,方案手册,应有尽有-------------- -------------------------------------------------------------------------------------------------------------------------------------------- ---------------------------------------------------------精品文档 --------------------------------------------------------------------- 2.抹带接口应表面平整,不得有间隙和裂缝,空鼓等现象。3.抹带接口允许偏差,宽度为两管之间允许+5.0mm,厚度为两管之间允许 +5.0mm。(各测 2 点) 五.顶管接口必须密实、平顺、不...

1、当您付费下载文档后,您只拥有了使用权限,并不意味着购买了版权,文档只能用于自身使用,不得用于其他商业用途(如 [转卖]进行直接盈利或[编辑后售卖]进行间接盈利)。
2、本站所有内容均由合作方或网友上传,本站不对文档的完整性、权威性及其观点立场正确性做任何保证或承诺!文档内容仅供研究参考,付费前请自行鉴别。
3、如文档内容存在违规,或者侵犯商业秘密、侵犯著作权等,请点击“违规举报”。

碎片内容

政排水管道工程施工监理要点

确认删除?
VIP
微信客服
  • 扫码咨询
会员Q群
  • 会员专属群点击这里加入QQ群
客服邮箱
回到顶部