电脑桌面
添加小米粒文库到电脑桌面
安装后可以在桌面快捷访问

安全文明施工保证措施及承诺.VIP免费

安全文明施工保证措施及承诺._第1页
1/34
安全文明施工保证措施及承诺._第2页
2/34
安全文明施工保证措施及承诺._第3页
3/34
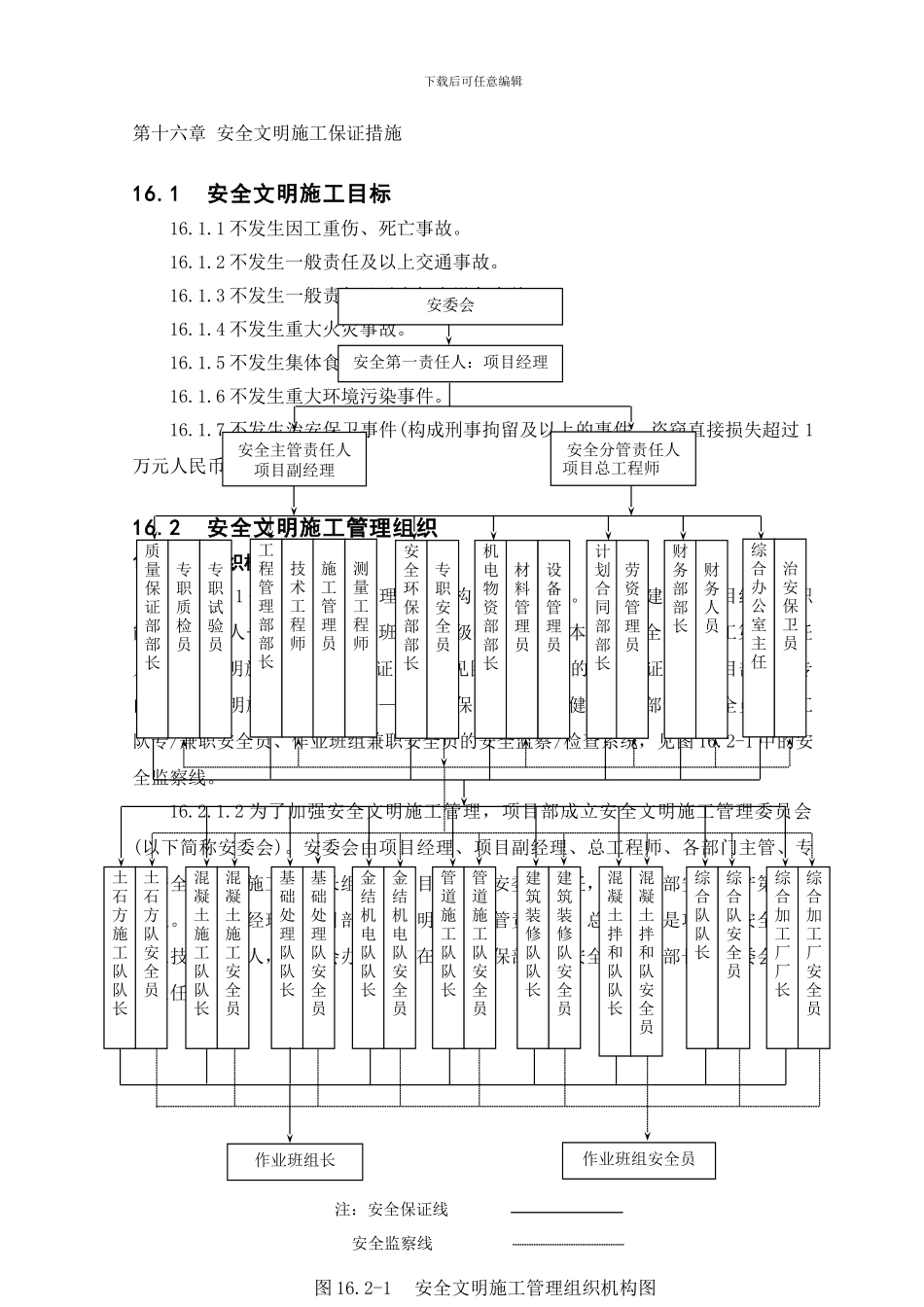
下载后可任意编辑第十六章 安全文明施工保证措施16.1 安全文明施工目标16.1.1 不发生因工重伤、死亡事故。16.1.2 不发生一般责任及以上交通事故。16.1.3 不发生一般责任及以上机电设备事故。16.1.4 不发生重大火灾事故。16.1.5 不发生集体食物中毒和传染病流行事件。16.1.6 不发生重大环境污染事件。16.1.7 不发生治安保卫事件(构成刑事拘留及以上的事件、盗窃直接损失超过 1万元人民币的事件)。16.2 安全文明施工管理组织16.2.1 组织机构16.2.1.1 安全文明施工管理组织机构见图 16.2-1。项目部建立以项目经理→职能部门负责人→施工队队长→班组长各级行政正职为本单位安全文明施工第一责任人的安全文明施工管理组织保证系统,见图 16.2-1 中的安全保证线,项目部设置专门的安全文明施工管理部门——安全环保部,建立和健全项目部专职安全员、施工队专/兼职安全员、作业班组兼职安全员的安全监察/检查系统,见图 16.2-1 中的安全监察线。16.2.1.2 为了加强安全文明施工管理,项目部成立安全文明施工管理委员会(以下简称安委会)。安委会由项目经理、项目副经理、总工程师、各部门主管、专职安全员、各施工队队长组成。项目经理为安委会主任,是项目部安全生产第一责任人。项目副经理是项目部安全文明施工主管责任人,总工程师是项目部安全文明施工技术责任人,安委会办公室设在安全环保部,由安全环保部部长任安委会办公室主任。注:安全保证线安全监察线图 16.2-1 安全文明施工管理组织机构图作业班组长作业班组安全员安全分管责任人项目总工程师安全主管责任人项目副经理安全第一责任人:项目经理工程管理部部长技术工程师机电物资部部长材料管理员质量保证部部长专职质检员计划合同部部长劳资管理员综合办公室主任治安保卫员设备管理员土石方施工队队长土石方队安全员混凝土施工队队长混凝土施工安全员基础处理队队长基础处理队 安全员金结机电队队长金结机电队安全员管道施工队队长管道施工队安全员综合加工厂厂长综合加工厂安全员安委会施工管理员测量工程师专职试验员建筑装修队队长建筑装修队安全员混凝土拌和队队长混凝土拌和队安全员安全环保部部长专职安全员财务部部长财务人员综合队队长综合队安全员下载后可任意编辑16.2.2 主要岗位人员安全职责下载后可任意编辑16.2.2.1 项目部安委会安全职责(1)履行法律法规和合同规定的安全责任,服从业主对安全文明工作的统一协调和管理。(2)保证项目部对安全文明施工条件...

1、当您付费下载文档后,您只拥有了使用权限,并不意味着购买了版权,文档只能用于自身使用,不得用于其他商业用途(如 [转卖]进行直接盈利或[编辑后售卖]进行间接盈利)。
2、本站所有内容均由合作方或网友上传,本站不对文档的完整性、权威性及其观点立场正确性做任何保证或承诺!文档内容仅供研究参考,付费前请自行鉴别。
3、如文档内容存在违规,或者侵犯商业秘密、侵犯著作权等,请点击“违规举报”。

碎片内容

安全文明施工保证措施及承诺.

您可能关注的文档

确认删除?
VIP
微信客服
  • 扫码咨询
会员Q群
  • 会员专属群点击这里加入QQ群
客服邮箱
回到顶部