电脑桌面
添加小米粒文库到电脑桌面
安装后可以在桌面快捷访问

安全生产标准化自评报告-2.VIP专享VIP免费

安全生产标准化自评报告-2._第1页
1/56
安全生产标准化自评报告-2._第2页
2/56
安全生产标准化自评报告-2._第3页
3/56
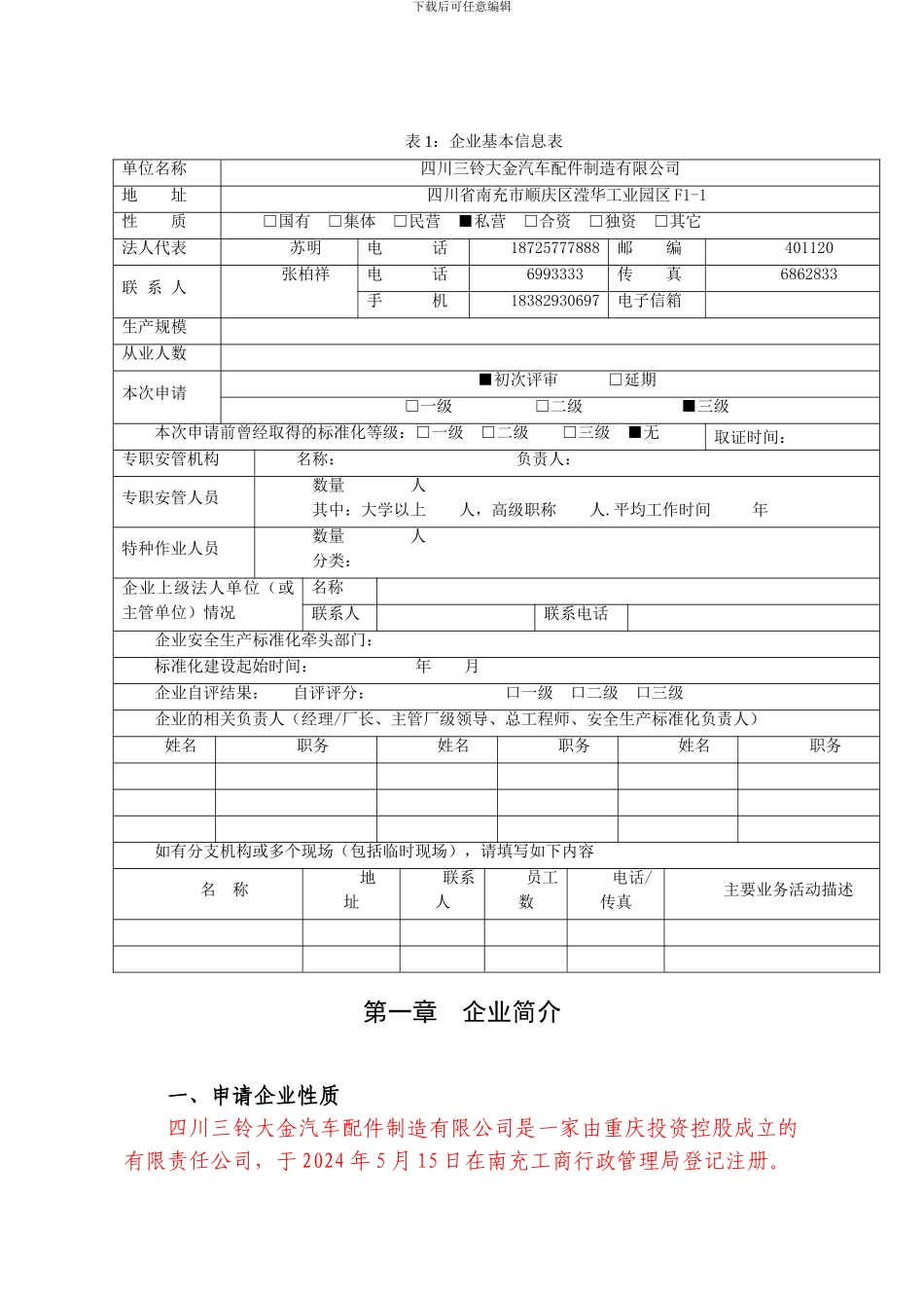
下载后可任意编辑四川三铃大金汽车配件制造有限公司安全生产标准化自评报告 自评等级: 报告编制: 报告审核: 下载后可任意编辑报告批准:四川三铃大金汽车配件制造有限公司二〇一二年十一月目 录第一章 企业简介..........................................4第二章 安全生产标准化自评................................6第三章 自评存在问题及纠正措施...........................14第四章 自评结论.........................................17 附件 1、自评打分明细表 2、四川省工贸企业安全生产标准化评审申请表下载后可任意编辑表 1:企业基本信息表单位名称四川三铃大金汽车配件制造有限公司地 址四川省南充市顺庆区滢华工业园区 F1-1性 质□国有 □集体 □民营 ■私营 □合资 □独资 □其它法人代表苏明电 话18725777888邮 编401120联 系 人张柏祥电 话6993333传 真6862833手 机18382930697电子信箱生产规模从业人数本次申请 ■初次评审 □延期□一级 □二级 ■三级本次申请前曾经取得的标准化等级:□一级 □二级 □三级 ■无取证时间:专职安管机构名称: 负责人:专职安管人员 数量 人 其中:大学以上 人,高级职称 人.平均工作时间 年特种作业人员 数量 人 分类:企业上级法人单位(或主管单位)情况名称联系人联系电话企业安全生产标准化牵头部门:标准化建设起始时间: 年 月企业自评结果: 自评评分: 口一级 口二级 口三级 企业的相关负责人(经理/厂长、主管厂级领导、总工程师、安全生产标准化负责人)姓名职务姓名职务姓名职务如有分支机构或多个现场(包括临时现场),请填写如下内容名 称地 址联系人员工数电话/传真主要业务活动描述第一章 企业简介一、申请企业性质四川三铃大金汽车配件制造有限公司是一家由重庆投资控股成立的有限责任公司,于 2024 年 5 月 15 日在南充工商行政管理局登记注册。下载后可任意编辑二、厂址及周边环境该公司位于南充市顺庆区溁华集中区内,距市中心约 1.5 公里处,有公路与外部相通,交通极为便利。三、企业证照情况应将企业涉及的营业执照、生产许可证、消防合格证、主要负责任人等各类证照情况叙述清楚,内容应包括:证照名称、办证单位、证号、有效期等内容。四、建厂、投产时间,生产规模及从业人数四川三铃大金汽车配件制造有限公司于 2024 年建厂、2024 年投产,现拥有 380m3 炼铁高炉一座,年产炼钢铁水 39.9...

1、当您付费下载文档后,您只拥有了使用权限,并不意味着购买了版权,文档只能用于自身使用,不得用于其他商业用途(如 [转卖]进行直接盈利或[编辑后售卖]进行间接盈利)。
2、本站所有内容均由合作方或网友上传,本站不对文档的完整性、权威性及其观点立场正确性做任何保证或承诺!文档内容仅供研究参考,付费前请自行鉴别。
3、如文档内容存在违规,或者侵犯商业秘密、侵犯著作权等,请点击“违规举报”。

碎片内容

安全生产标准化自评报告-2.

确认删除?
VIP
微信客服
  • 扫码咨询
会员Q群
  • 会员专属群点击这里加入QQ群
客服邮箱
回到顶部