电脑桌面
添加小米粒文库到电脑桌面
安装后可以在桌面快捷访问

安全生产责任制考核管理规定.VIP专享VIP免费

安全生产责任制考核管理规定._第1页
1/20
安全生产责任制考核管理规定._第2页
2/20
安全生产责任制考核管理规定._第3页
3/20
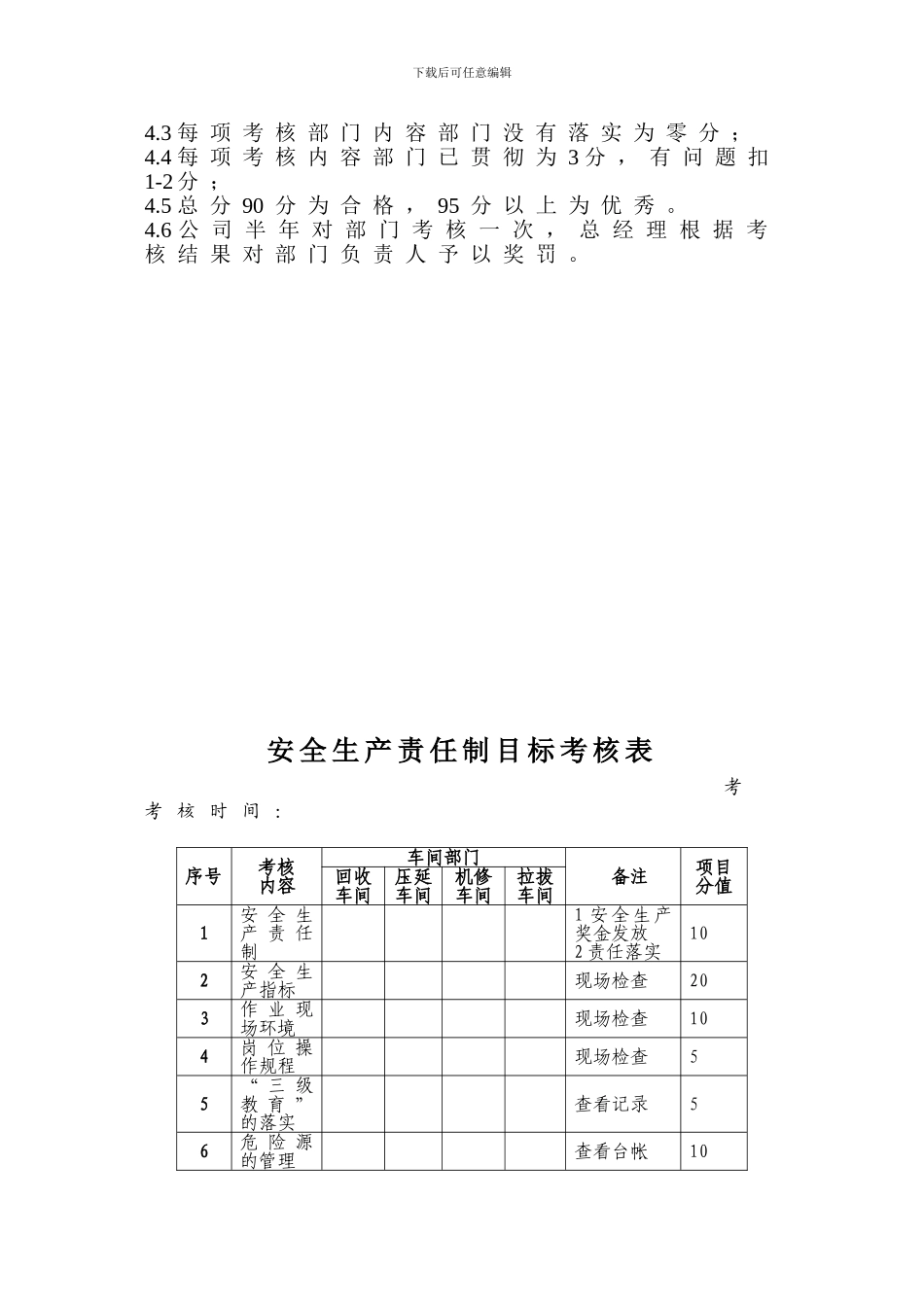
下载后可任意编辑安全生产责任制考核管理规定1.范 围本 标 准 规 定 了 本 公 司 安 全 生 产 责 任 制 对 各职 能 部 门 、 车 间 ( 分 公 司 ) 、 班 组 、 员 工 考核 的 内 容 、 方 法 及 要 求 。本 标 准 适 用 于 本 公 司 安 全 管 理 体 系 所 有 部门 和 人 员 。2.职 责安 全 生 产 责 任 制 的 考 核 工 作 由 总 经 理 负 责 ,由 生 产 部 长 由 主 管 经 理 组 织 相 关 人 员 具 体 操作 。3.考 核 的 内 容 与 方 法3.1 公 司 安 全 生 产 责 任 制 在 车 间 的 具 体 落 实 情况 。 考 核 组 查 看 (1) 车 间 发 放 职 工 自 我 管 理 奖金 的 具 体 使 用 , 是 否 体 现 奖 罚 分 明 ; (2) 各 岗位 的 安 全 、 消 防 责 任 是 否 明 确 到 位 。3.2 安 全 生 产 指 标 在 车 间 是 否 落 实 ; 主 要 看 有无 事 故 发 生 。3.3 作 业 场 所 环 境 是 否 干 净 、 定 职 管 理 是 否 到位 、 物 件 摆 放 是 否 有 序 ; 现 场 检 查 。3.4 岗 位 操 作 规 程 的 执 行 情 况 ; 现 成 检 查 有 无违 反 操 作 规 程 的 现 象 。3.5“ 三 级 教 育 ” 是 否 落 实 ; 查 看 《 职 业 健 康 安全 环 保 三 级 教 育 登 记 表 》 的 记 录 。3.6 部 门 “ 危 险 源 ” 的 管 理 ; 查 看 部 门 《 危 险源 辨 识 与 风 险 评 价 结 果 一 览 表 》 台 帐 , 半 年进 行 一 次 修 订 。3.7 安 全 设 施 维 护 状 况 ; 现 场 查 看 安 全 设 施 所在 部 门 对 其 维 护 情 况 。3.8 设 备 的 维 护 与 保 养 ; 现 场 查 看 各 车 间 的 设备 状 况 。3.9 安 全 ( 日 ) 检 查 的 贯 彻 执 行 情 况 ; 查 看 记 录 。3.10 安 全 活 动 ( 每 月 进 行 两 次 ) 的 开 展 情 况 ; 查看 对 员 工 是 否 进 行 安 全 生 产 教 育 的 记 录 。3.11 车 间 的 应 急 救 援 组 织 机 构 是 否 建 立 ; 查 看是 否 建 立 安 全 、 ...

1、当您付费下载文档后,您只拥有了使用权限,并不意味着购买了版权,文档只能用于自身使用,不得用于其他商业用途(如 [转卖]进行直接盈利或[编辑后售卖]进行间接盈利)。
2、本站所有内容均由合作方或网友上传,本站不对文档的完整性、权威性及其观点立场正确性做任何保证或承诺!文档内容仅供研究参考,付费前请自行鉴别。
3、如文档内容存在违规,或者侵犯商业秘密、侵犯著作权等,请点击“违规举报”。

碎片内容

安全生产责任制考核管理规定.

确认删除?
VIP
微信客服
  • 扫码咨询
会员Q群
  • 会员专属群点击这里加入QQ群
客服邮箱
回到顶部