电脑桌面
添加小米粒文库到电脑桌面
安装后可以在桌面快捷访问

安全资料--第一卷--第六册.VIP免费

安全资料--第一卷--第六册._第1页
1/31
安全资料--第一卷--第六册._第2页
2/31
安全资料--第一卷--第六册._第3页
3/31
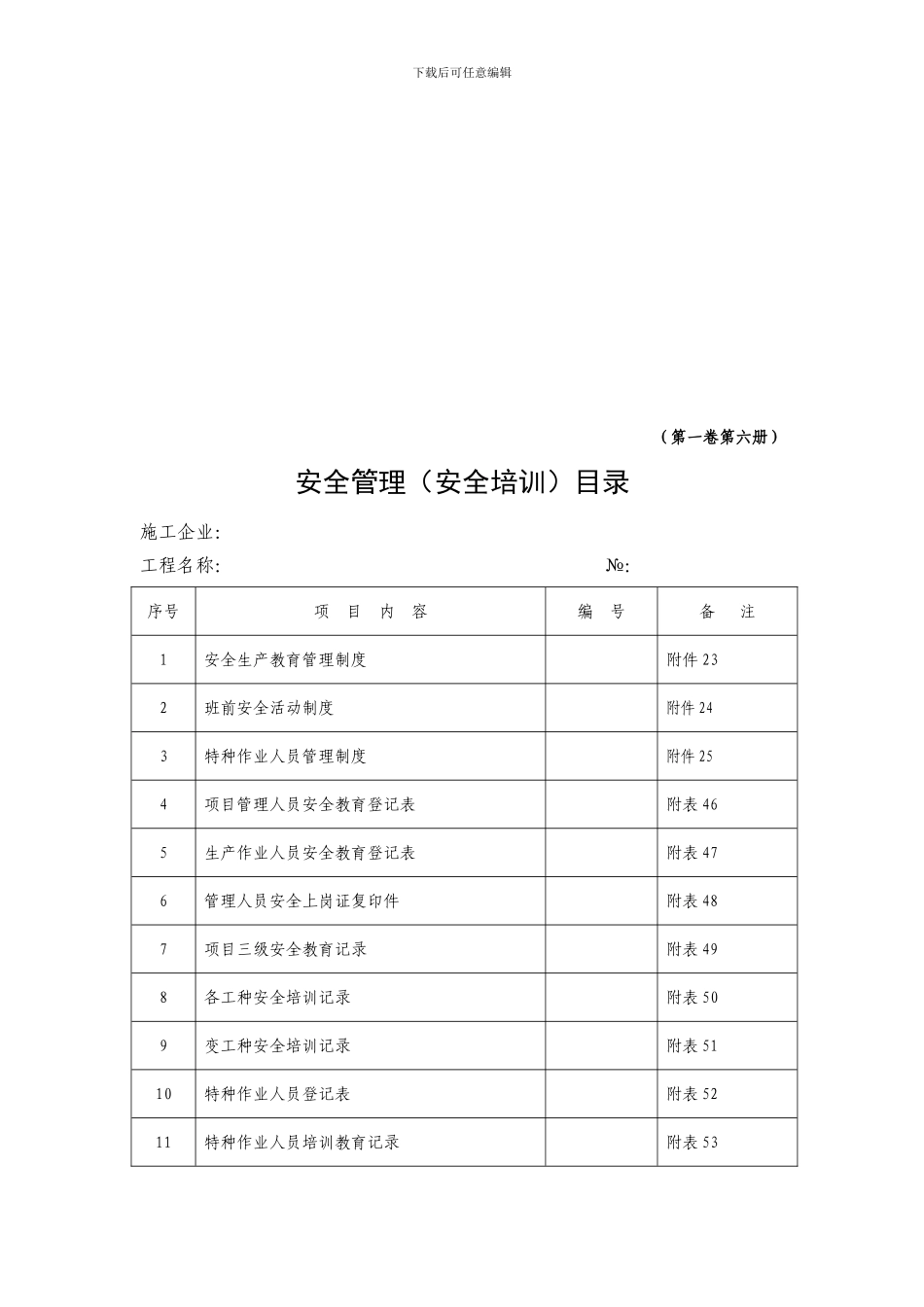
施工现场安全管理资料第一卷 安全管理第六册 安全培训下载后可任意编辑目 录安全管理(安全培训)目录…………………………2附件 23:安全生产教育管理制度……………………3附件 24:班前安全活动制度…………………………9附件 25:特种作业人员管理制度……………………11附表 46:项目部管理人员安全教育登记表…………16附表 47:生产作业人员安全教育登记表……………17附表 48:管理人员安全上岗证复印件………………18附表 49:项目三级安全教育记录……………………19附表 50:各工种安全培训记录………………………20附表 51:变工种安全教育记录………………………21附表 52:特种作业人员登记表………………………22附表 53:特种作业人员培训教育记录………………23附表 54:班前安全活动记录…………………………24下载后可任意编辑(第一卷第六册)安全管理(安全培训)目录施工企业: 工程名称: №:序号项 目 内 容编 号备 注1安全生产教育管理制度附件 232班前安全活动制度附件 243特种作业人员管理制度附件 254项目管理人员安全教育登记表附表 465生产作业人员安全教育登记表附表 476管理人员安全上岗证复印件附表 487项目三级安全教育记录附表 498各工种安全培训记录附表 509变工种安全培训记录附表 5110特种作业人员登记表附表 5211特种作业人员培训教育记录附表 53下载后可任意编辑12班前安全活动记录附表 5413安全培训教育考核试卷14其它填表人: 日期: 年 月 日附件 23:安全生产教育管理制度一、教育对象和培训时间:1、公司法定代表人、项目经理每年接受安全生产培训的时间,不得小于 30 学时。2、专职安全生产管理人员除根据建教(1991)552 号文《建设企事业单位关键岗位持证上岗管理规定》的要求取得岗位合格证书并持证上岗外,每年还必须接受安全专业技术培训,时间不得少于 40 学时。3、公司其他管理人员和技术人员每年接受安全生产培训的时间,不得少于 20 学时。下载后可任意编辑4、特种工种(包括电工、焊工、架子工、司炉工、爆破工、机械操作工、起重工、塔吊司机及指挥人员、人货两用电梯司机等)在通过专业技术培训并取得岗位操作证后,每年仍须接受有针对性的安全生产培训,时间不得少于 20 学时。5、其他职工每年接受安全生产培训的时间,不得少于15 学时。6、待岗、转岗、换岗的职工,在重新上岗前,必须接受一次安全生产培训,时间不得少于 20 学...

1、当您付费下载文档后,您只拥有了使用权限,并不意味着购买了版权,文档只能用于自身使用,不得用于其他商业用途(如 [转卖]进行直接盈利或[编辑后售卖]进行间接盈利)。
2、本站所有内容均由合作方或网友上传,本站不对文档的完整性、权威性及其观点立场正确性做任何保证或承诺!文档内容仅供研究参考,付费前请自行鉴别。
3、如文档内容存在违规,或者侵犯商业秘密、侵犯著作权等,请点击“违规举报”。

碎片内容

安全资料--第一卷--第六册.

文旅传媒+ 关注
实名认证
内容提供者

传播文化,成就未来

确认删除?
VIP
微信客服
  • 扫码咨询
会员Q群
  • 会员专属群点击这里加入QQ群
客服邮箱
回到顶部