电脑桌面
添加小米粒文库到电脑桌面
安装后可以在桌面快捷访问

实验仪器采购合同VIP免费

实验仪器采购合同_第1页
1/20
实验仪器采购合同_第2页
2/20
实验仪器采购合同_第3页
3/20
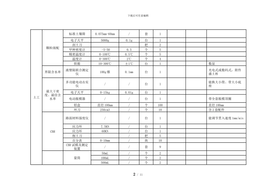
1 / 11下载后可任意编辑 试验仪器购买合同合同编号:ZJLQ-FG-YBJQDD-001 号买方:中建路桥集团有限公司卖方: 合同订立日期: 年 月 日1 / 111 / 11下载后可任意编辑试验仪器买卖合同买方(甲方):中建路桥集团有限公司卖方(乙方):依据《中华人民共和国合同法》、《中华人民共和国产品质量法》及相关法规、规定,遵循平等、自愿、公平和诚实信用的原则,为明确甲方与乙方的权利和义务,双方就宜宾农业科技园区金秋大道和环湖路项目所需 试验仪器(以下简称产品)的买卖事宜,本着长期合作、互惠互利、协商一致、法律规范供货的原则,双方签订本合同,以共同遵守。产品名称、型号、数量以及合同价款一.1合同总价为:RMB 47000.00 元(人民币大写:肆万柒仟圆整 )。一.2试验仪器名称、规格型号、数量、单价等一、仪器设备参数要求及功能描述注:上表未包含试剂、药品等。如有遗漏,请及时联系。宜宾农业科技园区金秋大道和环湖路项目试验仪器采购清单类别参数设备名称量程/或规格准确度单位数量单价合价备注2 / 111 / 11下载后可任意编辑土工颗粒级配标准土壤筛0.075mm-60mm/套1 电子天平5000g0.1g台1 刮土刀 把2 甲种密度计 -5-500.5个5 精密温度计0-100℃0.5℃个5 温度计0-300℃2℃个4 烘箱10-300℃±1℃台1 数显 界限含水率液塑限联合测定仪100g 锥0.1mm台1 光电式或数码式,附件盛土杯最大干密度、最佳含水率多功能电动击实仪//台1 能换大小筒、带大小底座电子天平0-15kg0.01g台1 电动脱模器//台1 带全套脱模顶圈铝盒直径 100mm/个100 直径 100mm环刀250cm3/个10 含 2 套配件CBR路面材料强度仪//台1 能调节贯入速度 1mm/min应力环7.5KN/台1 应力环60KN/台1 削土刀 /把5 百分表0-10mm/块10 CBR 试模及测定装置//套9 量筒50mL/个2 100mL/个2 500mL/个2 3 / 112 / 11下载后可任意编辑小试筒997cm³/个1 容积 997cm³大试筒2177cm³/个1 容积 2177cm³套环高 50mm/个1 大小各一筒内垫块直径 151mm,高50mm 金属垫块/个1 直径 151mm,高 50mm 金属垫块集料颗粒级配新标准砂石筛0.075-9.5mm/套1 新标准石子筛0.075-90mm/套1 标准石子筛13.2mm/个1 震击式标准摇筛机 /台1 同标准筛配套电热鼓风恒温干燥箱10-300℃±1℃台1 数显 洛杉矶磨耗机 台1 电子天平5000g0.01g台1 针片状含量针片状规准仪//套1 压碎值细集料压碎值测定仪//套1 石料压碎值测定仪//套1 带标...

1、当您付费下载文档后,您只拥有了使用权限,并不意味着购买了版权,文档只能用于自身使用,不得用于其他商业用途(如 [转卖]进行直接盈利或[编辑后售卖]进行间接盈利)。
2、本站所有内容均由合作方或网友上传,本站不对文档的完整性、权威性及其观点立场正确性做任何保证或承诺!文档内容仅供研究参考,付费前请自行鉴别。
3、如文档内容存在违规,或者侵犯商业秘密、侵犯著作权等,请点击“违规举报”。

碎片内容

实验仪器采购合同

您可能关注的文档

确认删除?
VIP
微信客服
  • 扫码咨询
会员Q群
  • 会员专属群点击这里加入QQ群
客服邮箱
回到顶部