电脑桌面
添加小米粒文库到电脑桌面
安装后可以在桌面快捷访问

室外排水管道安装技术交底VIP免费

室外排水管道安装技术交底_第1页
1/5
室外排水管道安装技术交底_第2页
2/5
室外排水管道安装技术交底_第3页
3/5
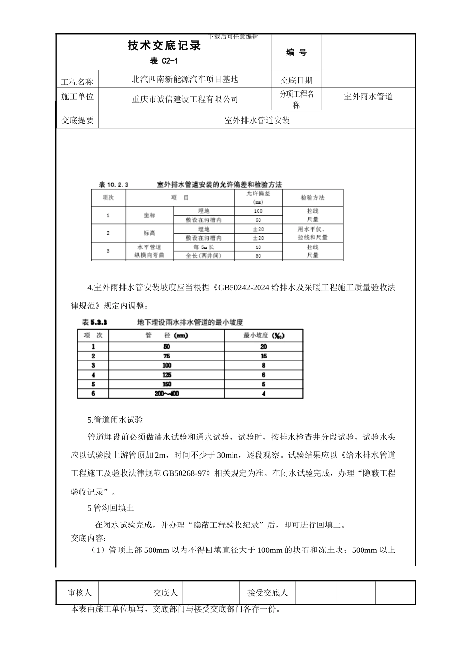
下载后可任意编辑一、施工准备(一)作业条件(1)施工位置场地平整,范围内无障碍物品。(2)施工范围内地下障碍物已探明,图纸详细,管路管线明确。 (3)将需用材料的规格型号、质量、数量确认合格并准备齐全,运到现场。(二)材料要求1、管材要求具有较强的耐腐蚀性、良好的抗冲击性和降低噪音性能,外观光泽、颜色一致。 2、管材为 FRPP 管、HPDE 双壁波纹管。3、管材、管件内外表层应光滑,无气泡、裂纹,管壁厚度符合相关生产标准且薄厚均匀,管材直段挠度不小于 10‰。(三)主要机具1、机具:管道切割机、电气焊机。2、工具:断管器、管子剪、锯弓、刮刀、盒尺、角尺、水平尺、线坠、扳手、钳子、螺丝刀、錾子、手锤、工作台等。二、施工工艺1.沟槽开挖与验收首先,根据图纸要求测出管道的坐标和标高后,再按图示方位打桩放线,确定沟槽位置、宽度和深度,其坐标和标高应符合图纸要求。为防止塌方,沟槽开挖后应留有一定边坡,根据现场土质情况,坡度按 1:0.3 进行,沟槽上部松土用 500mm 高模板及架管支护。为便于管段下沟,挖沟槽的土应堆放在沟的一侧,且土堆底边与沟边应保持一定距离。机械挖槽应确保槽底土质结构不被扰动或破坏,用机械挖槽或开挖沟槽后,当天不能下管时,槽底应留出 0.2 米左右一层不挖,待铺管前用人工清挖。如地基土被扰动,应实行如下处理措施:1)扰动 150mm 以内,可原状土夯实,压实系数>0.95。 2)扰动 150mm 以上,可用 3:7 灰土、卵石、碎石、毛石等填充夯实,压实系数≧0.95。审核人交底人接受交底人本表由施工单位填写,交底部门与接受交底部门各存一份。 技术交底记录表 C2-1编 号工程名称北汽西南新能源汽车项目基地交底日期施工单位重庆市诚信建设工程有限公司分项工程名称室外雨水管道交底提要室外排水管道安装下载后可任意编辑 3)如遇管道安装位置地质软弱,则应通知建设方和监理及审计工作人员确认后,对安装管道基层采纳 C15 细石混凝土浇注 150mm 管沟垫层。2、管基础:本双壁波纹管基础采纳砂垫层基础,基础宽度参见图纸设计说明。 3、管道安装(1)散管和下管:散管,是将检查并疏通好的管子沿沟散开摆好;下管,是将管子从地面放入沟槽内。下管方法分人工下管和机械下管。本工程管材选用 PE 双壁波纹管(横穿车行道的管材选用 FRPP 加管筋管),重量较小,采纳人工下管,采纳大绳下管的方法进行。下管时应该谨慎操作,保证人身安全,操作前必须对沟壁情...

1、当您付费下载文档后,您只拥有了使用权限,并不意味着购买了版权,文档只能用于自身使用,不得用于其他商业用途(如 [转卖]进行直接盈利或[编辑后售卖]进行间接盈利)。
2、本站所有内容均由合作方或网友上传,本站不对文档的完整性、权威性及其观点立场正确性做任何保证或承诺!文档内容仅供研究参考,付费前请自行鉴别。
3、如文档内容存在违规,或者侵犯商业秘密、侵犯著作权等,请点击“违规举报”。

碎片内容

室外排水管道安装技术交底

确认删除?
VIP
微信客服
  • 扫码咨询
会员Q群
  • 会员专属群点击这里加入QQ群
客服邮箱
回到顶部