电脑桌面
添加小米粒文库到电脑桌面
安装后可以在桌面快捷访问

建筑起重机械一体化专业分包合同-(1)VIP免费

建筑起重机械一体化专业分包合同-(1)_第1页
1/9
建筑起重机械一体化专业分包合同-(1)_第2页
2/9
建筑起重机械一体化专业分包合同-(1)_第3页
3/9
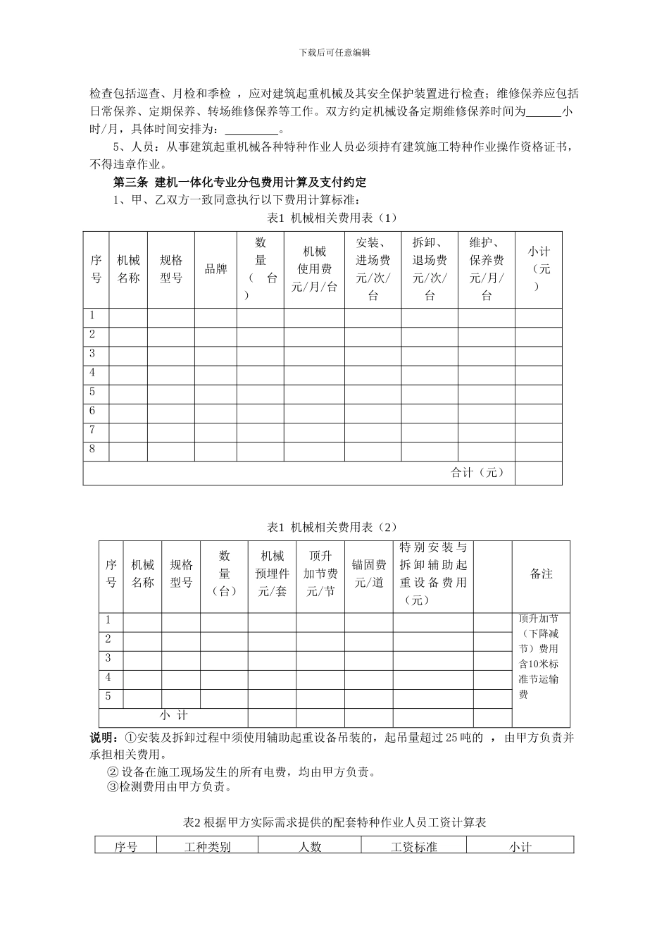
下载后可任意编辑建筑起重机械一体化专业分包合同(示范文本)福建省住房和城乡建设厅2024 年 8月建筑起重机械一体化专业分包合同下载后可任意编辑总承包人(以下称为“甲方”:) (单位全称)专业分包人(以下称为“乙方”:) (单位全称)建机一体化企业名录批号: 安装资质证书号及等级: 依照《中华人民共和国合同法》及《建设工程安全生产管理条例》和《建筑起重机械安全监督管理规定》(原建设部令第 166 号)等相关法律、法规的规定,遵循平等、自愿、公平 和诚实信用的原则,经双方协商,就建筑起重机械一体化专业分包相关事宜达成协议如下:第一条 工程项目及建筑起重机械概况工程名称及概况项目名称:项目概况:建筑最大高度(m): ;建筑物数: ;建筑面积(m²): ;使用地点: 。幢号建筑高度(m)机械名称规格型号安装高度(m)附墙道数计划进场时间备注第二条 建机一体化专业分包的相关内容和要求(一)建机一体化专业分包的相关内容:进入建筑起重机械一体化企业名录后,方可向总包单位提供建筑起重机械(详见上表),从事租赁、安装、拆卸、维修、保养服务,及根据甲方实际需求提供特种作业人员配套服务。(二)建机一体化专业分包的要求:1、设备要求:乙方应当提供安全有效、满足双方约定使用功能的机械设备,设备质量应当符合现行国家标准、行业标准。2、安装、拆卸、顶升、降节、锚固:甲方应按项目施工进度并具备建筑起重机械进出场的条件,提前 天通知乙方进场安装、拆除。乙方接到甲方的通知及时安排安装、拆卸。具体安装、拆除的完成时间约定如下 : 。乙方应在资质许可范围内,根据建筑起重机械安装 、拆卸、顶升加节、降节、锚固专项施工方案及安全操作规程要求进行作业。在进行安装、拆卸、顶升加节、降节、锚固过程中乙方的专业技术人员、专职安全生产管理人员应当进行现场监督和定期巡查。3、维修:乙方应建立完善抢修制度,配置抢修车辆,及时受理并有效消除设备故障。因故障造成机械设备无法正常作业的,乙方接到甲方通知时起 小时内到达现场维修。乙方自接到维修通知起 日内未能修复的,自故障发生第 日起免收租金直至机械设备恢复正常作业日止。但机械设备故障系因甲方违章指挥、违章作业造成的,甲方仍应支付停工期间的机械使用费。4、保养:乙方应加强建筑起重机械日常检查和维修保养并建立检查、维修保养档案。日常下载后可任意编辑检查包括巡查、月检和季检 ,应对建筑起重机械及其...

1、当您付费下载文档后,您只拥有了使用权限,并不意味着购买了版权,文档只能用于自身使用,不得用于其他商业用途(如 [转卖]进行直接盈利或[编辑后售卖]进行间接盈利)。
2、本站所有内容均由合作方或网友上传,本站不对文档的完整性、权威性及其观点立场正确性做任何保证或承诺!文档内容仅供研究参考,付费前请自行鉴别。
3、如文档内容存在违规,或者侵犯商业秘密、侵犯著作权等,请点击“违规举报”。

碎片内容

建筑起重机械一体化专业分包合同-(1)

确认删除?
VIP
微信客服
  • 扫码咨询
会员Q群
  • 会员专属群点击这里加入QQ群
客服邮箱
回到顶部