电脑桌面
添加小米粒文库到电脑桌面
安装后可以在桌面快捷访问

2025年浆喷水泥搅拌桩施工方案VIP免费

2025年浆喷水泥搅拌桩施工方案_第1页
1/5
2025年浆喷水泥搅拌桩施工方案_第2页
2/5
2025年浆喷水泥搅拌桩施工方案_第3页
3/5
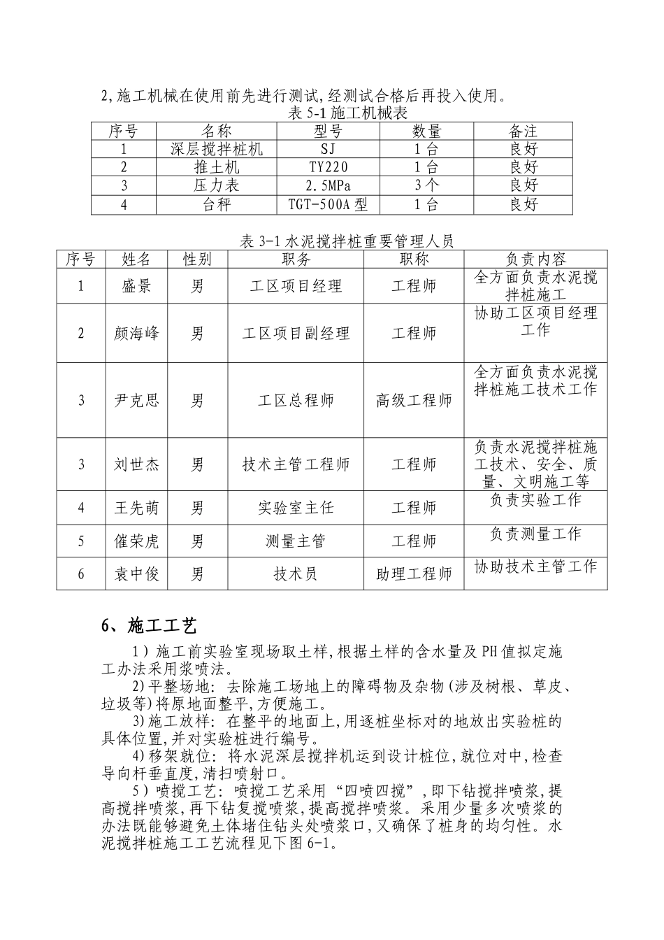
D1K540+217.83~D1K544+416段路基工程水泥搅拌桩实验桩施工方案1、工程概况D1K540+217.83~DK544+416 段路基位于河流阶地,地形较平坦,略有起伏,出露地层重要为第四系全新冲积浆质黏土,粗砂、细圆砾土,底部基岩为白垩系下统砂岩夹泥岩,砂岩为主,夹有薄层泥岩,砂岩为灰色~棕红色,泥质胶结,成岩较差,泥岩为棕红色,以黏土矿物为主。本工点路基水泥搅拌桩数量 572725 米/94251 根,桩径 0.5m,桩长 2~10m,D1K540+320~D1K541+300 段桩间距为 0.8m,D1K541+300~DK543+680 段桩间距为 1.0m,桩平面布置形式为正三角形。2、编制根据1)《客运专线施工质量验收暂行原则》(铁建设[]160 号)2)《客运专线铁路路基工程施工技术指南》(经规原则[]110)3)《建筑地基解决技术规范》(JGJ79-)4)《哈大客专施沈哈施路 02-02》施工图5)《哈大客运专线路基通用图》3、实验目的1)复核地质资料与否与设计相符。2)拟定满足设计每米水泥掺量的多个工艺参数,如钻进速度、提高速度、搅拌速度、喷浆压力、单位时间喷浆量等。3)掌握在该工点土质条件下钻进和提高的阻力状况。4)检查成桩效果、验证设计参数的合理性。4、设计参数及搅拌桩室内配比设计1)设计参数及规定根据设计规定,本地层含水量<35%、或 PH<4 时,采用浆体喷射搅拌桩,否则采用粉体喷射搅拌桩。2)实验桩位置的选定D1K540+320 ~ D1K540+530 段 地 质 为 Ⅱ 级 普 通 土 , 厚 度 约 为8m,δ0=40mpa,实验桩位置选在该段,其含有代表性。经实验室现场取土实验,其含水量不大于 35%,施工办法采用浆体喷射搅拌,并采用不同的工艺参数分组进行实验。3)室内配比实验现场取地基土实验样品分析含水率和天然容重,地下水有无侵蚀性。经实验水泥采用 PO42.5 级普通硅酸盐水泥,水泥掺入比和水泥浆配比见实验报告。5、施工机械及人员按排水泥搅拌桩实验桩施工机械设备及重要管理人员见表 5-1、5-2,施工机械在使用前先进行测试,经测试合格后再投入使用。表 5-1 施工机械表序号名称型号数量备注1深层搅拌桩机SJ1 台良好2推土机TY2201 台良好3压力表2.5MPa3 个良好4台秤TGT-500A 型1 台良好表 3-1 水泥搅拌桩重要管理人员序号姓名性别职务职称负责内容1盛景男工区项目经理工程师全方面负责水泥搅拌桩施工2颜海峰男工区项目副经理工程师协助工区项目经理工作3尹克思男工区总程师高级工程师全方面负责水泥搅拌桩施工技术工作3刘世杰男技术主管工程师工程师负责水泥搅拌桩施工...

1、当您付费下载文档后,您只拥有了使用权限,并不意味着购买了版权,文档只能用于自身使用,不得用于其他商业用途(如 [转卖]进行直接盈利或[编辑后售卖]进行间接盈利)。
2、本站所有内容均由合作方或网友上传,本站不对文档的完整性、权威性及其观点立场正确性做任何保证或承诺!文档内容仅供研究参考,付费前请自行鉴别。
3、如文档内容存在违规,或者侵犯商业秘密、侵犯著作权等,请点击“违规举报”。

碎片内容

2025年浆喷水泥搅拌桩施工方案

您可能关注的文档

确认删除?
VIP
微信客服
  • 扫码咨询
会员Q群
  • 会员专属群点击这里加入QQ群
客服邮箱
回到顶部