电脑桌面
添加小米粒文库到电脑桌面
安装后可以在桌面快捷访问

工程竣工资料分目录(净化空调汇总)VIP免费

工程竣工资料分目录(净化空调汇总)_第1页
1/48
工程竣工资料分目录(净化空调汇总)_第2页
2/48
工程竣工资料分目录(净化空调汇总)_第3页
3/48
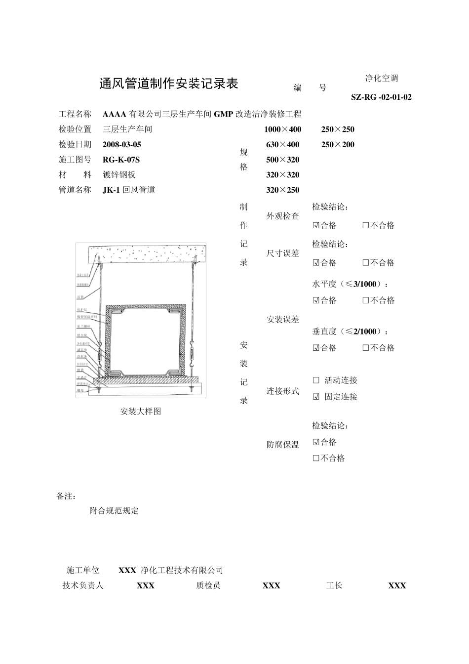
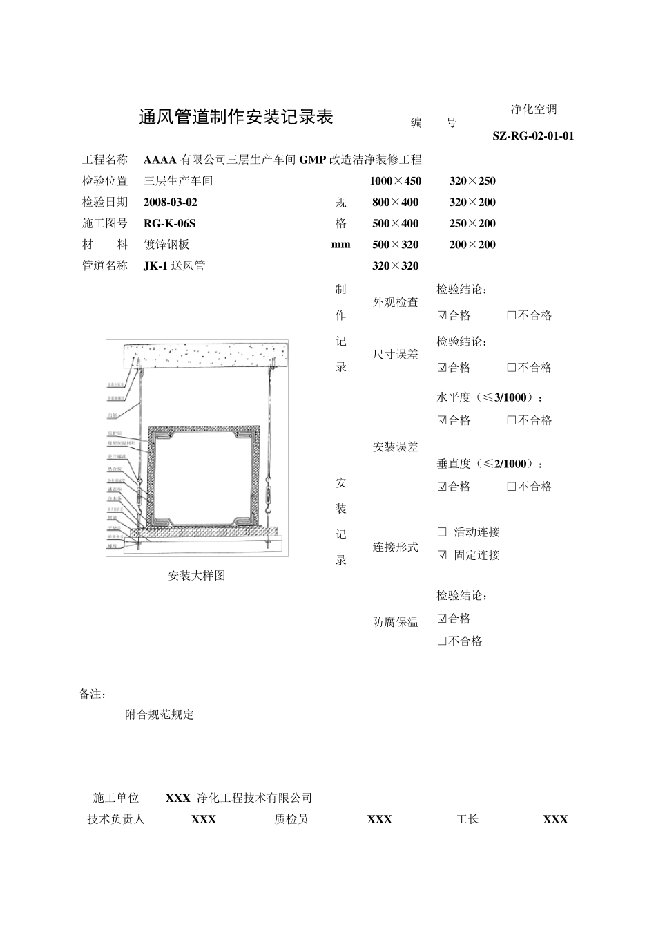
工程竣工资料分目录 编 号 净化空调 SZ-RG -02-00 工程名称 AAAA 有限公司三层生产车间GMP 改造洁净装修工程 编制单位 XXX 净化工程技术有限公司 序号 资料名称 资料编号 编制日期 页次 备注 1 工程竣工资料分目录 SZ-RG-02-00 1 2 通风管道制作安装记录表 SZ-RG -02-01 16 3 风管清洗记录表 SZ-RG -02-02 8 4 风管漏光检测记录 SZ-RG -02-03 10 5 预检工程检查记录表(净化空调系统) SZ-RG -02-04 1 6 预检工程检查记录表(排风、除尘系统) SZ-RG -02-05 1 7 预检工程检查记录表(风管部件与消声器制作) SZ-RG -02-06 1 8 预检工程检查记录表(通风机) SZ-RG -02-07 1 9 隐蔽工程检查记录表 SZ-RG -02-08 1 10 空调系统试验调整报告 SZ-RG -02-09 7 11 洁净度检测报告 SZ-RG -02-10 22 12 分部/分项工程施工报验表 SZ-RG -02-11 1 通风管道制作安装记录表 编 号 净化空调 SZ-RG-02-01-01 工程名称 AAAA 有限公司三层生产车间GMP 改造洁净装修工程 检验位置 三层生产车间 规 格 m m 1000×450 320×250 检验日期 2008-03-02 800×400 320×200 施工图号 RG-K-06S 500×400 250×200 材 料 镀锌钢板 500×320 200×200 管道名称 JK-1 送风管 320×320 安装大样图 制 作 记 录 外观检查 检验结论: □√合格 □不合格 尺寸误差 检验结论: □√合格 □不合格 安 装 记 录 安装误差 水平度(≤3/1000): □√合格 □不合格 垂直度(≤2/1000): □√合格 □不合格 连接形式 □ 活动连接 □√ 固定连接 防腐保温 检验结论: □√合格 □不合格 备注: 附合规范规定 施工单位 XXX 净化工程技术有限公司 技术负责人 XXX 质检员 XXX 工长 XXX 通风管道制作安装记录表 编 号 净化空调 SZ-RG -02-01-02 工程名称 AAAA 有限公司三层生产车间GMP 改造洁净装修工程 检验位置 三层生产车间 规 格 1000×400 250×250 检验日期 2008-03-05 630×400 250×200 施工图号 RG-K-07S 500×320 材 料 镀锌钢板 320×320 管道名称 JK-1 回风管道 320×250 安装大样图 制 作 记 录 外观检查 检验结论: □√合格 □不合格 尺寸误差 检验结论: □√合格 □不合格 安 装 记 录 安装误差 水平度(≤3/1000): □√合格 □不合格 垂直度(≤2/1...

1、当您付费下载文档后,您只拥有了使用权限,并不意味着购买了版权,文档只能用于自身使用,不得用于其他商业用途(如 [转卖]进行直接盈利或[编辑后售卖]进行间接盈利)。
2、本站所有内容均由合作方或网友上传,本站不对文档的完整性、权威性及其观点立场正确性做任何保证或承诺!文档内容仅供研究参考,付费前请自行鉴别。
3、如文档内容存在违规,或者侵犯商业秘密、侵犯著作权等,请点击“违规举报”。

碎片内容

工程竣工资料分目录(净化空调汇总)

您可能关注的文档

确认删除?
VIP
微信客服
  • 扫码咨询
会员Q群
  • 会员专属群点击这里加入QQ群
客服邮箱
回到顶部