电脑桌面
添加小米粒文库到电脑桌面
安装后可以在桌面快捷访问

常见弱电符号大全VIP免费

常见弱电符号大全_第1页
1/7
常见弱电符号大全_第2页
2/7
常见弱电符号大全_第3页
3/7
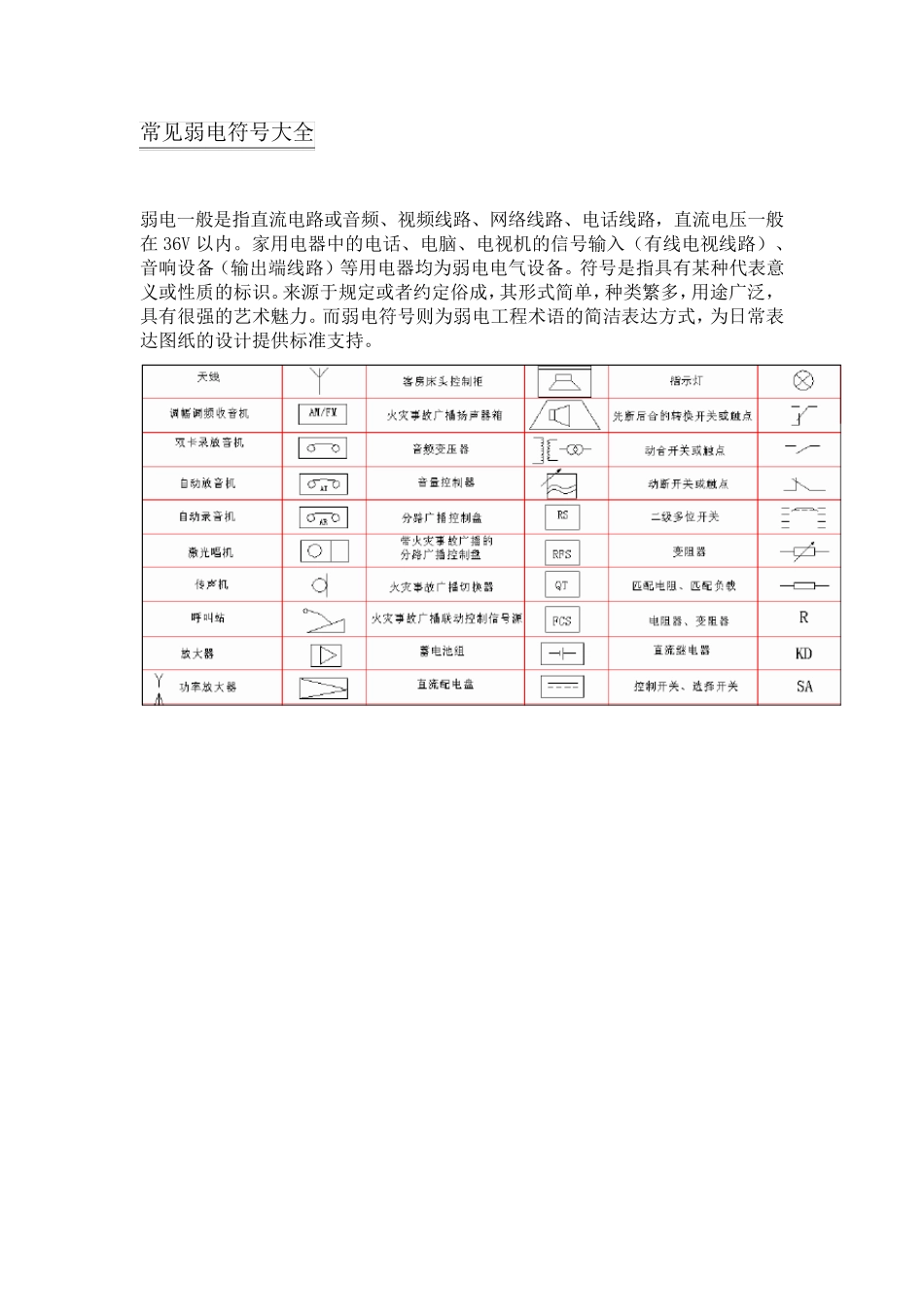
常见弱电符号大全 弱电一般是指直流电路或音频、视频线路、网络线路、电话线路,直流电压一般在 36V 以内。家用电器中的电话、电脑、电视机的信号输入(有线电视线路)、音响设备(输出端线路)等用电器均为弱电电气设备。符号是指具有某种代表意义或性质的标识。来源于规定或者约定俗成,其形式简单,种类繁多,用途广泛,具有很强的艺术魅力。而弱电符号则为弱电工程术语的简洁表达方式,为日常表达图纸的设计提供标准支持。 1. RVS(2*1.0)+UTP-5 RVB 平行多股软线,两根芯线是平行包在护套中的;RVS 对绞多股软线,就是将RVB 的软芯撕开,对绞,一般用为电话线、音响线(扩音线);(2*1.0) 成品外径(宽度×厚度)/mm ;UTP-5 五类(非屏蔽-两对)网络线; 2. SYWV-75-5-SC15 :根据字面的意思可理解成型号为sywv-75-5 电视线穿钢管,15 应该是钢管的直径。 3. UTP-6+HPV-2*2*0.5-SC20;理解成六类网线和电话线穿钢管。2*2*0.5应该是两根两芯0.5平方毫米的电话线,20应该是钢管的直径。 4. ZR-RVS-2*1.5;在计算工程量时一根管对应一根线,2X1.5 是两芯截面 1.5 的,是一根。 5 ZBN-RVS-4*1.5;在计算工程量时是按几根算, 管线是1m, 这个是信号线,双铰线。按一根计算 就是1m. 6 消防里的 ZR-RVS 2×1.5 的RNS 的含义是:ZR 阻燃;RVS 全称为: 铜芯聚氯乙烯绝缘绞型连接用软电线、对绞多股软线,简称双绞线,俗称麻花线。字母 S 代表双绞线;字母 R 代表软线;字母 V 代表聚氯乙烯(绝缘体);这种线多用于消防火灾自动报警系统的探测器线路 7、 智能弱电中RVVP 4×16/0.15 (4×0.30mm?)四芯圆形护套屏蔽电线。适用12-125 RVV2×16/0.15( 2×0.3 mm?)扁型电源线 适用2-1877;RVS2*1.5 是背景音乐广播线 适用2-1877 8、 RVVP4*16/0.15 即“4(芯)乘0.3(平方毫米)屏蔽(聚氯乙烯)护套软线,其中每个字母的含义如下: 多线芯软线(型号中第1 位字母,R),聚氯乙烯绝缘(型号中第2 位字母,V),聚氯乙烯护套(型号中第3 位字母,V),铜软线或镀锡软铜线编织屏蔽(型号中第4 位字母,P),带绝缘层的线芯数4 芯(型号中第5 位字母,4),缘层内 的导 体线芯数16 芯(型号中第7、8 位字母,16),缘层内 的导 体线芯直径0.15mm (型号中第10~13 位字母,0.15)。 这个型号完 整 的应该标 为RVVP4*0.3 16/0.15 ,定 额 “建 筑 智能化 系统设备 安 装...

1、当您付费下载文档后,您只拥有了使用权限,并不意味着购买了版权,文档只能用于自身使用,不得用于其他商业用途(如 [转卖]进行直接盈利或[编辑后售卖]进行间接盈利)。
2、本站所有内容均由合作方或网友上传,本站不对文档的完整性、权威性及其观点立场正确性做任何保证或承诺!文档内容仅供研究参考,付费前请自行鉴别。
3、如文档内容存在违规,或者侵犯商业秘密、侵犯著作权等,请点击“违规举报”。

碎片内容

常见弱电符号大全

小辰7+ 关注
实名认证
内容提供者

出售各种资料和文档

确认删除?
VIP
微信客服
  • 扫码咨询
会员Q群
  • 会员专属群点击这里加入QQ群
客服邮箱
回到顶部